COGENT DATA TECHNOLOGIES, INC.
DISKMASTER
|
|
Data bus: 16-bit, ISA
Size: Full-length, full-height card
Hard drives supported: Two RLL ST506/412 and two ESDI drives, or
four ESDI drives may be daisy-chained off of CN2
Floppy drives supported: Two 360KB, 720KB, 1.2MB, or 1.44MB
|
CONNECTIONS | |
|
Function |
Location |
|
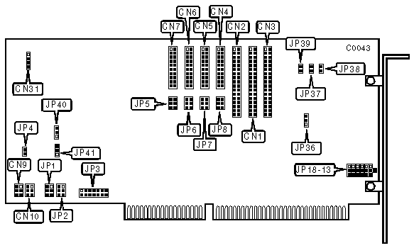
34-pin control cable connector-ST506 hard drives |
CN1 |
|
34-pin control cable connector-ESDI hard drives |
CN2 |
|
34-pin data cable connector-floppy drive |
CN3 |
|
20-pin data cable connector-drive 1 |
CN4 |
|
20-pin data cable connector-drive 2 |
CN5 |
|
20-pin data cable connector-drive 3 |
CN6 |
|
20-pin data cable connector-drive 4 |
CN7 |
|
6-pin EACK connector - (For use with an E/MASTER Ethernet board) |
CN9 |
|
6-pin ERQ connector - (For use with an E/MASTER Ethernet board) |
CN10 |
|
4-pin connector-drive active LED |
CN31 |
|
USER CONFIGURABLE SETTINGS | |||
|
Function |
Location |
Setting | |
| » |
No DMA expansion |
JP4 |
closed |
|
Supports E/Master ethernet |
JP4 |
open | |
| » |
Drive 4 is an ST506 |
JP5* |
pins 1 & 2 closed |
|
Drive 4 is an ESDI |
JP5* |
pins 2 & 3 closed | |
| » |
Drive 3 is an ST506 |
JP6* |
pins 1 & 2 closed |
|
Drive 3 is an ESDI |
JP6* |
pins 2 & 3 closed | |
| » |
Drive 2 is an ESDI |
JP7* |
pins 2 & 3 closed |
|
Drive 2 is an ST506 |
JP7* |
pins 1 & 2 closed | |
| » |
Drive 1 is an ESDI |
JP8* |
pins 2 & 3 closed |
|
Drive 1 is an ST506 |
JP8* |
pins 1 & 2 closed | |
| » |
Floppy drive enabled |
JP36 |
pins 2 & 3 closed |
|
Floppy drive disabled |
JP36 |
pins 1 & 2 closed | |
| » |
Reserved for future use |
JP37-39 |
open |
|
Note:* Both pin sets must be set alike | |||
|
CONTROLLER CLOCK CONFIGURATION | |||
|
Function |
JP40 |
JP41 | |
| » |
Set at 10MHz |
pins 2 & 3 closed |
pins 1 & 2 closed |
|
Disabled, bus clock timing enabled |
pins 1 & 2 closed |
pins 2 & 3 closed | |
|
DMA CHANNEL | ||||
|
DRQ |
JP1 & JP2/jumper 1 |
JP1 & JP2/jumper 2 |
JP1 & JP2/jumper 3 | |
|
DRQ5 |
closed |
open |
open | |
| » |
DRQ6 |
open |
closed |
open |
|
DRQ7 |
open |
open |
closed | |
|
INTERRUPT REQUEST - JP3 | |||||||
|
# |
Jumper 1 |
Jumper 2 |
Jumper 3 |
Jumper 4 |
Jumper 5 |
Jumper 6 |
Jumper 7 |
|
3 |
closed |
open |
open |
open |
open |
open |
open |
|
5 |
open |
closed |
open |
open |
open |
open |
open |
|
9 |
open |
open |
closed |
open |
open |
open |
open |
|
10 |
open |
open |
open |
closed |
open |
open |
open |
|
12 |
open |
open |
open |
open |
closed |
open |
open |
|
14 |
open |
open |
open |
open |
open |
closed |
open |
|
15 |
open |
open |
open |
open |
open |
open |
closed |
|
BIOS ADDRESS | |||||||
|
ADDRESS |
BINARY |
JP18 |
JP17 |
JP16 |
JP15 |
JP14 |
JP13 |
|
C8000 |
1100100 |
Pins 1-2 |
Pins 2-3 |
Pins 2-3 |
Pins 1-2 |
Pins 2-3 |
Pins 2-4 |
|
Note:Pins designated should be in the closed position. | |||||||
|
Binary one PROM size 8KB |
Binary zero PROM size 8KB |
Binary zero PROM size 16KB |
|
MISCELLANEOUS TECHNICAL NOTES |
|
The BIOS address settings range is C800 - E000 and is selected with JP12-19 using a binary translation. JP12 (LSB) and JP19 (MSB) are internal and assumed to be 0 and 1 respectively. JP13 - JP18 are set: pins 1-2 closed= 1; pins 2-3 closed= 0. Default is C8000: In addition to serving as the 2 1 place in the BIOS address selection, JP13 is also used to determine PROM size (8KB or 16KB). Due to the pin assignment a PROM cannot have an address with a 1 in the 2 1 place (such as 110001 1 0) and be 16KB (see above). |