JUKO LABORATORIES, LTD.

D16-X

Q1 /93

Data bus: 8-bit, ISA

Size: Half-length, full-height card

Hard drives supported: One IDE (AT/XT) Interface drive

Floppy drives supported: None

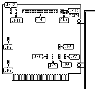
CONNECTIONS

Function

Location

40-pin IDE (AT/XT) Interface connector

CN1

4-pin connector-drive active LED

CN4

USER CONFIGURABLE SETTINGS

Function

Location

Setting

»

IDE (AT) Interface drive supported

JP2

open

 

IDE (XT) Interface drive supported

JP2

closed

»

Hard drive controller enabled

JP3

closed

 

Hard drive controller disabled

JP3

open

»

ALE/Control signal timing option 1

JP5

pins 1 & 2 closed

 

ALE/Control signal timing option 2

JP5

pins 2 & 3 closed

»

PDIAG (Pass Diagnostics) deselected

JP10

open

 

PDIAG (Pass Diagnostics) selected

JP10

closed

»

ALE (Address Latch Enable) deselected

JP11

open

 

ALE (Address Latch Enable) selected

JP11

closed

»

AEN (Address Enable) deselected

JP12

open

 

AEN (Address Enable) selected

JP12

closed

BIOS ADDRESS

Address

JP6

JP7

»

C800h

pins 2 & 3 closed

pins 2 & 3 closed

 

CA00h

pins 1 & 2 closed

pins 2 & 3 closed

 

CC00h

pins 2 & 3 closed

pins 1 & 2 closed

 

CE00h

pins 1 & 2 closed

pins 1 & 2 closed

BIOS EPROM CONFIGURATION SETTINGS

Chip and Memory Bank

JP8

JP9

 

2764

pins 2 & 3 closed

pins 1 & 2 closed

»

27256 - 0000-1FFFh

pins 2 & 3 closed

pins 2 & 3 closed

 

27256 - 2000-3FFFh

pins 1 & 2 closed

pins 2 & 3 closed

 

27256 - 4000-5FFFh

pins 2 & 3 closed

pins 1 & 2 closed

 

27256 - 6000-7FFFh

pins 1 & 2 closed

pins 1 & 2 closed

DRIVE TYPE TABLE

#

Heads

Cyli

Capacity

#

Heads

Cylinder

Capacity

1

4

306

10

24

5

977

40

2

4

615

20

25

9

1024

76

3

6

615

30

26

7

1224

71

4

8

940

62

27

11

1224

111

5

6

940

46

28

15

1224

152

6

4

615

20

29

8

1024

68

7

8

462

30

30

11

1024

93

8

5

733

30

31

11

918

83

9

15

900

112

32

9

925

69

10

3

820

20

33

10

1024

85

11

5

855

35

34

12

1024

102

12

7

855

49

35

13

1024

110

13

8

306

20

36

14

1024

119

14

7

733

42

37

2

1024

17

15

Reserved

38

16

1024

136

16

4

612

20

39

15

918

114

17

5

977

40

40

6

820

40

18

7

977

56

41

5

1024

42

19

7

1024

59

42

5

981

40

20

5

733

30

43

10

981

81

21

7

733

42

44

8

615

40

22

5

733

30

45

10

963

80

23

4

306

10

46

16

753

100