SYMBIOS LOGIC

SYM8751SP

Card Type

Hard drive controller card

Hard Drives supported

Up to 15 SCSI devices

Floppy drives supported

None

Data Bus

32-bit PCI

Card Size

Half-length, half-height card

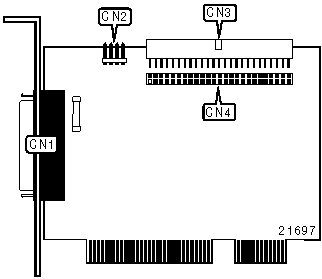
CONNECTIONS

Function

Location

Function

Location

68-pin SCSI connector - external

CN1

68-pin SCSI connector - internal

CN3

4-pin connector - drive active LED

CN2

50-pin SCSI connector - internal

CN4