BOCA RESEARCH, INC.

IO650

Card Type

Serial Card

Chipset/Controller

Unidentified

I/O Options

Serial ports (2)

Maximum DRAM

N/A

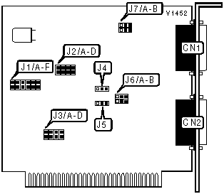
CONNECTIONS

Purpose

Location

Purpose

Location

Serial port 1

CN1

Serial port 2

CN2

SERIAL PORT 1 CONFIGURATION

COM

J7/A

J7/B

J4

»

COM3

Pins 2 & 3 closed

Pins 1 & 2 closed

Pins 2 & 3 closed

 

COM1

Pins 1 & 2 closed

Pins 1 & 2 closed

Pins 2 & 3 closed

 

COM2

Pins 1 & 2 closed

Pins 2 & 3 closed

Pins 2 & 3 closed

 

COM4

Pins 2 & 3 closed

Pins 2 & 3 closed

Pins 2 & 3 closed

 

Disabled

N/A

N/A

Pins 1 & 2 closed

SERIAL PORT 2 CONFIGURATION

COM

J6/A

J6/B

J5

»

COM4

Pins 2 & 3 closed

Pins 2 & 3 closed

Pins 2 & 3 closed

 

COM3

Pins 2 & 3 closed

Pins 1 & 2 closed

Pins 2 & 3 closed

 

COM1

Pins 1 & 2 closed

Pins 1 & 2 closed

Pins 2 & 3 closed

 

COM2

Pins 1 & 2 closed

Pins 2 & 3 closed

Pins 2 & 3 closed

 

Disabled

N/A

N/A

Pins 1 & 2 closed

SERIAL PORT 1 INTERRUPT SELECTION

IRQ

J2/A

J2/B

J2/C

J2/D

»

IRQ5

Open

Open

Closed

Open

 

IRQ3

Closed

Open

Open

Open

 

IRQ4

Open

Closed

Open

Open

 

IRQ9

Open

Open

Open

Closed

SERIAL PORT 2 INTERRUPT SELECTION

IRQ

J3/A

J3/B

J3/C

J3/D

»

IRQ9

Open

Open

Open

Closed

 

IRQ3

Closed

Open

Open

Open

 

IRQ4

Open

Closed

Open

Open

 

IRQ5

Open

Open

Closed

Open

SERIAL PORT I/O ADDRESS SELECTION/CLOCK SET

Address Pair

J1/A

J1/B

J1/C

J1/D

J1/E

J1/F

»

2C0h, 2C8h

Closed

Closed

Open

Open

Open

Open

 

2D0h, 2D8h

Open

Open

Closed

Closed

Open

Open

 

3C0h, 3C8h

Open

Open

Open

Open

Closed

Closed