ARNET CORPORATION
SYNC/570I
|
Card Type |
Serial |
|
Chip Set |
Hitachi |
|
Maximum Onboard Memory |
128KB RAM |
|
I/O Options |
Serial ports (4) |
|
Data Bus |
16-bit ISA |
|
CONNECTIONS | |||
|
Function |
Label |
Function |
Label |
|
Four-port daughterboard header |
J1 |
Two-port daughterboard header |
J2 |
|
USER CONFIGURABLE SETTINGS | |||
|
Setting |
Label |
Position | |
| » |
Fast Select enabled |
JP1 |
Pins 2 & 3 closed |
|
Fast Select disabled |
JP1 |
Pins 1 & 2 closed | |
|
BASE I/O ADDRESS | |||||||
|
Setting |
SW1/1 |
SW1/2 |
SW1/3 |
SW1/4 |
SW1/5 |
SW1/6 | |
|
000h |
On |
On |
On |
On |
On |
On | |
|
010h |
Off |
On |
On |
On |
On |
On | |
|
020h |
On |
Off |
On |
On |
On |
On | |
|
030h |
Off |
Off |
On |
On |
On |
On | |
|
040h |
On |
On |
Off |
On |
On |
On | |
| » |
300h |
On |
On |
On |
On |
Off |
Off |
|
3B0h |
Off |
Off |
On |
Off |
Off |
Off | |
|
3C0h |
On |
On |
Off |
Off |
Off |
Off | |
|
3D0h |
Off |
On |
Off |
Off |
Off |
Off | |
|
3E0h |
On |
Off |
Off |
Off |
Off |
Off | |
|
3F0h |
Off |
Off |
Off |
Off |
Off |
Off | |
|
Note: A total of 127 memory address settings are available. The switches are a binary representation of the hexadecimal memory addresses. SW1/7 is the Most Significant Bit and switch SW1/1 is the Least Significant Bit. The switches have the following hexadecimal values: SW1/6=200h, SW1/5=100h, SW1/4=80h, SW1/3=40h, SW1/2=20h, SW1/1=10h. Turn off the switches and add the values of the switches that are off to obtain the correct memory address. (Off=1, On=0) | |||||||
|
CONNECTIONS | |||
|
Function |
Label |
Function |
Label |
|
V.35 or V.24 serial ports via DB-37 |
CN1 |
Daughterboard header |
J1 |
|
Note: Serial ports are provided via included adapter cable. | |||
|
PORT 1 TYPE | |||||
|
Setting |
JP1 |
JP2 |
JP3 |
JP4 |
JP5 |
|
V.35 |
1 & 2 |
1 & 2 |
1 & 2 |
1 & 2 |
1 & 2 |
|
V.24 |
2 & 3 |
2 & 3 |
2 & 3 |
2 & 3 |
2 & 3 |
|
Note: Pins designated are in the closed position. | |||||
|
PORT 2 TYPE | |||||
|
Setting |
JP6 |
JP7 |
JP8 |
JP9 |
JP10 |
|
V.35 |
1 & 2 |
1 & 2 |
1 & 2 |
1 & 2 |
1 & 2 |
|
V.24 |
2 & 3 |
2 & 3 |
2 & 3 |
2 & 3 |
2 & 3 |
|
Note: Pins designated are in the closed position. | |||||
|
CONNECTIONS | |||
|
Function |
Label |
Function |
Label |
|
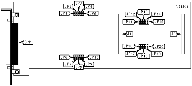
V.35 or V.24 serial ports via DB-62 |
CN1 |
Daughterboard header |
J2 |
|
Daughterboard header |
J1 | ||
|
Note: Serial ports are provided via included adapter cable. | |||
|
PORT 1 TYPE | |||||
|
Setting |
JP1 |
JP2 |
JP3 |
JP4 |
JP5 |
|
V.35 |
1 & 2 |
1 & 2 |
1 & 2 |
1 & 2 |
1 & 2 |
|
V.24 |
2 & 3 |
2 & 3 |
2 & 3 |
2 & 3 |
2 & 3 |
|
Note: Pins designated are in the closed position. | |||||
|
PORT 2 TYPE | |||||
|
Setting |
JP6 |
JP7 |
JP8 |
JP9 |
JP10 |
|
V.35 |
1 & 2 |
1 & 2 |
1 & 2 |
1 & 2 |
1 & 2 |
|
V.24 |
2 & 3 |
2 & 3 |
2 & 3 |
2 & 3 |
2 & 3 |
|
Note: Pins designated are in the closed position. | |||||
|
PORT 3 TYPE | |||||
|
Setting |
JP11 |
JP12 |
JP13 |
JP14 |
JP15 |
|
V.35 |
1 & 2 |
1 & 2 |
1 & 2 |
1 & 2 |
1 & 2 |
|
V.24 |
2 & 3 |
2 & 3 |
2 & 3 |
2 & 3 |
2 & 3 |
|
Note: Pins designated are in the closed position. | |||||
|
PORT 4 TYPE | |||||
|
Setting |
JP16 |
JP17 |
JP18 |
JP19 |
JP20 |
|
V.35 |
1 & 2 |
1 & 2 |
1 & 2 |
1 & 2 |
1 & 2 |
|
V.24 |
2 & 3 |
2 & 3 |
2 & 3 |
2 & 3 |
2 & 3 |
|
Note: Pins designated are in the closed position. | |||||
|
CONNECTIONS | |||
|
Function |
Label |
Function |
Label |
|
X.21 serial ports via DB-44 |
CN1 |
Daughterboard header |
J1 |
|
Note: Serial ports are provided via included adapter cable. | |||