STB SYSTEMS, INC.
FLASHCOM
|
Card Type |
Multi-I/O |
|
Chip Set |
Unidentified |
|
I/O Options |
Parallel port, serial ports (2) |
|
Maximum Onboard Memory |
None |
|
Data Bus |
8-bit ISA |
|
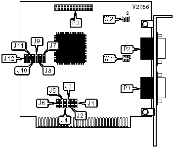
CONNECTIONS | |||
|
Function |
Label |
Function |
Label |
|
Serial port 1 |
P1 |
Parallel port |
P3 |
|
Serial port 2 |
P2 | ||
|
USER CONFIGURABLE SETTINGS | |||
|
Setting |
Label |
Position | |
| » |
Parallel port uses IRQ7 |
J1 |
Pins 1 & 2 closed |
|
Parallel port uses IRQ5 |
J1 |
Pins 2 & 3 closed | |
|
Parallel port is unidirectional |
J6 |
Open | |
|
Parallel port is bidirectional |
J6 |
Pins 2 & 3 closed | |
|
Pin 9 of serial port 1 is Ring Indicator |
W1 |
Pins 1 & 2 closed | |
|
Pin 9 of serial port 1 is +5VDC |
W1 |
Pins 3 & 4 closed | |
|
Pin 9 of serial port 2 is Ring Indicator |
W2 |
Pins 1 & 2 closed | |
|
Pin 9 of serial port 2 is +5VDC |
W2 |
Pins 3 & 4 closed | |
|
SERIAL PORT 1 ADDRESS | |||
|
Setting |
J7 |
J8 | |
| » |
COM1: (3F8h) |
Pins 1 & 2 closed |
Pins 1 & 2 closed |
|
COM2: (2F8h) |
Pins 2 & 3 closed |
Pins 1 & 2 closed | |
|
COM3: (3E8h) |
Pins 1 & 2 closed |
Pins 2 & 3 closed | |
|
Disabled |
Pins 2 & 3 closed |
Pins 2 & 3 closed | |
|
SERIAL PORT 2 ADDRESS | |||
|
Setting |
J9 |
J10 | |
| » |
COM2: (2F8h) |
Pins 1 & 2 closed |
Pins 1 & 2 closed |
|
COM3: (3E8h) |
Pins 2 & 3 closed |
Pins 1 & 2 closed | |
|
COM4: (2E8h) |
Pins 1 & 2 closed |
Pins 2 & 3 closed | |
|
Disabled |
Pins 2 & 3 closed |
Pins 2 & 3 closed | |
|
SERIAL PORT 1 INTERRUPT | |||
|
Setting |
J2 |
J3 | |
|
IRQ2 |
Open |
Pins 1 & 2 closed | |
|
IRQ3 |
Pins 1 & 2 closed |
Open | |
| » |
IRQ4 |
Pins 2 & 3 closed |
Open |
|
IRQ5 |
Open |
Pins 2 & 3 closed | |
|
SERIAL PORT 2 INTERRUPT | |||
|
Setting |
J4 |
J5 | |
|
IRQ2 |
Open |
Pins 1 & 2 closed | |
| » |
IRQ3 |
Pins 1 & 2 closed |
Open |
|
IRQ4 |
Pins 2 & 3 closed |
Open | |
|
IRQ5 |
Open |
Pins 2 & 3 closed | |
|
PARALLEL PORT ADDRESS | |||
|
Setting |
J11 |
J12 | |
| » |
378h |
Pins 1 & 2 closed |
Pins 1 & 2 closed |
|
278h |
Pins 1 & 2 closed |
Pins 2 & 3 closed | |
|
Disabled |
Pins 2 & 3 closed |
Pins 2 & 3 closed | |