LONGSHINE MICROSYSTEM, INC.
LCS-6812F
|
Card Type |
Floppy drive controller |
|
Chipset Controller |
Unidentified |
|
I/O Options |
Floppy drive interface (2) |
|
Maximum Dram |
N/A |
|
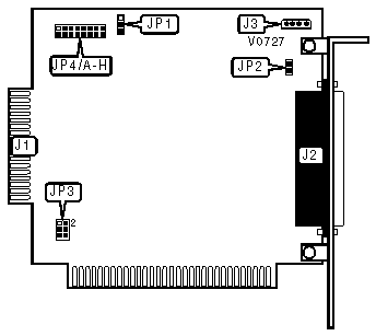
CONNECTIONS | |
|
Purpose |
Location |
|
Internal floppy interface |
J1 |
|
External floppy interface |
J2 |
|
DC power |
J3 |
|
I/O ADDRESS SELECT | |
|
Address |
JP1 |
|
Primary (3F0h-3F7h) |
Pins 1 & 2 closed |
|
Secondary (370h-377h) |
Pins 2 & 3 closed |
|
SYSTEM GROUND SELECT | |
|
Case Ground |
JP2 |
|
Connected |
Closed |
|
Not connected |
Open |
|
ROM ADDRESS SELECT | |
|
Address |
JP3 |
|
CA000h-CBFFFh |
Pins 1 & 2 closed |
|
CC000h-CDFFFh |
Pins 3 & 4 closed |
|
CE000h-CFFFFh |
Pins 5 & 6 closed |
|
FLOPPY TYPE SELECT | ||||||||
|
Drive |
Drive A |
Drive B |
Drive 3 |
Drive 4 | ||||
|
Type |
JP4/A |
JP4/B |
JP4/C |
JP4/D |
JP4/E |
JP4/F |
JP4/G |
JP4/H |
|
360KB |
Closed |
Closed |
Closed |
Closed |
Closed |
Closed |
Closed |
Closed |
|
1.2MB |
Closed |
Open |
Closed |
Open |
Closed |
Open |
Closed |
Open |
|
720KB |
Open |
Closed |
Open |
Closed |
Open |
Closed |
Open |
Closed |
|
1.44MB |
Open |
Open |
Open |
Open |
Open |
Open |
Open |
Open |