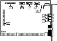
Sound/Multimedia. 16-bit ISA

A-ME

ACER
Sound Card
AW35 PRO AUDIO CARD
MIDI/game Port, microphone in, line in, line out, CD-ROM - audio connector
16-bit ISA

ACER OPEN
Sound card
ACERMAGIC S20 (M1 ENHANCED)
Audio in, CD-ROM audio, CD-ROM interface (4), game/MIDI port, microphone in, speaker/line out, volume, wavetable
16-bit ISA

ACER OPEN
Sound card
S30 16-BIT AUDIO CARD
CD-ROM interface, CD-ROM audio, game/MIDI port, line in, microphone in, PC speaker in, speaker/line out, volume, wavetable
16 -bit ISA

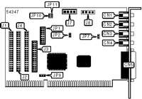
ACER, INC.
Sound card
AW35 AUDIO CARD
MIDI/Game port, Wavetable connector, microphone in, line in, line out, CD-ROM - audio connector
16-bit ISA

ACER, INC.
Sound Card
AW37
Microphone in, line in, line out, game/MIDI port, audio in - CD-ROM, mono in - modem, mono out - modem
16-bit ISA

ACER, INC.
Sound card
S22 AUDIO CARD
CD-ROM audio, CD-ROM interface, game port, line in, line out, microphone in, PC speaker in, speaker out, wavetable
16-bit ISA

ACER, INC.
Sound card
S23 AUDIO CARD
CD-ROM audio, CD-ROM interface, game port, line in, line out, microphone in, PC speaker in, speaker out, wavetable
16-bit ISA

ACER, INC.
Sound card
S611
CD-ROM ATAPI interface, game/MIDI port, microphone in, line in, speak/line out, CD-audio in (3), wavetable
16-bit ISA

ACER, INC.
Sound card
S613/S613L
CD-ROM ATAPI interface, game/MIDI port, microphone in (2), line in (2), line out (2), CD-audio in (3), wavetable, 3-D sound (S613 only)
16-bit ISA

ACER, INC.
Sound card
S629
CD-ROM ATAPI interface, game/MIDI port, microphone in (2), line in (2), speak/line out (2), CD-audio in (3), wavetable
16-bit ISA

ACER, INC.
Sound card
S711
Line ins (2), microphone ins (2), line out, game/MIDI port, audio in - CD-ROMs (3), wavetable connector, speaker/line out
16-bit ISA

ACQUIRE COMPUTER SYSTEMS, INC.
Sound card
ACS-275-11
CD-ROM interfaces, wave-table interface, game/MIDI port, line in, microphone in, line/speaker out, CD-ROM audio in (2)
16-bit ISA

ACS COMPUTER GROUP
Sound card
16PNP FD SOUND CARD
CD-ROM interface, CD-ROM audio in, game/MIDI port, audio line in (2), microphone in, speaker out, wavetable header
16-bit ISA

ACS COMPUTER GROUP
Sound card
LASERWAVE FUTURA 16
CD-ROM audio (2), CD-ROM interface (3), daughter board interface, game/MIDI port, line in, line out, microphone in, speaker out, wavetable connector
16 -bit ISA

ACS COMPUTER GROUP
Sound card
LASERWAVE NUCLEUS 16
Game port, MIDI port, line in, mic in, line out, speaker, volume control, CD-ROM interface (4), SCSI interface, SCSI-2 interface
16 -bit ISA

ACTION WELL DEVELOPMENT LTD.
Sound card
AA-1812
CD-ROM interface, game/MIDI port, wave table port, audio line in, audio out, microphone
16-bit ISA

ACTION WELL DEVELOPMENT, LTD.
Sound card
AA-1815B
Line in, audio in - CD-ROM (2), microphone in, game/MIDI port, speaker out
16-bit ISA

ADAPTEC, INC.
Sound card
AMM-525M

16-bit ISA

ADLIB MULTIMEDIA, INC.
Sound card
ASB 16 4D IDE
MIDI/game port, CD audio in (4), microphone in, line in, line/speaker out (2), wavetable, Adlib media connector, EIDE interface
16-bit ISA

ADLIB MULTIMEDIA, INC.
Sound card
ASB 16 IDE
MIDI/game port, CD audio in (4), microphone in, line in, line/speaker out, wavetable, Adlib media connector, EIDE interface
16-bit ISA

ADLIB MULTIMEDIA, INC.
Sound
ASB 32 WAVE IDE, ASB 32 WAVE 4D IDE, ASB 32 WAVE PRO, ASB 64 WAVE PRO
CD-ROM interface, game/MIDI port, microphone in, Audio in-CD-ROM (4), speaker/line out (2), line in
16-bit EISA

ADLIB MULTIMEDIA, INC.
Sound card
MSC 16, MSC 16 3D
Game/MIDI port, Wavetable connector, speaker/line out, microphone in, line in, CD Audio (2)
16-bit ISA

ADLIB MULTIMEDIA, INC.
Sound card
MSC 32 WAVE, MSC 32 WAVE 3D
Game/MIDI port, speaker/line out, microphone in, line in, CD Audio (2)
16-bit ISA

ADVANCED DIGITAL SYSTEMS
Sound card
ES-1868F/ESS PC STEREO SOUND CARD
Speaker/ line out (2), line in (2), CD-ROM interface, microphone in (2), game/MIDI port, wavetable connector, audio in-CD-ROM in (2), voice modem connector
16-bit ISA

ADVANCED GRAVIS COMPUTER TECHNOLOGY, LTD.
Sound card
ULTRA SOUND MAX V.2.1
Amplifier out, CD-ROM audio (3), CD-ROM interface (3), game/MIDI port, line in, line out, microphone in
16-bit ISA

ADVANCED GRAVIS COMPUTER TECHNOLOGY, LTD.
Sound wavetable card
ULTRASOUND ACE V.1.0
Line in, line out
16 -bit ISA

ASUS COMPUTER INTERNATIONAL
Sound card
I-A16C
Audio in - CD-ROM (3), line in, line out, speaker out, wavetable connector, microphone in, PC speaker in/out, game/MIDI port, volume control
16-bit ISA

ATI TECHNOLOGIES, INC.
Sound card
STEREO F/X-CD
CD-ROM audio, CD-ROM interface, external audio interface, game/MIDI port, line in, line out, microphone in, PC speaker connector, volume
16 -bit ISA

AVM TECHNOLOGY, INC.
Sound card
APEX
Line in, microphone in, line out, game/MIDI port, CD/auxiliary input, direct MIDI output
16-bit ISA

AZTECH LABS, INC.
Sound card
SC16
CD-ROM interface, game/MIDI port, audio line in, microphone, speaker
16-bit ISA

AZTECH LABS, INC.
Sound card
SC16-3D, SC16-3D (W)
Line in, microphone in, speaker/line out, game/MIDI port, audio in-CD-ROM, wavetable connector
16-bit ISA

AZTECH LABS, INC.
Sound card
SOUND GALAXY BASIC 16
CD audio in, CD-ROM interface (2), game/MIDI port, line in, line out, microphone in, phone in, speaker connector (2), wavetable interface
16 -bit ISA

AZTECH LABS, INC.
Sound
SOUND GALAXY NOVA 16 EXTRA
CD-ROM interface (3), CD Audio in, game/MIDI port, Line in, Line out,Speaker out, Multimedia PC speaker out, PC speaker in, Microphone jack, Wave table synthesis interface, Volume control
16 -bit ISA

AZTECH LABS, INC.
Sound
SOUND GALAXY NX PRO 16
CD-ROM interface (2), CD Audio in, game/MIDI port, Line in, Speaker out Microphone jack, Wave table synthesis interface, Volume control
16 -bit ISA

AZTECH LABS, INC.
Sound
SOUND GALAXY NXII EXTRA
CD-ROM interface (2), CD Audio in, game/MIDI port, Line in, Speaker out (2), Microphone jack, PC Speaker in, Volume control
16 -bit ISA

AZTECH LABS, INC.
Sound
SOUND GALAXY ORION 16
CD-ROM interface (3), SCSI/FM radio in, CD Audio in, game/MIDI port, Line in, Speaker out(2), Multimedia PC speaker out, PC speaker in, Microphone jack, Wave table interface, Antenna
16 -bit ISA

AZTECH LABS, INC.
Sound
SOUND GALAXY PRO 16 EXTRA
CD-ROM interface (2), SCSI expansion board, CD Audio in, game/MIDI port, Line in, Speaker out, Multimedia PC speaker out, PC speaker in, Microphone jack, Wave table interface
16 -bit ISA

AZTECH LABS, INC.
Sound card
SOUND GALAXY PRO 16 II
CD audio in, CD-ROM interface (3), game/MIDI port, line in connector, line in, line out connector, line out, microphone connector, microphone in, speaker jack, speaker connector, wavetable interface (2)
16 -bit ISA

AZTECH LABS, INC.
Sound card
SOUND GALAXY PRO 16III PNP, SOUND GALAXY PRO 16III 3D PNP
Game/MIDI port, line in (2), line out (2), microphone in (2), audio in - CD-ROM, CD-ROM connector
16-bit ISA

AZTECH LABS, INC.
Sound card
SOUND GALAXY STELLAR
CD audio in, CD-ROM interface (3), game/MIDI port, line in connector, line in, line out connector, line out, microphone connector, microphone in, PC speaker connector, speaker jack, speaker connector, wavetable interface (2)
16 -bit ISA

AZTECH LABS, INC.
Sound Card
SOUND GALAXY STELLAR 6X
CD-ROM audio in, CD-ROM interface, game/MIDI port, line in, line out, microphone port, MIDDI wavetable, EXPCON wavetable
16-bit ISA

AZTECH LABS, INC.
Sound Card
SOUND GALAXY VOYAGER 6X
IDE CD-ROM interface, game/MIDI port, Speaker, Microphone, Line in, Line out
16 -bit ISA

AZTECH LABS, INC.
Sound
SOUND GALAXY VOYAGER DELUXE
CD-ROM interface, CD Audio in, game/MIDI port, Line in, Line out (2), Speaker (2), Microphone jack (2), Wave table interface (2)
16 -bit ISA

AZTECH LABS, INC.
Sound
SOUND GALAXY WAVERIDER 32+
CD-ROM interface (4), Special effects board (2), CD Audio in, game/MIDI port, Line in, Line out (2), Speaker (2), Microphone jack (2), Wave table interface
16 -bit ISA

BEHAVIOR TECH COMPUTER CORPORATION
Sound card
1815 SOUND CONTROLLER (VER.1.0)
Game/MIDI port, Microphone in, Line in, Line out, Speaker out, CD-ROM connector, wave table synthesizer, CD-Audio in (2), MPEG connector
16-bit ISA

BEHAVIOR TECH COMPUTER CORPORATION
Sound Card
1831 SOUND CARD
Advanced signal processor socket, CD audio in, CD-ROM interfaces (3), game/MIDI port, line in, line out, microphone, pc speaker, speaker, wavetable connector
16-bit ISA

BEHAVIOR TECH COMPUTER CORPORATION
Sound card
185X SERIES SOUND CARD
Line in, microphone, Game/MIDI port, CD-ROM audio connector, external wavetable socket, CD-ROM interface, modem interface, volume control
16-bit ISA

BEHAVIOR TECH COMPUTER CORPORATION, INC.
Sound card
1833/1835 SOUND CARD
Game/MIDI port, line out, volume control, microphone in, line in, Mitsumi CD-ROM port, Panasonic CD-ROM port, Sony CD-ROM port, wavetable
16-bit ISA

BEST UNION ELECTRONICS CO., LTD.
Sound card
3D MELODY ISA SOUND CARD
Game/MIDI port, wavetable connector, speaker/line out, line in, microphone in, audio in - CD-ROM
16-bit ISA

BEST UNION ELECTRONICS CO., LTD.
Sound card
COMPUS SOUNDWAVE
Game/MIDI port, wavetable connector, audio in - CD-ROM(2), line in, line out, microphone in, speaker out
16-bit ISA

BEST UNION ELECTRONICS CO., LTD.
Sound card
MF-1868, MF-1869
Game/MIDI port, IDE interface, audio in - CD-ROM (3), wavetable connector, microphone in, line in, audio out
16-bit ISA

BEST UNION ELECTRONICS CO., LTD.
Sound card
MF-719
Game/MIDI port, audio in - CD-ROM(2), wavetable connector, line in, microphone in, audio out
16-bit ISA

BEST UNION ELECTRONICS CO., LTD.
Sound card
MISS MELODY MF-688SP PLUG & PLAY
CD-ROM audio (3), CD-ROM interface, game/MIDI port, line in (2), line out, microphone in, PC speaker in, speaker out, wavetable
16-bit ISA

BEST UNION ELECTRONICS CO., LTD.
Sound card
MM AUDIO TELEPHONY 3100
Game/MIDI port, line in, line out, microphone, telephone
16-bit ISA

CABLEFLEX, INC.
Sound card
UTC-4001A
CD-ROM audio in, game/MIDI port, FM radio connector, IDE interface, line in, line out, microphone in
16 -bit ISA

CHAINTECH COMPUTER COMPANY, INC.
Sound card
SQ-688
CD-ROM interface (3), MIDI/game port, CD audio in (3), microphone in, line in, headphone/speaker
16-bit ISA

CHAINTECH COMPUTER COMPANY, LTD.
Sound card
SQ-4232
Sony CD-ROM audio, Panasonic CD-ROM audio, Mitsumi CD-ROM audio, Game/MIDI port, microphone, volume, line in (2), speaker
16-bit ISA

CHAINTECH COMPUTER COMPANY, LTD.
Sound card
SQ-688C
Audio connector (3), CD-ROM IDE interface, game/MIDI port, line in, microphone in, line out, volume, wavetable interface
16-bit ISA

COMPAQ COMPUTER CORPORATION
Sound card
SOUND BOARD
Line in, Microphone in (2), volume control, stereo speaker out (2), mono speaker out, game/MIDI port, SCSI CD-ROM interface, CD-ROM audio out, PC speaker in
16 -bit ISA

CREATIVE LABS
Sound card
SOUNDBLASTER 16 MULTICD
CD-ROM interface (3), Game/MIDI port, wavetable, line in, line out, microphone in, speaker/line out, Audio in-CD-ROM, PC speaker connector
16-bit ISA

CREATIVE LABS
Sound card
VIBRA 16 (CT2801)
Game/MIDI port, Audio in - CD-ROM (2), line in, speaker/line out, microphone in, PC speaker
16-bit ISA

CREATIVE LABS, INC.
Sound card
16-BIT AUDIO CARD
CD-ROM interface, CD-ROM audio in (2), game/MIDI port, line in, line out, microphone in, PC speaker, speaker out, Wave Blaster
16-bit ISA

CREATIVE LABS, INC.
Sound card
16-BIT AUDIO CARD (IDE VER.1.0)
Game/MIDI port, CD-ROM audio in (2), IDE interface, microphone in, line in, line out, speaker out, wavetable connector, PC speaker connector
16-bit ISA

CREATIVE LABS, INC.
Sound card
16-BIT AUDIO CARD (MIDI VER.1)
Game/MIDI port, CD-ROM audio in , wavetable connector, microphone in, line in, line out, PC speaker connector
16-bit ISA

CREATIVE LABS, INC.
Sound card
16-BIT AUDIO CARD (MIDI VER.2)
Game/MIDI port, CD-ROM audio in , microphone in, line in, line out, speaker out, wavetable connector, PC speaker connector
16-bit ISA

CREATIVE LABS, INC.
Sound card
16-BIT AUDIO CARD (MIDI VER.3)
Game/MIDI port, CD-ROM audio in, microphone in, line in, line out, speaker out, wavetable connector, PC speaker connector
16-bit ISA

CREATIVE LABS, INC.
Sound card
16-BIT AUDIO CARD (PANASONIC/SONY/MITSUMI INTERFACE)
Advanced Signal Processor, CD-ROM interface (3), CD-ROM audio in, game/MIDI port, line in, line out, microphone in, PC speaker, speaker out, wavetable
16-bit ISA

CREATIVE LABS, INC.
Sound card
16-BIT AUDIO CARD (SBV16S)
CD-ROM interface, game port, IDE interface
16-bit ISA

CREATIVE LABS, INC.
Sound card
ADVANCED WAVE TABLE UPGRADE, SOUNDBLASTER AWE32 (CT1922)
Line out, SPDIF (digital interface format) connector
16-bit ISA

CREATIVE LABS, INC.
Sound card
CT4380, SOUNDBLASTER AWE64
Game/MIDI port, IDE interface, line in/out, microphone jack, PC speaker connector, speaker/line out, PC speaker connector, Audio in - CD-ROM (2)
16-bit ISA

CREATIVE LABS, INC.
Sound card
CT4390, SOUNDBLASTER AWE64 GOLD
Game/MIDI port, line in, microphone jack, audio out, Audio in-CD-ROM (2)
16-bit ISA

CREATIVE LABS, INC.
Sound card
SOUND & CD-ROM CARD
CD-ROM audio (2), CD-ROM interface (3), game/MIDI port, line in, microphone in, speaker out, volume
16 -bit ISA

CREATIVE LABS, INC.
Sound card
SOUND BLASTER 16 VALUE PNP (CT4181)
CD-ROM audio interface, game port
16-bit ISA

CREATIVE LABS, INC.
Sound card
SOUND BLASTER AWE32
CD-ROM interface, game/MIDI port, headphone jack, audio line in/line-out, microphone jack, speaker jack
16 -bit ISA

CREATIVE LABS, INC.
Sound Card
SOUNDBLASTER 16
CD-ROM interface game/MIDI port, line in, microphone jack, speaker, volume control
16 -bit ISA

CREATIVE LABS, INC.
Sound card
SOUNDBLASTER 16 (CT2740 & CT2749)
Microphone connector, line in connector, speaker out, game/MIDI port, PC internal speaker, CD-ROM audio in connector, CD-ROM interface, feature connector
16-bit ISA

CREATIVE LABS, INC.
Sound card
SOUNDBLASTER 16 (CT2962)
Game/MIDI port, CD-ROM audio in , wavetable connector, microphone in (2), line in, line out, PC speaker connector, AUX connector (2), voice modem connector
16-bit ISA

CREATIVE LABS, INC.
Sound card
SOUNDBLASTER 16 (VER.3)
CD-ROM interface, game/MIDI port, Line in, Line out, Speaker/line out, Microphone, CD-ROM audio in (2), PC speaker connector
16-bit ISA

CREATIVE LABS, INC.
Sound card
SOUNDBLASTER 16 ASP (CT1740 & CT1730)
CD-ROM interface, microphone connector, line in connector, speaker out connector, game/MIDI port, PC internal speaker, CD-ROM audio in connector, feature connector, volume control
16-bit ISA

CREATIVE LABS, INC.
Sound card
SOUNDBLASTER 16 ASP (CT2230C & CT2239C)
Line in connector, microphone in connector, line out connector, speaker out connector, game/MIDI port, CD-ROM audio in connector, CD-ROM interfaces (3), PC internal speaker, feature connector
16-bit ISA

CREATIVE LABS, INC.
Sound card
SOUNDBLASTER 16 BASIC (CT2961)
Game/MIDI port, line in, microphone in(2), line out, speaker out, PC speaker connector, Audio in CD-ROM (3)
16-bit ISA

CREATIVE LABS, INC.
Sound card
SOUNDBLASTER 16 IDE CSP (CT2830 & CT2839)
Line in connector, microphone in connector, line out connector, speaker out connector, game/MIDI port, CD-ROM audio in connector, CD-ROM interface, PC internal speaker, feature connector
16-bit ISA

CREATIVE LABS, INC.
Sound card
SOUNDBLASTER 16 MCD ASP(CT2230 & CT2239)
CD-ROM interface, line in connector, line out connector, microphone connector ,game/MIDI port, PC internal speaker, feature connector
16-bit ISA

CREATIVE LABS, INC.
Sound card
SOUNDBLASTER 16 PRO CSP (CT2290, CT2299, CT2291)
CD-ROM interfaces (2), microphone connector, line in connector, line out connector, speaker out connector, game/MIDI port, PC internal speaker, CD-ROM audio in connectors (2), feature connector
16-bit ISA

CREATIVE LABS, INC.
Sound card
SOUNDBLASTER 16 PRO CSP (CT2910 & CT2919)
Line in connector, microphone in connector, line out connector, speaker out connector, game/MIDI port, CD-ROM audio in connectors (2), CD-ROM interfaces (2), PC internal speaker, feature connector
16-bit ISA

CREATIVE LABS, INC.
Sound card
SOUNDBLASTER 16 SCSI-2
CD-ROM interface, game/MIDI port, Line in, Speaker/Line out, CD Audio, microphone in, SCSI interface, PC speaker connector, volume control
16-bit ISA

CREATIVE LABS, INC.
Sound card
SOUNDBLASTER 16 SCSI-2 ASP (CT1770 & CT1779)
Microphone connector, line in connector, speaker out connector, game/MIDI port, PC internal speaker, CD-ROM audio in connector, SCSI-2 interface , feature connector
16-bit ISA

CREATIVE LABS, INC.
Sound card
SOUNDBLASTER 16 SONY ASP (CT2230S), SOUNDBLASTER 16 SONY (CT2239S)
Game/MIDI port, CD-ROM interface, speaker out, line out, line in, microphone in, CD-ROM audio in, PC speaker connector
16-bit ISA

CREATIVE LABS, INC.
Sound card
SOUNDBLASTER 16 VALUE
Line in connector, microphone in connector, line out connector, speaker out connector, game/MIDI port, CD-ROM audio in connectors (2), CD-ROM interface, PC internal speaker, feature connector
16-bit ISA

CREATIVE LABS, INC.
Sound card
SOUNDBLASTER 16 VALUE IDE (CT2291)
Game/MIDI port, IDE interface connector, speaker out, line out, line in, microphone in, CD-ROM audio in (2), PC speaker connector, wavetable connector
16-bit ISA

CREATIVE LABS, INC.
Sound card
SOUNDBLASTER 16 VER. 2
CD ROM interface, game/MIDI port, line in, microphone jack, MIDI extension port, speaker, volume control
16 -bit ISA

CREATIVE LABS, INC.
Sound card
SOUNDBLASTER 16 WAVEFFECTS (CT4171)
Game/MIDI port, line in, microphone in (2), speaker/line out, Audio in CD-ROM (2), PC speaker connector
16-bit ISA

CREATIVE LABS, INC.
Sound card
SOUNDBLASTER 16MCD ASP (CT1750 & CT1759)
CD-ROM interface, microphone connector, line in connector, speaker out connector, game/MIDI port, PC internal speaker, CD-ROM audio in connectors (3), feature connector
16-bit ISA

CREATIVE LABS, INC.
Sound card
SOUNDBLASTER 32 (CT3930)
CD-ROM interface, microphone connector, line in connector, line out connector, peaker out connector, game/MIDI port, PC internal speaker, CD-ROM audio in connectors (2)
16-bit ISA

CREATIVE LABS, INC.
Sound card
SOUNDBLASTER 32 IDE PNP (CT3600)
Game/MIDI port, CD-ROM interface, speaker out, line out, line in, microphone in, CD-ROM audio in (2), PC speaker, SPDIF (digital interface format) connector
16-bit ISA

CREATIVE LABS, INC.
Sound card
SOUNDBLASTER AWE32 (CT2760 REV. 3)
CD-ROM interfaces (3), microphone connector, line in connector, line out connector, speaker out connector, game/MIDI port, PC internal speaker, CD-ROM audio in connector, feature connector
16-bit ISA

CREATIVE LABS, INC.
Sound card
SOUNDBLASTER AWE32 (CT2760)
CD-ROM interfaces (3), microphone connector, line in connector, line out connector, speaker out connector, game/MIDI port, PC internal speaker, CD-ROM audio in connector, feature connector
16-bit ISA

CREATIVE LABS, INC.
Sound card
SOUNDBLASTER AWE32 (CT3780)
Game/MIDI port, CD-ROM interface (3), speaker out, line out, line in, microphone in, CD-ROM audio in, PC speaker connector
16-bit ISA

CREATIVE LABS, INC.
Sound card
SOUNDBLASTER AWE32 IDE (CT3980)
CD-ROM interface, microphone connector, line in connector, line out connector, speaker out connector, game/MIDI port, PC internal speaker, CD-ROM audio in connectors (2)
16-bit ISA

CREATIVE LABS, INC.
Sound card
SOUNDBLASTER AWE32 IDE (CT3990 & CT3999)
CD-ROM interface, microphone connector, line in connector, line out connector, speaker out connector, game/MIDI port, PC internal speaker, CD-ROM audio in connectors (2), feature connector
16-bit ISA

CREATIVE LABS, INC.
Sound card
SOUNDBLASTER AWE32 IDE/MKP CSP (CT3900)
CD-ROM interfaces (2), microphone connector, line in connector, line out connector, speaker out connector, game/MIDI port, PC internal speaker, CD-ROM audio in connectors (2), feature connector
16-bit ISA

CREATIVE LABS, INC.
Sound card
SOUNDBLASTER AWE32 VALUE (CT3780)
Line in connector, microphone in connector, line out connector, speaker out connector, game/MIDI port, CD-ROM audio in connector, CD-ROM interfaces (3), PC internal speaker
16-bit ISA

CREATIVE LABS, INC.
Sound card
SOUNDBLASTER AWE32 VALUE IDE (CT3919 & CT3910)
Line in connector, microphone in connector, line out connector, speaker out connector, game/MIDI port, CD-ROM audio in connector, CD-ROM interface, PC internal speaker
16-bit ISA

CREATIVE LABS, INC.
Sound card
SOUNDBLASTER AWE64 VALUE (CT4500)
Line in, microphone in, line out speaker out, game/MIDI port, audio in -CD-ROM , PC speaker connector
16-bit ISA

CREATIVE LABS, INC.
Sound card
SOUNDBLASTER AWE64 VALUE (CT4520)
Game/MIDI port, line in, microphone in (2), line out (2), speaker out (2), PC speaker connector, Audio in CD-ROM, memory upgrade connector, feature connector
16-bit ISA

CREATIVE LABS, INC.
Sound card
SOUNDBLASTER EASY 16 ASP (CT2750 & CT2759)
Line out connector, game/MIDI port, feature connector
16-bit ISA

CREATIVE LABS, INC.
Sound card
SOUNDBLASTER PRO (VER.2)
CD-ROM interface, game/MIDI port, line in, microphone in, PC internal speaker, speaker out, volume
16-bit ISA

CREATIVE LABS, INC.
Sound Card
SOUNDBLASTER PRO 2 (CT1600)
CD-ROM interface, Game/MIDI port, line in, microphone jack, speaker, volume control
16-bit ISA

CREATIVE LABS, INC.
Sound card
SOUNDBLASTER VALUE 16 (CT2770)
Line in connector, microphone in connector, line out connector, speaker out connector, game/MIDI port, CD-ROM audio in connector, CD-ROM interface, PC internal speaker
16-bit ISA

CREATIVE LABS, INC.
Sound card
VIBRA 16
Game/MIDI port, CD-ROM audio in (2), microphone in, line in, line out, speaker out, wavetable connector, PC speaker connector
16-bit ISA

DATAEXPERT CORPORATION
Sound card
MED1600
CD-ROM interface (3), daughter board connector, audio in - CD-ROM (2), speaker out, line out, line in, microphone in, game/MIDI port
16-bit ISA

DATAEXPERT CORPORATION
Sound card
MED3201
Line in (2), line out (2), speaker out (2), microphone in (2), game/MIDI port, audio in - CD-ROM (3), PC speaker out
16-bit ISA

DATAEXPERT CORPORATION
Sound card
MED3700
Wavetable connector, audio in - CD-ROM (3), game port, mono in, speaker out (2), line in (2), microphone in (2)
16-bit ISA

DATAEXPERT CORPORATION
Sound card
MED3931
Speaker out (2), line in (2), microphone in (2), game port, Audio in - CD-ROM (2), unidentified connector, wavetable connector
16-bit ISA

DELL COMPUTER CORPORATION
Sound card
WINDOWS SOUND SYSTEM BOARD
Speaker/Line out, Line out (2), Line in, Microphone jack
8/16-bit ISA

DIALOGIC
Voice Processing Board
D/41E
RJ11 (4)
16 -bit ISA

DIALOGIC
Voice processor
D/81A, D/121A, D/121B

16 -bit ISA

DIALOGIC CORPORATION
Voice processor card
D/21H
RJ-11 jacks (2)
16-bit ISA

DIALOGIC CORPORATION
Voice processor card
D/41ESC
RJ-11 jacks (4), 20-pin AEB connector, 26-pin PEB connector
16-bit ISA

DIALOGIC CORPORATION
Voice processor card
D/41H
RJ-11 jacks (4)
16-bit ISA

DIALOGIC CORPORATION
Voice processor card
D/42-NE2
RJ-14 ports (4), 26-pin PEB connector
16-bit ISA

DIALOGIC CORPORATION
Voice processor card
D/42-NS
RJ-14 ports (4), 26-pin PEB connector, 4-pin connector
8-bit ISA

DIALOGIC CORPORATION
Voice processor card
VFX/40ESC PLUS
RJ-11 jacks (4), 20-pin AEB connector, 26-pin PEB connector
16-bit ISA

DIAMOND FLOWER, INC.
Sound card
ESC-16
Game/MIDI port, CD-ROM Interface, wavetable connector, speaker/line out, line in, microphone in, audio in - CD-ROM, speaker in
16-bit ISA

DIAMOND FLOWER, INC.
Sound card
MOZART-16
CD-ROM interface (4), game/MIDI port, speaker out, line out, line in, microphone in, audio in – CD-ROM (2), daughter card connector
16-bit ISA

DIAMOND FLOWER, INC.
Sound card
ORCHESTRA-16 (REV.0)
IDE interface, wavetable connector, remote volume control connector, audio in - CD-ROM (3), speaker out, line/headphone out, line in, microphone in, game/MIDI port
16-bit ISA

DIAMOND FLOWER, INC.
Sound card
SC-200
CD-ROM interface, game/MIDI port, speaker/line out, line in, Audio in - CD-ROM, wavetable connector
16-bit ISA

DIAMOND FLOWER, INC.
Sound card
SC-200 (Rev. B+)
Game/MIDI, CD-ROM Interface, Wavetable connector, Speaker/line out, Line in, Microphone in, CD-ROM Audio in
16-bit ISA

DIAMOND FLOWER, INC.
Sound card
SC-211/AUDIO 1868
CD-ROM interface, Game port, Microphone jack, Line in, Speaker connector, CD audio in (2), Feature connector
16-bit ISA

DIAMOND FLOWER, INC.
Sound card
SC201 (REV. A+)
Game/MIDI port, wavetable connector, audio in - CD-ROM, line in, microphone in, speaker/line out, CD-ROM interface.
16-bit ISA

DIAMOND FLOWER, INC.
Sound card
SC201 (REV.B+)
Game/MIDI port, wavetable connector, speaker/line out, line in (2), microphone in, audio in - CD-ROM
16-bit ISA

DIAMOND FLOWER, INC.
Sound card
SC201WS
Game/MIDI port
16-bit ISA

DIAMOND FLOWER, INC.
Sound card
SC201WS
Game/MIDI port, speaker/line out, line in (2), microphone in, audio in - CD-ROM
16-bit ISA

DIAMOND MULTIMEDIA SYSTEMS, INC.
Audio card
SONIC SOUND LX
MIDI, Line in, Line out, Microphone in, Speaker out, Mitsumi CD, Panasonic CD, Sony CD, Sony audio, Mitsumi/Panasonic audio connectors
16 -bit ISA

ELETECH ENTERPRISE CO., LTD.
Voice card
V-LINK/2 (VP-892)
Line1, line 2, microphone in, tape in, speaker out
16-bit ISA

ELETECH ENTERPRISE CO., LTD.
Voice card
V-LINK/2C (VP-892CPM)
Line1, line 2, microphone in, tape in, speaker out
16-bit ISA

ELITEGROUP COMPUTER SYSTEMS, INC.
Sound card
AI-101 (V1.0)
Game port, IDE CD-ROM interface, CD-ROM interface (3), Wave table, Speaker, CD-ROM audio in (3)
16-bit ISA

ENSONIQ CORPORATION
Sound card
ENSONIQ SOUNDSCAPE-OPUS (VER.1)
Audio line in, Audio line out, CD-ROM audio connectors (2), Microphone, MIDI/game port
16-bit ISA

ENSONIQ CORPORATION
Sound card
ENSONIQ SOUNDSCAPE-OPUS (VER.2)
Audio line in, Audio line out, CD-ROM audio connectors (2), Microphone, MIDI/game port
16-bit ISA

[no image]ENSONIQ CORPORATION
Sound card
ENSONIQ SOUNDSCAPE-OTTO (VER.3)
Audio line in, Audio line out, CD-ROM audio connectors (2), Microphone, MIDI/game port
16-bit ISA

ENSONIQ CORPORATION
Sound card
ENSONIQ VIVO
Audio line in, Audio line out, CD-ROM connectors (2), Microphone, MIDI/game port, TAD connector, TV tuner/IDE/Sony CD-ROM audio connector
16-bit ISA

ENSONIQ CORPORATION
Sound Card
SOUNDSCAPE VIVO 90
CD-ROM interfaces (3), game port, microphone, line in, line out
16-bit ISA

ESS TECHNOLOGY, INC.
Sound card
ESS1688
Game/MIDI port, Wave table interface, CD-ROM audio in (2), Line out jack, Line in jack, Microphone jack
16-bit ISA

FORMOSA INDUSTRIAL COMPUTING, INC.
Sound card
CINAACTION SC1630
CD-ROM audio (3), CD-ROM interface, game/MIDI port, line in, microphone in, MPC line in, MPC microphone in, MPC speaker out, PC speaker out, speaker out, wavetable
16-bit ISA

FRONT RANGE COMPUTER CORPORATION
Sound card
SEVEN FALLS
CD-ROM audio (3), CD-ROM interface (3), game/MIDI port, IDE interface, line in, line/speaker out, microphone, wavetable, headphone
16-bit ISA

GEMTEK TECHNOLOGY CO., LTD
Sound card
FM RADIO SOUND CARD
Game/MIDI port, audio in - CD-ROM (2), speaker out, antenna in, wavetable connector, microphone in, line in
16-bit ISA

GENOA SYSTEMS CORPORATION
Sound card
AUDIOBLITZ A3300, A3400
CD-ROM interface (3), MIDI/game port, CD audio in (3), microphone in, optional microphone in, line in, optional line in, line out, optional line out, speaker out, optional speaker out, daughter board connections
16-bit ISA

GENOA SYSTEMS CORPORATION
Sound card
AUDIOBLITZ A3320
CD-ROM interface (4), MIDI/game port, CD audio in (3), microphone in, line in, line out, speaker out, wavetable
16-bit ISA

HANME INTERNATIONAL
Sound card
SOUNDTRACK 128 RUBY, SOUNDTRACK 128 GOLD
Game/MIDI port, speaker jack (2), audio in - CD-ROM, line in (2). line out, microphone in, video in, phone in
16-bit ISA

I/OMAGIC CORPORATION
Sound card
INTERWAVE-32
CD-ROM interface, game/MIDI port, line in (2), microphone in, line out, audio in - CD-ROM (3)
16-bit ISA

I/OMAGIC CORPORATION
Sound card
MAGICSOUND-16
CD-ROM interface, line in (2), microphone jack, speaker/line out, game/MIDI port, audio in - CD-ROM (2), wavetable connector
16-bit ISA

I/OMAGIC CORPORATION
Sound card
OPTI924/925
CD-ROM interface, wavetable connector, line in (3), microphone in, speaker/line out, game/MIDI port, audio in - CD-ROM (3)
16-bit ISA

IBM CORPORATION
Sound card
16-BIT ADVANCED WAVETABLE SOUND CARD
Audio out, CD-ROM audio, external in, game/MIDI port, microphone in, PC speaker
16-bit ISA

IBM CORPORATION
Sound card
APTIVA LEVEL 3 SOUND CARD
Game/MIDI port, audio out, microphone in, line in, Audio in - CD-ROM, PC speaker
16-bit ISA

IBM CORPORATION
Sound card
APTIVA LEVEL 4 SOUND CARD
Game/MIDI port, line in, microphone in, audio out, CD-Audio in, PC speaker
16-bit ISA

IBM CORPORATION
Sound card
APTIVA SOUND CARD
Game/MIDI port, line out, line in, microphone in, CD-ROM connector, Video conference connector, TV connector
16-bit ISA

IBM CORPORATION
Sound card
EASY OPTIONS PROFESSIONAL AUDIO CARD AC523, EASY OPTIONS SOUND CARD CD651
Audio extension connector, CD-ROM audio, CD-ROM interface, game/MIDI port, line in, microphone in, MIDI extension connector, PC speaker, speaker out, volume
16-bit ISA

IBM CORPORATION
Sound card
ISA SOUND CARD
CD-ROM interfaces (3), game/MIDI port, line in, microphone in, speaker out, line out, CD-ROM audio in (2)
16-bit ISA

IBM CORPORATION
Sound card
ISP-16
CD-ROM interfaces (3), CD-ROM audio in (2), game/MIDI port, line in, line out, microphone in, speaker out
16-bit ISA

IET STARTECH
Sound card
SOUNDSTAR E-15-140 (VER. 2.3)
CD-ROM audio (4), CD-ROM interface (4), game/MIDI port, line in, microphone in, PC speaker in, PC speaker out, speaker out, volume, wavetable
16 -bit ISA

IPC CORPORATION, LTD.
Sound card
IPC AUDIO BOARD
CD-ROM audio in (3), CD-ROM interface (4), game/MIDI port, line in, line out, microphone in, speaker out, wavetable connector
16 -bit ISA

IPC CORPORATION, LTD.
Sound card
IPC DSP-16
CD audio in, CD-ROM interface, game/MIDI port, line in, line out, microphone in, PC-speaker, speaker out, wavetable synthesis ROM
16 -bit ISA

IPC CORPORATION, LTD.
Sound card
IPC DSP-16 PLUS/DSP-16 SCSI
CD audio in, CD-ROM interface (2), game/MIDI port, line in, line out, microphone in, PC-speaker, speaker out, wavetable synthesis ROM
16 -bit ISA

IPC CORPORATION, LTD.
Sound card
IPC ISP-16
CD-ROM audio in (2), CD-ROM interface (2), game/MIDI port, line in, line out, microphone in, speaker out
16 -bit ISA

J-BOND COMPUTER SYSTEMS CORPORATION
Sound card
PROACTIVE 3D SOUND EFFECTS CARD
Audio in - CD-ROM (3), Microphone in, line in, line out, speaker out, game/MIDI port
16-bit ISA

J-MARK COMPUTER CORPORATION
Sound card
J-1719
Audio in - CD-ROM, game port, MIDI extension
16-bit ISA

J-MARK COMPUTER CORPORATION
Sound card
J-MED1930
CD-ROM interface, game port, IDE interface
16-bit ISA

J-MARK COMPUTER CORPORATION
Sound card
J-MED1931B
CD-ROM interface, game port
16-bit ISA

KT TECHNOLOGY PTE LTD.
Sound card
SOUND ZAPPER PRO 2
CD-ROM audio (3), game/MIDI port, line in, microphone, speaker, volume
16 -bit ISA

KYE INTERNATIONAL CORPORATION
Sound card
SOUND MAKER 16IE
CD-ROM audio, CD-ROM interface, game/MIDI port, line in, microphone in, PC speaker in, speaker out, volume, wavetable
16-bit ISA

KYE INTERNATIONAL CORPORATION
Sound card
SOUND MAKER 16PNP
CD-ROM audio (2), CD-ROM interface, game/MIDI port, line in (2), line out (2), microphone (2), speaker/headphone (2), 3D connector, wavetable
16-bit ISA

LABWAY CORPORATION
Sound card
ES1868 PnP with 3D/WT/IDE/POWER AMP, ES1868 PnP with WT/IDE/POWER AMP
CD-ROM audio (2), CD-ROM IDE interface, game/MIDI port, line in (2), speaker/line out (2), microphone in (2), wavetable
16-bit ISA

LABWAY CORPORATION
Sound card
ES1868 PnP with WT
CD-ROM audio (2), game/MIDI port, line in (2), line out (2), microphone in (2)
16-bit ISA

LABWAY CORPORATION
Sound card
ES1868 PnP with WT/ POWER AMP
CD-ROM audio (2), game/MIDI port, line in (2), speaker/line out (2), microphone in (2), wavetable
16-bit ISA

LABWAY CORPORATION
Sound card
ES1868 PnP, ES1868 PnP 3D
CD-ROM audio (2), CD-ROM interface, game/MIDI port, line in, line out, microphone in, speaker out, wavetable, 3D sound (3D only)
16-bit ISA

LABWAY CORPORATION
Sound card
LABSOUND #1760
CD-ROM audio (2), CD-ROM interface, game/MIDI port, line in (2), line out (2), microphone in (2), speaker out (2), wavetable
16-bit ISA

LABWAY CORPORATION
Sound card
LABSOUND #1761
CD-ROM audio (2), CD-ROM interface, daughter board connector, game/MIDI port, line in (2), line out (2), microphone in (2), speaker out (2), wavetable
16-bit ISA

LABWAY CORPORATION
Sound card
LABSOUND #500
Audio in - CD-ROM (2), wavetable, game/MIDI, IDE CD-ROM interface, PC speaker, microphone in, line in, speaker out, volume control
16-bit ISA

LABWAY CORPORATION
Sound card
LABSOUND #503
CD-ROM audio (2), CD-ROM interface, game/MIDI port, line in, microphone in, PC speaker in, speaker out, volume, wavetable
16-bit ISA

LABWAY CORPORATION
Sound card
LABSOUND #760
IDE CD-ROM interface, audio in - CD-ROM (2), speaker out (2), line out (2), line in (2), microphone in (2), game/MIDI port, wavetable connector
16-bit ISA

LABWAY CORPORATION
Sound card
LABSOUND #770
CD-ROM audio (2), CD-ROM interface, game/MIDI port, line in (2), line out (2), microphone in (2), speaker out (2), 3D-sound expansion, wavetable
16-bit ISA

LABWAY CORPORATION
Sound card
LABSOUND #800
CD-ROM audio (2), CD-ROM interface, game/MIDI port, line in (2), line out (2), microphone in (2), speaker out (2)
16-bit ISA

LABWAY CORPORATION
Sound card
LABSOUND 92X
CD-ROM audio (2), game/MIDI port, line in (2), line out (2), microphone in (2), wavetable
16-bit ISA

LABWAY CORPORATION
Sound card
LABSOUND 92X with 3D/IDE/POWER AMP
CD-ROM audio (2), CD-ROM IDE interface, game/MIDI port, line in (2), speaker/line out (2), microphone in (2), wavetable
16-bit ISA

LABWAY CORPORATION
Sound card
LABSOUND 92X with IDE/POWER AMP
CD-ROM audio (2), CD-ROM IDE interface, game/MIDI port, line in (2), speaker/line out (2), microphone in (2), wavetable
16-bit ISA

LABWAY CORPORATION
Sound card
LABSOUND 92X with POWER AMP
CD-ROM audio (2), game/MIDI port, line in (2), speaker/line out (2), microphone in (2), wavetable
16-bit ISA

LABWAY CORPORATION
Sound card
LABWAVE #2620
CD-ROM audio (2), CD-ROM interface, game/MIDI port, line in, line out, microphone in, speaker out, 3D-sound expansion
16-bit ISA

LASONIC ELECTRONICS CORPORATION
Sound card
LSO-320
CD-ROM audio (3), CD-ROM interface (4), game/MIDI port, line in, microphone/line out, microphone in, speaker out
16-bit ISA

MECER CORPORATION
Sound Card
B-303
CD audio(2), CD-ROM interface(3), line in, line out, microphone in(2), SCSI interface, speaker out
16 -bit ISA

MEDIA FORTE PRODUCTS PTE., LTD.
Sound card
RADIO-3DX (SF16-FMD)
Game port, FM radio, audio line-in, microphone, speaker, antenna, audio CD
16-bit ISA

MEDIA VISION TECHNOLOGY, INC.
Sound card
16-BIT AUDIO CARD
Game/MIDI port, CD-ROM audio in (2), IDE interface, microphone in, stereo line in, stereo line out, speaker out, PC speaker connector
16-bit ISA

MEDIA VISION TECHNOLOGY, INC.
Sound card
700-1031-11 (SANYO 94S/60)
Aux in, CD audio in, game/MIDI port, line out, microphone in, SCSI interface, speaker jack
16-bit ISA

MEDIA VISION TECHNOLOGY, INC.
Sound card
700-1113-02 (5302B/152)
CD audio in, CD-ROM interface, game/MIDI port, line in, line/speaker out, microphone in, wavetable interface
16 -bit ISA

MEDIA VISION TECHNOLOGY, INC.
Sound card
700-1127-01 (SA254S/111)
CD audio in, gain control, game/MIDI port, line in, line/speaker out, microphone in, SCSI interface, wavetable interface
16 -bit ISA

MEDIA VISION TECHNOLOGY, INC.
Sound card
700-1166-01 (94A/66)
CD audio in, CD-ROM interface, game/MIDI port, line in, line/speaker out, microphone in, volume
16 -bit ISA

MEDIA VISION TECHNOLOGY, INC.
Sound card
700-1169-01 (SA94S/87)
CD audio in, CD-ROM interface, game/MIDI port, line in, line/speaker out, microphone in, volume
16 -bit ISA

MEDIA VISION TECHNOLOGY, INC.
Sound card
DELUXE SOUND BOARD (650-0123-01)
CD-ROM interface (3), game/MIDI port, CD-audio in (3), wavetable connector, microphone in, speaker out, line in
16-bit ISA

MEDIA VISION TECHNOLOGY, INC.
Sound card
DELUXE SOUND CARD
CD-ROM audio in (3), CD-ROM interface (3), game/MIDI port, line in, line out, microphone, wavetable connector (2)
16 -bit ISA

MEDIA VISION TECHNOLOGY, INC.
Sound card
DOUBLE FUSION LX LSMI (650-0082-03)
Game/MIDI port, microphone in, stereo line in, stereo line out, audio in, LMSI connector
16-bit ISA

MEDIA VISION TECHNOLOGY, INC.
Sound card
FUSION CD 16
CD-ROM audio in, CD-ROM interface, game/MIDI port (2), line in, microphone in, speaker out
16 -bit ISA

MEDIA VISION TECHNOLOGY, INC.
Sound card
FUSION CD16 REV. D (650-0032-01)
Game/MIDI port, audio in (2), CD-interface, microphone in, stereo line in, stereo line out, PC speaker connector
16-bit ISA

MEDIA VISION TECHNOLOGY, INC.
Sound card
FUSION CD16 S/E LMSI (650-0042-01)
Game/MIDI port, audio in (2), CD-interface, microphone in, stereo line in, stereo line out, LMSI connector, PC speaker connector
16-bit ISA

MEDIA VISION TECHNOLOGY, INC.
Sound card
GETTING STARTED(SANYO 94A/123)
CD-ROM audio in (3), CD-ROM interface (3), game/MIDI port, line in, line out, microphone, wavetable connector
16 -bit ISA

MEDIA VISION TECHNOLOGY, INC.
Sound card
GUIDE PREMIUM 3D MCD
CD audio in (3), CD-ROM interface (3), gain control, game/MIDI port, line in, line/speaker out, microphone in, wavetable interface
16 -bit ISA

MEDIA VISION TECHNOLOGY, INC.
Sound card
MEMPHIS
Game/MIDI port, interface cable connector, SCSI interface
16 -bit ISA

MEDIA VISION TECHNOLOGY, INC.
Sound card
MM DBL CD-16 PHILLIPS 206
CD audio in, CD-ROM interface, game/MIDI port, line in, line/speaker out, microphone in, volume
16 -bit ISA

MEDIA VISION TECHNOLOGY, INC.
Sound card
MV 4000 PREMIUM 3D SCSI 2 (650-0111-01)
Game/MIDI port, microphone in, speaker out, line in, wavetable, audio in, SCSI interface
16-bit ISA

MEDIA VISION TECHNOLOGY, INC.
Sound card
PREMIUM 3D MULTI CD (650-0090-05)
CD-ROM interface (3), game/MIDI port, CD-audio in (3), wavetable connector, microphone in, speaker out, line in, volume control
16-bit ISA

MEDIA VISION TECHNOLOGY, INC.
Sound card
PRO 16 CD III
Aux in, CD audio in, game/MIDI port, microphone in, SCSI interface, speaker out
16-bit ISA

MEDIA VISION TECHNOLOGY, INC.
Sound Card
PRO AUDIO SPECTRUM 16 (700-0271)
SCSI connector, game/MIDI port, CD-ROM audio connector, line-in, line-out, microphone, auxiliary line-in
16-bit ISA

MEDIA VISION TECHNOLOGY, INC.
Sound card
PRO AUDIO SPECTRUM 16 BASIC (650-0053-52)
Game/MIDI port, audio in, microphone in, stereo line in, stereo line out
16-bit ISA

MEDIA VISION TECHNOLOGY, INC.
Sound card
PRO AUDIO SPECTRUM 16 REV.C (650-0022-01)
SCSI interface, Game/MIDI port, microphone in, stereo line in, stereo line out, audio in, PC speaker, auxiliary connector
16-bit ISA

MEDIA VISION TECHNOLOGY, INC.
Sound card
PRO AUDIO SPECTRUM 16 REV.D (650-0097-05)
Game/MIDI port, CD-ROM audio in , SCSI interface, microphone in, stereo line in, stereo line out
16-bit ISA

MEDIA VISION TECHNOLOGY, INC.
Sound card
PRO AUDIO SPECTRUM REV.D (650-0044-01)
Game/MIDI port, CD-ROM audio in (2), SCSI interface, microphone in, stereo line in, stereo line out, PC speaker connector
16-bit ISA

MEDIA VISION TECHNOLOGY, INC.
Sound card
PRO AUDIO STUDIO 16 (650-0060-02)
Game/MIDI port, CD-ROM audio in, SCSI interface, microphone in, stereo line in, stereo line out, speaker out
16-bit ISA

MEDIA VISION TECHNOLOGY, INC.
Sound card
PRO AUDIO STUDIO 16 (650-0091-03)
Game/MIDI port, CD-ROM audio in, SCSI interface, microphone in, stereo line in, stereo line out, speaker out
16-bit ISA

MEDIA VISION TECHNOLOGY, INC.
Sound card
PRO AUDIO WAVEREADY 16
CD-ROM audio in, game/MIDI port, line in, microphone in, speaker out, volume, wavetable connector
16 -bit ISA

MEDIA VISION TECHNOLOGY, INC.
Sound card
PRO AUDIO WAVETABLE (650-0152-51), PRO AUDIO WAVETABLE IDE (650-0154-52)
Game/MIDI port, IDE interface, microphone in, stereo line in, stereo line out, audio in, PC speaker connector
16-bit ISA

MEDIA VISION TECHNOLOGY, INC.
Sound card
PRO AUDIO WAVETABLE 32
CD-ROM audio, game/MIDI port, IDE connector, line in , line out, microphone in, speaker out, wavetable connector
16 -bit ISA

MEDIA VISION TECHNOLOGY, INC.
Sound card
PRO AUDIO WAVETABLE SCSI
CD-ROM audio, game/MIDI port, line in, microphone in, SCSI interface, speaker out, wavetable connector
16 -bit ISA

MEDIA VISION TECHNOLOGY, INC.
Sound Card
PRO AUDIOSPECTRUM PLUS
CD-ROM interface, CD audio in, MIDI/Game port, Microphone, Line in, Line out, Speaker
16 -bit ISA

MEDIA VISION TECHNOLOGY, INC.
Sound card
PRO SONIC 16 (650-0066-02)
Game/MIDI port, microphone in, speaker out, line in, audio in, CD-ROM interface connector
16-bit ISA

MEDIA VISION TECHNOLOGY, INC.
Sound card
PRO SONIC 16 FD-SCSI (650-0087-03)
Game/MIDI port, microphone in, speaker out, line in, audio in, SCSI connector
16-bit ISA

MEDIA VISION TECHNOLOGY, INC.
Sound card
PRO SONIC 16 PANASONIC (650-0066-04)
Game/MIDI port, microphone in, speaker out, line in, audio in, IDE connector
16-bit ISA

MEDIA VISION TECHNOLOGY, INC.
Sound card
SPECTRUM 16 (700-0171-02)
CD-ROM interface, game/MIDI port, Line in, line out, mono in, audio in - CD-ROM, PC speaker in
16-bit ISA

MEDIAFORTE PRODUCTS PTE, LTD.
Sound card
SF16-FMD2
Audio in - CD-ROM, game/MIDI port, microphone in (2), line in, PC speaker connector, antenna, speaker out (2), master volume control connector
16-bit ISA

MEDIAFORTE PRODUCTS PTE, LTD.
Sound card
SF16FMP
CD-ROM interface, game port, IDE interface
16-bit ISA

MEDIAFORTE PRODUCTS PTE., LTD.
Sound card
SF16-FMX
Game/MIDI port
16-bit ISA

MEDIATRIX PERIPHERALS, INC.
Sound
AUDIOTRIX PRO
Audio in(2), Audio out, CD-ROM interface(2), Microphone
16-bit ISA