ACHME COMPUTER, INC.

MS-5109

Processor

Pentium

Processor Speed

75/90/100MHz

Chip Set

SIS

Max. Onboard DRAM

128MB

Cache

256/512/1024KB

BIOS

AMI

Dimensions

330mm x 218mm

I/O Options

32-bit PCI slots (3), floppy drive interface, green PC connector, IDE interfaces (2), parallel port, PS/2 mouse port, serial ports (2)

NPU Options

None

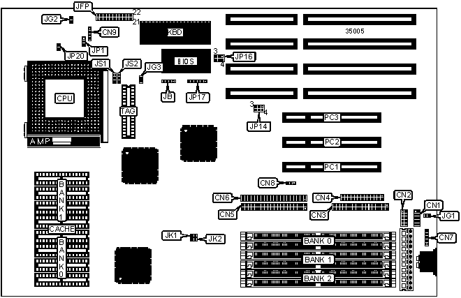
CONNECTIONS

Purpose

Location

Purpose

Location

Serial port 1

CN1

Turbo LED

JFP pins 12 - 13

Serial port 2

CN2

Turbo switch

JFP pins 15 - 17

Parallel port

CN3

Reset switch

JFP pins 19 - 20

Floppy drive interface

CN4

IDE interface LED

JFP pins 21 - 22

IDE interface (primary)

CN5

External battery

JB

IDE interface (secondary)

CN6

Green PC connector (monitor)

JG1

PS/2 mouse port

CN7

Green PC LED

JG2

Chassis fan power

CN9

Green PC connector

JG3

Power LED & keylock

JFP pins 1 - 5

32-bit PCI slots

pc1 - pc3

Speaker

JFP pins 6 - 10

IDE interface LED

 

USER CONFIGURABLE SETTINGS

Function

Jumper

Position

»

PCI IDE interface enabled

CN8

pins 1 & 2 closed

 

PCI IDE interface disabled

CN8

pins 2 & 3 closed

»

Battery type select internal

JB

pins 2 & 3 closed

 

Battery type select external

JB

Closed

»

NA# disabled

JP1

pins 1 & 2 closed

 

NA# enabled

JP1

pins 2 & 3 closed

»

BIOS type select EPROM

JP17

pins 2 & 3, 4 & 5 closed

 

BIOS type select flash

JP17

pins 1 & 2, 5 & 6 closed

»

CPU voltage select 3.4v

JP20

Closed

 

CPU voltage select 3.5v

JP20

Open

DRAM CONFIGURATION

Size

Bank 0

Bank 1

Bank 2

2MB

(2) 256K x 36

NONE

NONE

4MB

(2) 256K x 36

(2) 256K x 36

NONE

4MB

(2) 512K x 36

NONE

NONE

8MB

(2) 256K x 36

(2) 256K x 36

(2) 512K x 36

8MB

(2) 512K x 36

NONE

(2) 512K x 36

8MB

(2) 1M x 36

NONE

NONE

12MB

(2) 256K x 36

(2) 256K x 36

(2) 1M x 36

12MB

(2) 512K x 36

NONE

(2) 1M x 36

16MB

(2) 1M x 36

(2) 1M x 36

NONE

16MB

(2) 2M x 36

NONE

NONE

20MB

(2) 256K x 36

(2) 256K x 36

(2) 2M x 36

20MB

(2) 512K x 36

NONE

(2) 2M x 36

24MB

(2) 1M x 36

(2) 1M x 36

(2) 1M x 36

24MB

(2) 2M x 36

NONE

(2) 1M x 36

32MB

(2) 1M x 36

(2) 1M x 36

(2) 2M x 36

32MB

(2) 2M x 36

NONE

(2) 2M x 36

32MB

(2) 4M x 36

NONE

NONE

DRAM CONFIGURATION (CON'T)

Size

Bank 0

Bank 1

Bank 2

36MB

(2) 256K x 36

(2) 256K x 36

(2) 4M x 36

36MB

(2) 512K x 36

NONE

(2) 4M x 36

40MB

(2) 1M x 36

(2) 4M x 36

NONE

48MB

(2) 1M x 36

(2) 1M x 36

(2) 4M x 36

48MB

(2) 2M x 36

NONE

(2) 4M x 36

64MB

(2) 4M x 36

(2) 4M x 36

NONE

64MB

(2) 8M x 36

NONE

NONE

72MB

(2) 1M x 36

(2) 4M x 36

(2) 4M x 36

80MB

(2) 1M x 36

(2) 1M x 36

(2) 8M x 36

80MB

(2) 2M x 36

NONE

(2) 8M x 36

96MB

(2) 4M x 36

(2) 4M x 36

(2) 4M x 36

96MB

(2) 8M x 36

NONE

(2) 4M x 36

128MB

(2) 4M x 36

(2) 4M x 36

(2) 8M x 36

128MB

(2) 8M x 36

NONE

(2) 8M x 36

128MB

(2) 16M x 36

NONE

NONE

CACHE CONFIGURATION

Size

Bank 0

Bank 1

TAG

256KB

(4) 32K x 8

(4) 32K x 8

(1) 8K x 8

512KB

(4) 64K x 8

(4) 64K x 8

(1) 16K x 8

1MB

(4) 128K x 8

(4) 128K x 8

(1) 32K x 8

CACHE JUMPER CONFIGURATION

Size

JS1

JS2

256KB

pins 1 & 2 closed

pins 1 & 2 closed

512KB

pins 2 & 3 closed

pins 1 & 2 closed

1MB

pins 2 & 3 closed

pins 2 & 3 closed

CPU SPEED CONFIGURATION

Speed

JK1

JK2

75MHz

Open

Open

90MHz

Open

Closed

100MHz

Closed

Closed

DACK/DRQ CONFIGURATION

DACK/DRQ

JP14

JP16

DACK0/DRQ0

pins 1 & 4 closed

pins 1 & 4 closed

DACK1/DRQ1

pins 2 & 5 closed

pins 2 & 5 closed

DACK3/DRQ3

pins 3 & 6 closed

pins 3 & 6 closed