ACHME COMPUTER, INC.

MS-6109

Processor

Pentium II

Processor Speed

233/266MHz

Chip Set

Intel

Video Chip Set

None

Maximum Onboard Memory

1GB (EDO supported)

Maximum Video Memory

None

Cache

256/512KB (located on Pentium II CPU)

BIOS

Award

Dimensions

305mm x 245mm

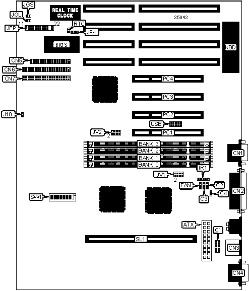
I/O Options

32-bit PCI slots (4), floppy drive interface, green PC connector, IDE interfaces (2), parallel port, PS/2 mouse port, serial ports (2), IR connector, USB connector, ATX power connector, CPU Slot 1

NPU Options

None

CONNECTIONS

Purpose

Location

Purpose

Location

ATX power connector

ATX

Power LED & keylock

JFP/pins 1 - 5

Serial port 2

CN1

Speaker

JFP/pins 7 - 10

Parallel port

CN2

Turbo LED

JFP/pins 12 & 13

PS/2 mouse port

CN3

Reset switch

JFP/pins 19 & 20

Serial port 1

CN4

IDE interface LED

JFP/pins 21 & 22

Floppy drive interface

CN5

Green PC LED

JGL

IDE interface 2

CN6

Green PC connector

JGS

IDE interface 1

CN7

32-bit PCI slots

PC1 – PC4

Chassis fan power

FAN

CPU Slot 1

SL1

IR connector

IR1

USB connector

USB

Soft off power supply

J10

   

USER CONFIGURABLE SETTINGS

Function

Label

Position

»

Factory configured - do not alter

C1

Unidentified

»

Factory configured - do not alter

C2

Unidentified

»

Factory configured - do not alter

C3

Unidentified

»

Factory configured - do not alter

C4

Unidentified

»

Factory configured - do not alter (flash BIOS voltage)

JP4

Unidentified

»

CMOS memory normal operation

RTC

Open

 

CMOS memory clear

RTC

Closed

DIMM CONFIGURATION

Size

Bank 0

Bank 1

Bank 2

Bank 3

8MB

(1) 1M x 64

None

None

None

16MB

(1) 1M x 64

(1) 1M x 64

None

None

16MB

(1) 2M x 64

None

None

None

24MB

(1) 1M x 64

(1) 1M x 64

(1) 1M x 64

None

32MB

(1) 1M x 64

(1) 1M x 64

(1) 1M x 64

(1) 1M x 64

32MB

(1) 2M x 64

(1) 2M x 64

None

None

32MB

(1) 4M x 64

None

None

None

48MB

(1) 2M x 64

(1) 2M x 64

(1) 2M x 64

None

64MB

(1) 2M x 64

(1) 2M x 64

(1) 2M x 64

(1) 2M x 64

64MB

(1) 4M x 64

(1) 4M x 64

None

None

64MB

(1) 8M x 64

None

None

None

96MB

(1) 4M x 64

(1) 4M x 64

(1) 4M x 64

None

128MB

(1) 4M x 64

(1) 4M x 64

(1) 4M x 64

(1) 4M x 64

128MB

(1) 8M x 64

(1) 8M x 64

None

None

128MB

(1) 16M x 64

None

None

None

DIMM CONFIGURATION (CON’T)

Size

Bank 0

Bank 1

Bank 2

Bank 3

192MB

(1) 8M x 64

(1) 8M x 64

(1) 8M x 64

None

256MB

(1) 8M x 64

(1) 8M x 64

(1) 8M x 64

(1) 8M x 64

256MB

(1) 16M x 64

(1) 16M x 64

None

None

256MB

(1) 32M x 64

None

None

None

384MB

(1) 16M x 64

(1) 16M x 64

(1) 16M x 64

None

512MB

(1) 16M x 64

(1) 16M x 64

(1) 16M x 64

(1) 16M x 64

512MB

(1) 32M x 64

(1) 32M x 64

None

None

768MB

(1) 32M x 64

(1) 32M x 64

(1) 32M x 64

None

1GB

(1) 32M x 64

(1) 32M x 64

(1) 32M x 64

(1) 32M x 64

Note: Board accepts EDO memory. Board will not accept SDRAM.

DIMM VOLTAGE CONFIGURATION

Voltage

JV1

JV2

3.3v

1 & 2, 3 & 4, 5 & 6, 7 & 8

Open

5v

Open

1 & 2, 3 & 4, 5 & 6, 7 & 8

CACHE CONFIGURATION

Note: 256KB/512KB cache is located on the Pentium II CPU.

CPU SPEED SELECTION

CPU speed

Clock speed

Multiplier

SW1/1

SW1/2

SW1/3

SW1/4

233MHz

66MHz

4x

On

On

Off

Off

266MHz

66MHz

4.5x

On

On

Off

Off

CPU SPEED SELECTION (CON’T)

CPU speed

Clock speed

Multiplier

SW1/5

SW1/6

SW1/7

SW1/8

233MHz

66MHz

4x

On

Off

Off

On

266MHz

66MHz

4.5x

On

On

On

Off