AVT INDUSTRIAL, LTD.
586 GXM-AVX
|
Device Type |
Mainboard |
|
Processor |
CX GXM |
|
Processor Speed |
200/233/266MHz |
|
Chip Set |
Cyrix |
|
Video Chip Set |
Unidentified |
|
Maximum Onboard Memory |
128MB |
|
Maximum Video Memory |
Unidentified |
|
Cache |
None |
|
BIOS |
Award |
|
Dimensions |
220mm x 220mm |
|
I/O Options |
32-bit PCI slots (2), floppy drive interface, game interface, IDE interfaces (2), parallel port, PS/2 mouse interface, serial ports (2), VGA interface, audio in – CD-ROMs (2), |
|
NPU Options |
None |
|
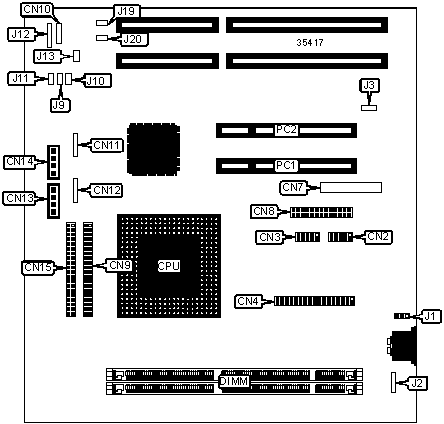
CONNECTIONS | |||
|
Purpose |
Location |
Purpose |
Location |
|
Serial port 1 |
CN2 |
Audio in – CD-ROM |
CN14 |
|
Serial port 2 |
CN3 |
IDE interface 2 |
CN15 |
|
Floppy drive interface |
CN4 |
PS/2 mouse interface |
J2 |
|
Video connector |
CN7 |
IDE interface LED |
J9 |
|
Parallel port |
CN8 |
Reset switch |
J11 |
|
IDE interface 1 |
CN9 |
Power LED & keylock |
J12 |
|
Speaker |
CN10 |
Digital input connector |
J19 |
|
Game interface |
CN11 |
Digital output connector |
J20 |
|
Sound board connector |
CN12 |
32-bit PCI slots |
PC1 – PC2 |
|
Audio in – CD-ROM |
CN13 | ||
|
USER CONFIGURABLE SETTINGS | |||
|
Function |
Label |
Position | |
|
» |
CMOS memory normal operation |
J1 |
Pins 1 & 2 closed |
|
CMOS memory clear |
J1 |
Pins 2 & 3 closed | |
|
» |
Factory configured - do not alter |
J3 |
Unidentified |
|
» |
Factory configured - do not alter |
J10 |
Unidentified |
|
» |
Factory configured - do not alter |
J13 |
Unidentified |
|
DIMM CONFIGURATION | ||
|
Size |
Bank 0 |
Bank 1 |
|
8MB |
(1) 1M x 64 |
None |
|
16MB |
(1) 2M x 64 |
None |
|
16MB |
(1) 1M x 64 |
(1) 1M x 64 |
|
24MB |
(1) 2M x 64 |
(1) 1M x 64 |
|
32MB |
(1) 4M x 64 |
None |
|
32MB |
(1) 2M x 64 |
(1) 2M x 64 |
|
40MB |
(1) 4M x 64 |
(1) 1M x 64 |
|
48MB |
(1) 4M x 64 |
(1) 2M x 64 |
|
64MB |
(1) 8M x 64 |
None |
|
64MB |
(1) 4M x 64 |
(1) 4M x 64 |
|
72MB |
(1) 8M x 64 |
(1) 1M x 64 |
|
80MB |
(1) 8M x 64 |
(1) 2M x 64 |
|
96MB |
(1) 8M x 64 |
(1) 4M x 64 |
|
128MB |
(1) 8M x 64 |
(1) 8M x 64 |