GEMLIGHT COMPUTER, LTD.
GMB-P6IAK (VER. 1.02)
|
Device Type |
Mainboard |
|
Processor |
Pentium II |
|
Processor Speed |
233/266/300MHz |
|
Chip Set |
Intel 440FX |
|
Maximum Onboard Memory |
512MB (EDO supported) |
|
Cache |
256/512KB (located on the Pentium II CPU) |
|
BIOS |
AMI |
|
Dimensions |
305mm x 244mm |
|
I/O Options |
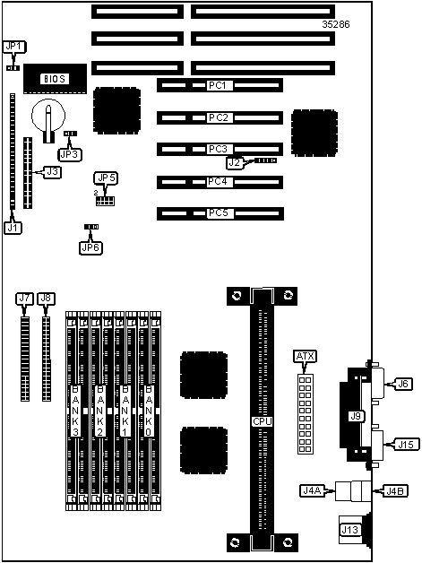
32-bit PCI slots (5), floppy drive interface, green PC connector, IDE interface (2), parallel port, PS/2 mouse port, serial ports (2), IR connector, USB connector (2), ATX power connector |
|
CONNECTIONS | |||
|
Purpose |
Location |
Purpose |
Location |
|
ATX power supply |
ATX |
USB connector 1 |
J4A |
|
Speaker |
J1/pins 1 - 4 |
USB connector 2 |
J4B |
|
Reset switch |
J1/pins 6 & 7 |
Serial port 2 |
J6 |
|
Keylock |
J1/pins 9 - 13 |
IDE interface 1 |
J7 |
|
IDE interface LED |
J1/pins 15 - 18 |
IDE interface 2 |
J8 |
|
Green PC connector |
J1/pins 20 & 21 |
Parallel port |
J9 |
|
ATX power switch |
J1/pins 22 & 23 |
PS/2 mouse port |
J13 |
|
Turbo LED |
J1/pins 25 & 26 |
Serial port 1 |
J15 |
|
IR connector |
J2 |
32-bit PCI slots |
PC1 - PC5 |
|
Floppy drive interface |
J3 | ||
|
USER CONFIGURABLE SETTINGS | |||
|
Function |
Label |
Position | |
|
Flash BIOS voltage select 12v |
JP1 |
Pins 1 & 2 closed | |
|
Flash BIOS voltage select 5v |
JP1 |
Pins 2 & 3 closed | |
|
» |
CMOS memory normal operation |
JP3 |
Pins 2 & 3 closed |
|
CMOS memory clear |
JP3 |
Pins 1 & 2 closed | |
|
DRAM CONFIGURATION | ||||
|
Size |
Bank 0 |
Bank 1 |
Bank 2 |
Bank 3 |
|
8MB |
(2) 1M x 36 |
None |
None |
None |
|
16MB |
(2) 2M x 36 |
None |
None |
None |
|
16MB |
(2) 1M x 36 |
(2) 1M x 36 |
None |
None |
|
24MB |
(2) 2M x 36 |
(2) 1M x 36 |
None |
None |
|
24MB |
(2) 1M x 36 |
(2) 1M x 36 |
(2) 1M x 36 |
None |
|
32MB |
(2) 4M x 36 |
None |
None |
None |
|
32MB |
(2) 2M x 36 |
(2) 2M x 36 |
None |
None |
|
32MB |
(2) 1M x 36 |
(2) 1M x 36 |
(2) 1M x 36 |
(2) 1M x 36 |
|
40MB |
(2) 4M x 36 |
(2) 1M x 36 |
None |
None |
|
48MB |
(2) 4M x 36 |
(2) 2M x 36 |
None |
None |
|
48MB |
(2) 2M x 36 |
(2) 2M x 36 |
(2) 2M x 36 |
None |
|
64MB |
(2) 2M x 36 |
(2) 2M x 36 |
(2) 2M x 36 |
(2) 2M x 36 |
|
64MB |
(2) 8M x 36 |
None |
None |
None |
|
64MB |
(2) 4M x 36 |
(2) 4M x 36 |
None |
None |
|
DRAM CONFIGURATION (CON’T) | ||||
|
Size |
Bank 0 |
Bank 1 |
Bank 2 |
Bank 3 |
|
72MB |
(2) 8M x 36 |
(2) 1M x 36 |
None |
None |
|
80MB |
(2) 8M x 36 |
(2) 2M x 36 |
None |
None |
|
96MB |
(2) 8M x 36 |
(2) 4M x 36 |
None |
None |
|
96MB |
(2) 4M x 36 |
(2) 4M x 36 |
(2) 4M x 36 |
None |
|
128MB |
(2) 16M x 36 |
None |
None |
None |
|
128MB |
(2) 8M x 36 |
(2) 8M x 36 |
None |
None |
|
128MB |
(2) 4M x 36 |
(2) 4M x 36 |
(2) 4M x 36 |
(2) 4M x 36 |
|
136MB |
(2) 16M x 36 |
(2) 1M x 36 |
None |
None |
|
144MB |
(2) 16M x 36 |
(2) 2M x 36 |
None |
None |
|
152MB |
(2) 16M x 36 |
(2) 1M x 36 |
(2) 1M x 36 |
(2) 1M x 36 |
|
160MB |
(2) 16M x 36 |
(2) 4M x 36 |
None |
None |
|
176MB |
(2) 16M x 36 |
(2) 2M x 36 |
(2) 2M x 36 |
(2) 2M x 36 |
|
192MB |
(2) 16M x 36 |
(2) 8M x 36 |
None |
None |
|
192MB |
(2) 8M x 36 |
(2) 8M x 36 |
(2) 8M x 36 |
None |
|
224MB |
(2) 16M x 36 |
(2) 4M x 36 |
(2) 4M x 36 |
(2) 4M x 36 |
|
256MB |
(2) 32M x 36 |
None |
None |
None |
|
256MB |
(2) 16M x 36 |
(2) 16M x 36 |
None |
None |
|
256MB |
(2) 8M x 36 |
(2) 8M x 36 |
(2) 8M x 36 |
(2) 8M x 36 |
|
272MB |
(2) 16M x 36 |
(2) 16M x 36 |
(2) 1M x 36 |
(2) 1M x 36 |
|
280MB |
(2) 32M x 36 |
(2) 1M x 36 |
(2) 1M x 36 |
(2) 1M x 36 |
|
288MB |
(2) 16M x 36 |
(2) 16M x 36 |
(2) 2M x 36 |
(2) 2M x 36 |
|
304MB |
(2) 32M x 36 |
(2) 2M x 36 |
(2) 2M x 36 |
(2) 2M x 36 |
|
320MB |
(2) 16M x 36 |
(2) 16M x 36 |
(2) 4M x 36 |
(2) 4M x 36 |
|
320MB |
(2) 16M x 36 |
(2) 8M x 36 |
(2) 8M x 36 |
(2) 8M x 36 |
|
352MB |
(2) 32M x 36 |
(2) 4M x 36 |
(2) 4M x 36 |
(2) 4M x 36 |
|
384MB |
(2) 16M x 36 |
(2) 16M x 36 |
(2) 16M x 36 |
None |
|
448MB |
(2) 32M x 36 |
(2) 8M x 36 |
(2) 8M x 36 |
(2) 8M x 36 |
|
512MB |
(2) 16M x 36 |
(2) 16M x 36 |
(2) 16M x 36 |
(2) 16M x 36 |
|
CPU SPEED SELECTION (PENTIUM) | ||||
|
Speed |
Clock speed |
Multiplier |
JP5 |
JP6 |
|
233MHz |
66MHz |
3.5x |
1 & 2, 3 & 4 |
1 & 2 |
|
266MHz |
66MHz |
4x |
1 & 2, 5 & 6, 7 & 8 |
1 & 2 |
|
300MHz |
66MHz |
4.5x |
1 & 2, 5 & 6 |
1 & 2 |
|
Note: Numbers designate pins that should be closed. | ||||