MICRO-STAR INTERNATIONAL CO., LTD.
MS-5136 (VER 1.0)
|
Processor |
CX M1/AM K5/Pentium |
|
Processor Speed |
75/90/100/120/133/150/166/200MHz |
|
Chip Set |
Intel |
|
Video Chip Set |
None |
|
Maximum Onboard Memory |
128MB (EDO supported) |
|
Maximum Video Memory |
None |
|
Cache |
256/512KB |
|
BIOS |
AMI/Award |
|
Dimensions |
305mm x 220mm |
|
I/O Options |
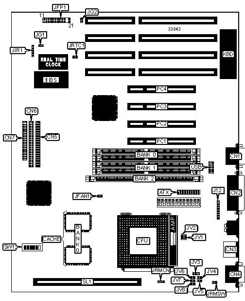
32-bit PCI slots (4), floppy drive interface, green PC connector, IDE interfaces (2), parallel port, PS/2 mouse port, serial ports (2), cache slot, IR connector, USB connector, ATX power connector, remote power on/off switch, remote on/off switch |
|
NPU Options |
None |
|
CONNECTIONS | |||
|
Purpose |
Location |
Purpose |
Location |
|
ATX power connector |
ATX |
Turbo LED |
JFP1 pins 12 & 13 |
|
Serial port 2 |
CN1 |
Turbo switch |
JFP1 pins 15 & 17 |
|
Parallel port |
CN2 |
Reset switch |
JFP1 pins 19 & 20 |
|
PS/2 mouse port |
CN3 |
IDE interface LED |
JFP1 pins 21 & 22 |
|
Serial port 1 |
CN4 |
Green PC connector |
JG2 |
|
IDE interface 1 |
CN5 |
IR connector |
JIR1 |
|
IDE interface 2 |
CN6 |
Remote on/off switch |
JRMCN |
|
Floppy drive interface |
CN7 |
Remote on/off switch |
JRMSW |
|
Chassis fan power |
JFAN1 |
32-bit PCI slots |
PC1 - PC4 |
|
Power LED & keylock |
JFP1 pins 1 - 5 |
Cache slot |
SL1 |
|
Speaker |
JFP1 pins 7 & 10 |
USB connector |
USB |
|
USER CONFIGURABLE SETTINGS | |||
|
Function |
Label |
Position | |
|
» |
Factory configured - do not alter |
J12 |
1 & 2, 3 & 4, 5 & 6, 7 & 8 |
|
» |
Factory configured - do not alter |
JG1 |
Unidentified |
|
» |
Factory configured - do not alter |
JRTC1 |
Unidentified |
|
Note: Pins designated should be in the closed position. | |||
|
DRAM CONFIGURATION | |||
|
Size |
Bank 0 |
Bank 1 |
Bank 2 |
|
8MB |
(2) 1M x 36 |
None |
None |
|
8MB |
None |
None |
(1) 1M x 64 |
|
16MB |
(2) 2M x 36 |
None |
None |
|
16MB |
(2) 1M x 36 |
(2) 1M x 36 |
None |
|
16MB |
None |
None |
(1) 2M x 64 |
|
24MB |
(2) 1M x 36 |
(2) 2M x 36 |
None |
|
32MB |
(2) 4M x 36 |
None |
None |
|
32MB |
(2) 2M x 36 |
(2) 2M x 36 |
None |
|
32MB |
None |
None |
(1) 4M x 64 |
|
40MB |
(2) 4M x 36 |
(2) 1M x 36 |
None |
|
48MB |
(2) 2M x 36 |
(2) 4M x 36 |
None |
|
64MB |
(2) 8M x 36 |
None |
None |
|
64MB |
(2) 4M x 36 |
(2) 4M x 36 |
None |
|
64MB |
None |
None |
(1) 8M x 64 |
|
72MB |
(2) 1M x 36 |
(2) 8M x 36 |
None |
|
80MB |
(2) 8M x 36 |
(2) 2M x 36 |
None |
|
96MB |
(2) 4M x 36 |
(2) 8M x 36 |
None |
|
128MB |
(2) 8M x 36 |
(2) 8M x 36 |
None |
|
Note: Board accepts EDO memory. Banks 0 & 1 are interchangeable. | |||
|
CACHE CONFIGURATION | ||
|
Size |
Bank 0 |
SL1 |
|
256KB |
(2) 32K x 32 |
Not installed |
|
512KB |
(2) 32K x 32 |
256KB module installed |
|
CPU SPEED SELECTION (CYRIX) | ||||||||
|
CPU speed |
Clock speed |
Multiplier |
SW1/1 |
SW1/2 |
SW1/3 |
SW1/4 |
SW1/5 |
SW1/6 |
|
120MHz |
50MHz |
2x |
Off |
Off |
On |
Off |
On |
Off |
|
133MHz |
55MHz |
2x |
Off |
On |
On |
On |
On |
Off |
|
150MHz |
60MHz |
2x |
Off |
On |
Off |
Off |
On |
Off |
|
166MHz |
66MHz |
2x |
Off |
Off |
Off |
Off |
On |
Off |
|
CPU SPEED SELECTION (AMD) | ||||||||
|
CPU speed |
Clock speed |
Multiplier |
SW1/1 |
SW1/2 |
SW1/3 |
SW1/4 |
SW1/5 |
SW1/6 |
|
75MHz |
50MHz |
1.5x |
Off |
Off |
On |
Off |
Off |
Off |
|
90MHz |
60MHz |
1.5x |
Off |
On |
Off |
Off |
Off |
Off |
|
CPU SPEED SELECTION (INTEL) | ||||||||
|
CPU speed |
Clock speed |
Multiplier |
SW1/1 |
SW1/2 |
SW1/3 |
SW1/4 |
SW1/5 |
SW1/6 |
|
75MHz |
50MHz |
1.5x |
Off |
Off |
On |
Off |
Off |
Off |
|
90MHz |
60MHz |
1.5x |
Off |
On |
Off |
Off |
Off |
Off |
|
100MHz |
66MHz |
1.5x |
Off |
Off |
Off |
Off |
Off |
Off |
|
120MHz |
60MHz |
2x |
Off |
On |
Off |
Off |
On |
Off |
|
133MHz |
66MHz |
2x |
Off |
Off |
Off |
Off |
On |
Off |
|
150MHz |
60MHz |
2.5x |
Off |
On |
Off |
Off |
On |
On |
|
166MHz |
66MHz |
2.5x |
Off |
Off |
Off |
Off |
On |
On |
|
200MHz |
66MHz |
3x |
Off |
Off |
Off |
Off |
Off |
On |
|
CPU VOLTAGE SELECTION | |||||||||
|
V core |
VI/O |
JV1 |
JV2 |
JV3 |
JV4 |
JV5 |
JV6 |
JV7 |
JV8 |
|
2.5v |
3.3v |
Open |
Open |
2 & 3 |
Open |
Open |
Closed |
Open |
Open |
|
2.8v |
3.3v |
Open |
Open |
2 & 3 |
Open |
Open |
Open |
Closed |
Open |
|
2.9v |
3.3v |
Open |
Open |
2 & 3 |
Open |
Open |
Open |
Open |
Closed |
|
3.38v |
3.38v |
Closed |
Closed |
1 & 2 |
Closed |
Open |
Open |
Open |
Open |
|
3.52v |
3.52v |
Closed |
Closed |
1 & 2 |
Open |
Closed |
Open |
Open |
Open |