MICRO-STAR INTERNATIONAL CO., LTD.
MS-5148
|
Processor |
CX M1/CX M2/AM K5/AM K6/Pentium |
|
Processor Speed |
90/100/120/133/150/166/180/200/225/233MHz |
|
Chip Set |
Intel |
|
Video Chip Set |
None |
|
Maximum Onboard Memory |
256MB (EDO supported) |
|
Maximum Video Memory |
None |
|
Cache |
256/512KB |
|
BIOS |
Award |
|
Dimensions |
300mm x 186mm |
|
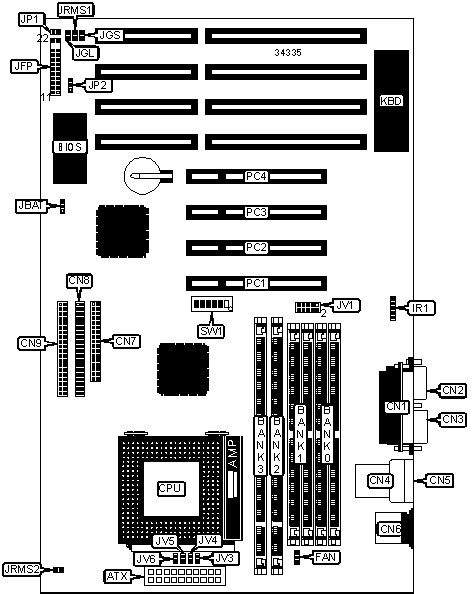
I/O Options |
32-bit PCI slots (4), floppy drive interface, green PC connector, IDE interfaces (2), parallel port, PS/2 mouse port, serial ports (2), IR connector, USB connectors (2), ATX power connector |
|
NPU Options |
None |
|
CONNECTIONS | |||
|
Purpose |
Location |
Purpose |
Location |
|
ATX power connector |
ATX |
IR connector |
IR1 |
|
Parallel port |
CN1 |
Power LED & keylock |
JFP/pins 1 - 5 |
|
Serial port 1 |
CN2 |
Speaker |
JFP/pins 7 - 10 |
|
Serial port 2 |
CN3 |
Turbo LED |
JFP/pins 12 & 13 |
|
USB connector |
CN4 |
Reset switch |
JFP/pins 19 & 20 |
|
USB connector |
CN5 |
IDE interface LED |
JFP/pins 21 & 22 |
|
PS/2 mouse port |
CN6 |
Green PC LED |
JGL |
|
Floppy drive interface |
CN7 |
Green PC connector |
JGS |
|
IDE interface 1 |
CN8 |
Soft off power supply |
JRMS1 |
|
IDE interface 2 |
CN9 |
Soft off power supply |
JRMS2 |
|
Chassis fan power |
FAN |
32-bit PCI slots |
PC1 – PC4 |
|
USER CONFIGURABLE SETTINGS | |||
|
Function |
Label |
Position | |
|
» |
CMOS memory normal operation |
JBAT |
Pins 1 & 2 closed |
|
CMOS memory clear |
JBAT |
Pins 2 & 3 closed | |
|
» |
Factory configured - do not alter |
JP1 |
Unidentified |
|
» |
Flash BIOS voltage select 5v |
JP2 |
Pins 1 & 2 closed |
|
Flash BIOS voltage select 12v |
JP2 |
Pins 2 & 3 closed | |
|
DIMM/DRAM CONFIGURATION | ||||
|
Size |
Bank 0 |
Bank 1 |
Bank 2 |
Bank 3 |
|
8MB |
(2) 1M x 36 |
None |
None |
None |
|
8MB |
None |
None |
(1) 1M x 64 |
None |
|
16MB |
(2) 2M x 36 |
None |
None |
None |
|
16MB |
None |
None |
(1) 2M x 64 |
None |
|
16MB |
(2) 1M x 36 |
(2) 1M x 36 |
None |
None |
|
16MB |
(2) 1M x 36 |
None |
None |
(1) 1M x 64 |
|
16MB |
None |
None |
(1) 1M x 64 |
(1) 1M x 64 |
|
24MB |
None |
(2) 2M x 36 |
(1) 1M x 64 |
None |
|
32MB |
(2) 4M x 36 |
None |
None |
None |
|
32MB |
None |
None |
(1) 4M x 64 |
None |
|
32MB |
(2) 2M x 36 |
None |
None |
(1) 2M x 64 |
|
40MB |
(2) 4M x 36 |
(2) 1M x 36 |
None |
None |
|
40MB |
(2) 4M x 36 |
None |
None |
(1) 1M x 64 |
|
48MB |
(2) 2M x 36 |
None |
None |
(1) 4M x 64 |
|
48MB |
(2) 4M x 36 |
(2) 2M x 36 |
None |
None |
|
64MB |
(2) 8M x 36 |
None |
None |
None |
|
64MB |
None |
None |
None |
(1) 8M x 64 |
|
64MB |
(2) 4M x 36 |
(2) 4M x 36 |
None |
None |
|
64MB |
(2) 4M x 36 |
None |
None |
(1) 4M x 64 |
|
DIMM/DRAM CONFIGURATION (CON’T) | ||||
|
Size |
Bank 0 |
Bank 1 |
Bank 2 |
Bank 3 |
|
64MB |
None |
None |
(1) 4M x 64 |
(1) 4M x 64 |
|
72MB |
(2) 8M x 36 |
(2) 1M x 36 |
None |
None |
|
72MB |
(2) 8M x 36 |
None |
None |
(1) 1M x 64 |
|
80MB |
None |
(2) 2M x 36 |
(1) 8M x 64 |
None |
|
80MB |
(2) 8M x 36 |
None |
None |
(1) 2M x 64 |
|
80MB |
(2) 8M x 36 |
(2) 2M x 36 |
None |
None |
|
96MB |
(2) 4M x 36 |
None |
None |
(1) 8M x 64 |
|
96MB |
(2) 8M x 36 |
(2) 4M x 36 |
None |
None |
|
96MB |
(2) 8M x 36 |
None |
None |
(1) 4M x 64 |
|
128MB |
(2) 8M x 36 |
None |
None |
(1) 8M x 64 |
|
128MB |
None |
None |
(1) 8M x 64 |
(1) 8M x 64 |
|
128MB |
(2) 8M x 36 |
(2) 8M x 36 |
None |
None |
|
128MB |
(2) 16M x 36 |
None |
None |
None |
|
128MB |
None |
None |
None |
(1) 16M x 64 |
|
136MB |
(2) 16M x 36 |
(2) 1M x 36 |
None |
None |
|
136MB |
(2) 16M x 36 |
None |
None |
(1) 1M x 64 |
|
144MB |
(2) 16M x 36 |
(2) 2M x 36 |
None |
None |
|
160MB |
(2) 16M x 36 |
(2) 4M x 36 |
None |
None |
|
192MB |
(2) 16M x 36 |
(2) 8M x 36 |
None |
None |
|
192MB |
(2) 16M x 36 |
None |
None |
(1) 8M x 64 |
|
256MB |
(2) 16M x 36 |
(2) 16M x 36 |
None |
None |
|
256MB |
(2) 32M x 36 |
None |
None |
None |
|
256MB |
None |
None |
(1) 16M x 64 |
(1) 16M x 64 |
|
256MB |
None |
None |
(1) 32M x 64 |
None |
|
Note: Board accepts EDO memory. | ||||
|
DIMM VOLTAGE CONFIGURATION | |
|
Voltage |
JV1 |
|
3.3v |
Pins 7 & 8, 9 & 10 closed |
|
5v |
Pins 1 & 2, 3 & 4 closed |
|
CACHE CONFIGURATION |
|
Note: The location of the 256KB/512KB cache is unidentified. |
|
CPU SPEED SELECTION (CYRIX M1) | ||||||||
|
CPU speed |
Clock speed |
Multiplier |
SW1/1 |
SW1/2 |
SW1/3 |
SW1/4 |
SW1/5 |
SW1/6 |
|
133MHz |
55MHz |
2x |
On |
Off |
Off |
On |
On |
Off |
|
150MHz |
60MHz |
2x |
On |
Off |
Off |
On |
Off |
Off |
|
166MHz |
66MHz |
2x |
On |
Off |
Off |
Off |
Off |
Off |
|
200MHz |
75MHz |
2x |
On |
Off |
Off |
Off |
On |
Off |
|
CPU SPEED SELECTION (CYRIX M2) | ||||||||
|
CPU speed |
Clock speed |
Multiplier |
SW1/1 |
SW1/2 |
SW1/3 |
SW1/4 |
SW1/5 |
SW1/6 |
|
166MHz |
66MHz |
2.5x |
On |
On |
Off |
Off |
Off |
Off |
|
180MHz |
60MHz |
3x |
Off |
On |
Off |
On |
Off |
Off |
|
200MHz |
66MHz |
3x |
Off |
On |
Off |
Off |
Off |
Off |
|
225MHz |
75MHz |
3x |
Off |
On |
Off |
Off |
On |
Off |
|
CPU SPEED SELECTION (AMD) | ||||||||
|
CPU speed |
Clock speed |
Multiplier |
SW1/1 |
SW1/2 |
SW1/3 |
SW1/4 |
SW1/5 |
SW1/6 |
|
90MHz |
60MHz |
1.5x |
Off |
Off |
Off |
On |
Off |
Off |
|
100MHz |
66MHz |
1.5x |
Off |
Off |
Off |
Off |
Off |
Off |
|
120MHz |
60MHz |
2x |
On |
Off |
Off |
On |
Off |
Off |
|
133MHz |
66MHz |
2x |
On |
Off |
Off |
Off |
Off |
Off |
|
150MHz |
60MHz |
2.5x |
On |
On |
Off |
On |
Off |
Off |
|
166MHz |
66MHz |
2.5x |
On |
On |
Off |
Off |
Off |
Off |
|
200MHz |
66MHz |
3x |
Off |
On |
Off |
Off |
Off |
Off |
|
233MHz |
66MHz |
3.5x |
Off |
Off |
Off |
Off |
Off |
Off |
|
CPU SPEED SELECTION (INTEL) | ||||||||
|
CPU speed |
Clock speed |
Multiplier |
SW1/1 |
SW1/2 |
SW1/3 |
SW1/4 |
SW1/5 |
SW1/6 |
|
90MHz |
60MHz |
1.5x |
Off |
Off |
Off |
On |
Off |
Off |
|
100MHz |
66MHz |
1.5x |
Off |
Off |
Off |
Off |
Off |
Off |
|
120MHz |
60MHz |
2x |
On |
Off |
Off |
On |
Off |
Off |
|
133MHz |
66MHz |
2x |
On |
Off |
Off |
Off |
Off |
Off |
|
150MHz |
60MHz |
2.5x |
On |
On |
Off |
On |
Off |
Off |
|
166MHz |
66MHz |
2.5x |
On |
On |
Off |
Off |
Off |
Off |
|
200MHz |
66MHz |
3x |
Off |
On |
Off |
Off |
Off |
Off |
|
233MHz |
66MHz |
3.5x |
Off |
Off |
Off |
Off |
Off |
Off |
|
CPU VOLTAGE SELECTION (SINGLE) | ||||
|
Voltage |
JV3 |
JV4 |
JV5 |
JV6 |
|
3.38v |
Open |
Closed |
Open |
Open |
|
3.52v |
Closed |
Open |
Open |
Open |
|
CPU VOLTAGE SELECTION (DUAL) | |||||
|
Voltage |
V core |
JV3 |
JV4 |
JV5 |
JV6 |
|
3.3v |
2.8v |
Closed |
Open |
Open |
Open |
|
3.3v |
2.9v |
Open |
Open |
Open |
Closed |
|
3.3v |
3.2v |
Open |
Open |
Closed |
Open |