UNIDENTIFIED
XT-12
|
Processor |
8088/V-20 |
|
Processor Speed |
12MHz |
|
Chip Set |
None |
|
Max. Onboard DRAM |
1MB |
|
Cache |
None |
|
BIOS |
Unidentified |
|
Dimensions |
330mm x 218mm |
|
I/O Options |
Floppy drive interface |
|
NPU Options |
8087 |
|
CONNECTIONS | |||
|
Purpose |
Location |
Purpose |
Location |
|
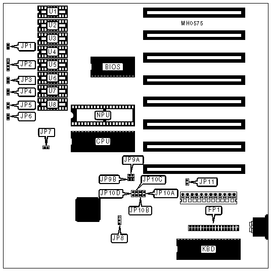
Floppy drive interface |
FP1 |
Speaker |
JP4 |
|
Turbo LED |
JP1 |
Turbo switch |
JP5 |
|
Keylock |
JP2 |
Power LED |
JP6 |
|
Reset switch |
JP3 | ||
|
USER CONFIGURABLE SETTINGS | |||
|
Function |
Jumper |
Position | |
| » |
Factory configured - do not alter |
JP7 |
N/A |
| » |
Factory configured - do not alter |
JP8 |
N/A |
| » |
CPU type select Intel 8088 |
JP11 |
Closed |
|
CPU type select NEC V20 |
JP11 |
Open | |
|
DRAM CONFIGURATION | |
|
Size |
Location |
|
256KB |
(2) 44256 chips in U4 and U5 |
|
512KB |
(4) 44256 chips in U3 through U6 |
|
768KB |
(6) 44256 chips in U2 through U7 |
|
1MB |
(8) 44256 chips in U1 through U8 |
|
BIOS CONFIGURATION | ||
|
Size |
JP9A |
JP9B |
|
8/16KB |
Open |
Open |
|
32KB |
Closed |
Open |
|
64KB |
Closed |
Closed |
|
FLOPPY DRIVE 0 CONFIGURATION | ||
|
Size |
JP10A |
JP10B |
|
360KB 5.25" |
Closed |
Closed |
|
720KB 3.5 |
Open |
Closed |
|
1.2MB 5.25 |
Closed |
Open |
|
1.44MB 3.5" |
Open |
Open |
|
FLOPPY DRIVE 1 CONFIGURATION | ||
|
Size |
JP10C |
JP10D |
|
360KB 5.25" |
Closed |
Closed |
|
720KB 3.5 |
Open |
Closed |
|
1.2MB 5.25 |
Closed |
Open |
|
1.44MB 3.5" |
Open |
Open |