ADDTRON TECHNOLOGY COMPANY, LTD.

ARC-220 VER. 1

NIC Type

ARCnet

Transfer Rate

2.5Mbps

Data Bus

16-bit ISA

Topology

Star

Linear bus

Wiring Type

RG-62A/U 93ohm coaxial

Unshielded twisted pair

Boot ROM

Available

NODE ADDRESS

Node

SW1/1

SW1/2

SW1/3

SW1/4

SW1/5

SW1/6

SW1/7

SW1/8

0

-

-

-

-

-

-

-

-

1

Off

On

On

On

On

On

On

On

2

On

Off

On

On

On

On

On

On

3

Off

Off

On

On

On

On

On

On

4

On

On

Off

On

On

On

On

On

251

Off

Off

On

Off

Off

Off

Off

Off

252

On

On

Off

Off

Off

Off

Off

Off

253

Off

On

Off

Off

Off

Off

Off

Off

254

On

Off

Off

Off

Off

Off

Off

Off

255

Off

Off

Off

Off

Off

Off

Off

Off

Note:Node address 0 is used for messaging between nodes and must not be used.

A total of 255 node address settings are available. The switches are a binary representation of the decimal node addresses. Switch 1 is the Least Significant Bit and switch 8 is the Most Significant Bit. The switches have the following decimal values: switch 1=1, 2=2, 3=4, 4=8, 5=16, 6=32, 7=64, 8=128. Turn off the switches and add the values of the off switches to obtain the correct node address. (On=0, Off=1)

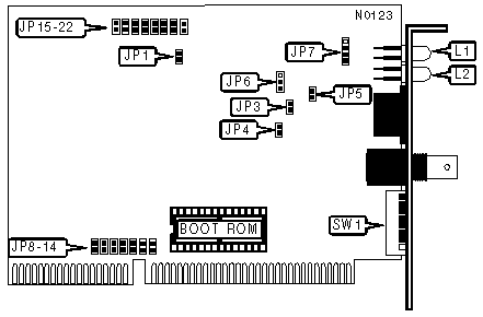
BOOT ROM

Mode

JP1

»

Disabled

Open

 

Enabled

Closed

ONBOARD TERMINATOR

Setting

JP3

»

Disabled

Open

 

Enabled

Closed

Note:If the card is on either end of a linear bus network segment, the onboard terminator may be used instead of using an external terminator

CABLE TYPE

Type

JP4

JP5

JP6

Unshielded twisted pair

Closed

Open

Pins 1 & 2 closed

RG-62A/U 93ohm coaxial

Open

Closed

Pins 2 & 3 closed

CONNECTIONS

Purpose

Location

Connection for LED1

JP7/pins 1 & 2 closed

Connection for LED2

JP7/pins 3 & 4 closed

Note: When no LEDs are being installed for the front panel, JP7 pins 1 & 2 and pins 3 & 4 should be closed.

INTERRUPT REQUEST

IRQ

JP8

JP9

JP10

JP11

JP12

JP13

JP14

»

2/9

Closed

Open

Open

Open

Open

Open

Open

 

3

Open

Closed

Open

Open

Open

Open

Open

 

4

Open

Open

Closed

Open

Open

Open

Open

 

5

Open

Open

Open

Closed

Open

Open

Open

 

10

Open

Open

Open

Open

Closed

Open

Open

 

11

Open

Open

Open

Open

Open

Closed

Open

 

12

Open

Open

Open

Open

Open

Open

Closed

DIAGNOSTIC LED(S)

LED

Color

Status

Condition

LED1

Green

On

Data is being transmitted/received.

LED1

Green

Off

Data is not being transmitted/received.

LED1

Green

Blinking

Network connection is broken

LED2

Red

On

Card is being accessed by the host computer

LED2

Red

Off

Card is not being accessed by the host computer

BASE MEMORY ADDRESS AND BOOR ROM ADDRESS

Base Address

Boot ROM Address

JP15

JP16

JP17

JP18

JP19

»

D0000-D07FFh

D2000-D3FFFh

Closed

Closed

Closed

Open

Open

 

C0000-C07FFh

C2000-C3FFFh

Closed

Closed

Closed

Closed

Closed

 

C0800-C0FFFh

C2000-C3FFFh

Closed

Open

Closed

Closed

Closed

 

C1000-C17FFh

C2000-C3FFFh

Closed

Closed

Open

Closed

Closed

 

C1800-C1FFFh

C2000-C3FFFh

Closed

Open

Open

Closed

Closed

 

C4000-C47FFh

C6000-C7FFFh

Closed

Closed

Closed

Open

Closed

 

C4800-C4FFFh

C6000-C7FFFh

Closed

Open

Closed

Open

Closed

 

C5000-C57FFh

C6000-C7FFFh

Closed

Closed

Open

Open

Closed

 

C5800-C5FFFh

C6000-C7FFFh

Closed

Open

Open

Open

Closed

 

CC000-CC7FFh

CE000-CFFFFh

Closed

Closed

Closed

Closed

Open

 

CC800-CCFFFh

CE000-CFFFFh

Closed

Open

Closed

Closed

Open

 

CD000-CD7FFh

CE000-CFFFFh

Closed

Closed

Open

Closed

Open

 

CD800-CDFFFh

CE000-CFFFFh

Closed

Open

Open

Closed

Open

 

D0800-D0FFFh

D2000-D3FFFh

Closed

Open

Closed

Open

Open

 

D1000-D17FFh

D2000-D3FFFh

Closed

Closed

Open

Open

Open

 

D1800-D1FFFh

D2000-D3FFFh

Closed

Open

Open

Open

Open

 

D4000-D47FFh

D6000-D7FFFh

Open

Closed

Closed

Closed

Closed

 

D4800-D4FFFh

D6000-D7FFFh

Open

Open

Closed

Closed

Closed

 

D5000-D57FFh

D6000-D7FFFh

Open

Closed

Open

Closed

Closed

 

D5800 D5FFFh

D6000-D7FFFh

Open

Open

Open

Closed

Closed

 

D8000-D87FFh

DA000-DBFFFh

Open

Closed

Closed

Open

Closed

 

D8800-D8FFFh

DA000-DBFFFh

Open

Open

Closed

Open

Closed

 

D9000-D97FFh

DA000-DBFFFh

Open

Closed

Open

Open

Closed

 

D9800-D9FFFh

DA000-DBFFFh

Open

Open

Open

Open

Closed

 

DC000-DC7FFh

DE000-DFFFFh

Open

Closed

Closed

Closed

Open

 

DC800-DCFFFh

DE000-DFFFFh

Open

Open

Closed

Closed

Open

 

DD000-DD7FFh

DE000-DFFFFh

Open

Closed

Open

Closed

Open

 

DD800-DDFFFh

DE000-DFFFFh

Open

Open

Open

Closed

Open

 

E0000-E07FFh

E2000-E3FFFh

Open

Closed

Closed

Open

Open

 

E0800-E0FFFh

E2000-E3FFFh

Open

Open

Closed

Open

Open

 

E1000-E17FFh

E2000-E3FFFh

Open

Closed

Open

Open

Open

 

E1800-E1FFFh

E2000-E3FFFh

Open

Open

Open

Open

Open

I/O BASE ADDRESS

Address

JP20

JP21

JP22

»

2E0-2EFh

On

Off

On

 

260-26Fh

On

On

On

 

290-29Fh

Off

On

On

 

2F0-2FFh

Off

Off

On

 

300-30Fh

On

On

Off

 

350-35Fh

Off

On

Off

 

380-38Fh

On

Off

Off

 

3E0-3EFh

Off

Off

Off