ACCTON TECHNOLOGY CORPORATION
TRANSPAIR-ST (EN2033)
|
Card Type |
Ethernet Transceiver |
|
NIC Type |
Ethernet |
|
Maximum Onboard Memory |
Unidentified |
|
Boot ROM |
Not available |
|
Network Transfer Rate |
10Mbps |
|
Topology |
Linear Bus |
|
Wiring Type |
RJ-45 Unshielded twisted pair, Fiber optic cable |
|
Data Bus |
External |
|
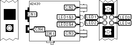
CONNECTIONS | |||
|
Function |
Label |
Function |
Label |
|
RJ-45 connector |
CN1 |
ST receive connector |
CN3 |
|
ST transmit connector |
CN2 |
DC power connector |
CN4 |
|
USER CONFIGURABLE SETTINGS | ||
|
Function |
Label |
Position |
|
MDI function enabled |
SW1 |
On |
|
MDI function disabled |
SW1 |
Off |
|
DIAGNOSTIC LED(S) | |||
|
LED |
Color |
Status |
Condition |
|
LED1 |
Green |
On |
UTP network connection is good |
|
LED1 |
Green |
Off |
UTP network connection is broken |
|
LED2 |
Yellow |
Blinking |
Data is being transmitted or received |
|
LED2 |
Yellow |
Off |
Data is not being transmitted or received |
|
LED3 |
Green |
On |
Fiber network connection is good |
|
LED3 |
Green |
Off |
Fiber network connection is broken |
|
LED4 |
Green |
On |
Power is connected |
|
LED4 |
Green |
Off |
Power is not connected |