EDIMAX COMPUTER COMPANY
1000A V2.4
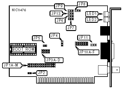
|
NIC Type |
Ethernet |
|
Transfer Rate |
10Mbps |
|
Data Bus |
8-bit ISA |
|
Topology |
Star Linear Bus |
|
Wiring Type |
RG-58A/U 50ohm coaxial Unshielded twisted pair AUI transceiver via DB-15 port |
|
Boot ROM |
Available |
|
I/O BASE ADDRESS | ||||
|
Address |
JP1A |
JP1B |
JP1C | |
| » |
300h |
Closed |
Closed |
Closed |
|
320h |
Closed |
Closed |
Open | |
|
340h |
Closed |
Open |
Closed | |
|
360h |
Closed |
Open |
Open | |
|
INTERRUPT SETTINGS | ||||||
|
IRQ |
JP1D |
JP1E |
JP1F |
JP1G |
JP1H |
JP1I |
|
2 |
Closed |
Open |
Open |
Open |
Open |
Open |
|
3 |
Open |
Closed |
Open |
Open |
Open |
Open |
|
4 |
Open |
Open |
Closed |
Open |
Open |
Open |
|
5 |
Open |
Open |
Open |
Closed |
Open |
Open |
|
6 |
Open |
Open |
Open |
Open |
Closed |
Open |
|
7 |
Open |
Open |
Open |
Open |
Open |
Closed |
|
DMA CHANNEL | |||||
|
Channel |
JP1J |
JP1K |
JP1L |
JP1M | |
| » |
Disabled |
Closed |
Open |
Closed |
Open |
|
DMA1 |
Closed |
Open |
Closed |
Open | |
|
DMA3 |
Open |
Closed |
Open |
Closed | |
|
CONNECTORS | |
|
Setting |
Location |
|
External power LED. |
JP2 |
|
BOOT ROM ADDRESS | |||||
|
Address |
JP3A |
JP3B |
JP3C |
JP3D | |
|
C0000h |
Closed |
Closed |
Closed |
Closed | |
|
C4000h |
Open |
Closed |
Closed |
Closed | |
| » |
C8000h |
Closed |
Open |
Closed |
Closed |
|
CC000h |
Open |
Open |
Closed |
Closed | |
|
D0000h |
Closed |
Closed |
Open |
Closed | |
|
D4000h |
Open |
Closed |
Open |
Closed | |
|
D8000h |
Closed |
Open |
Open |
Closed | |
|
DC000h |
Open |
Open |
Open |
Closed | |
|
CABLE TYPE | ||||
|
Type |
JP4 |
JP10A-JP10F |
JP11 | |
| » |
RG-58A/U 50ohm coaxial |
Pins 2 & 3 Closed |
Open |
Pins 2 & 3 Closed |
|
AUI transceiver via DB-15 port |
Pins 1 & 2 Closed |
Open |
Pins 1 & 2 Closed | |
|
Unshielded twisted pair |
Pins 1 & 2 Closed |
Closed |
Pins 2 & 3 Closed | |
|
BOOT ROM | ||
|
Setting |
JP5 | |
| » |
Disabled |
Open |
|
Enabled |
Closed | |
|
AUTOPOLARITY | ||
|
Setting |
JP6 | |
| » |
Enabled |
Pins 1 & 2 Closed |
|
Disabled |
Pins 2 & 3 Closed | |
|
Note: If disabled, and the network wire polarities are reversed, the card will be damaged. | ||
|
LINK INTEGRITY | ||
|
Setting |
JP7 | |
| » |
Enabled |
Pins 2 & 3 Closed |
|
Disabled |
Pins 1 & 2 Closed | |
|
Note: If this option is disabled, SQE is also disabled and Cable Length is set to 185 meters | ||
|
SIGNAL QUALITY ERROR (SQE) TEST | ||
|
Setting |
JP8 | |
| » |
Enabled |
Pins 1 & 2 Closed |
|
Disabled |
Pins 2 & 3 Closed | |
|
Note:Signal Quality Error (SQE) is a test of the collision circuitry and path. Link integrity must be enabled for SQE to be enabled. | ||
|
CABLE LENGTH SELECT | ||
|
Setting |
JP13 | |
| » |
185 meters |
Pins 1 & 2 Closed |
|
305 meters |
Pins 2 & 3 Closed | |
|
Note: All cards on the network segment must have this function set the same. Link integrity must be enabled to select long cable length. | ||
|
FACTORY CONFIGURED SETTINGS | |
|
Jumper |
Setting |
|
JP9 |
Unused |
|
DIAGNOSTIC LED(S) | |||
|
LED |
Color |
Status |
Condition |
|
LED1 |
Yellow |
Off |
Normal operation |
|
LED1 |
Yellow |
On |
A reversed twisted pair is detected and corrected |
|
LED2 |
Green |
On |
Twisted pair network connection is good |
|
LED2 |
Green |
Off |
Twisted pair network connection is broken |