INTERPHASE CORPORATION
5511 PCI FDDI ADAPTER (DAS SC DUPLEX PB05511-002)
|
Card Type |
Network Interface Card |
|
NIC Type |
FDDI |
|
Maximum Onboard Memory |
Unidentified |
|
Boot ROM |
Unidentified |
|
Network Transfer Rate |
100Mbps |
|
Topology |
Ring, Peer-Peer |
|
Wiring Type |
Fiber optic cable |
|
Data Bus |
32-bit PCI |
|
CONNECTIONS | |||
|
Function |
Label |
Function |
Label |
|
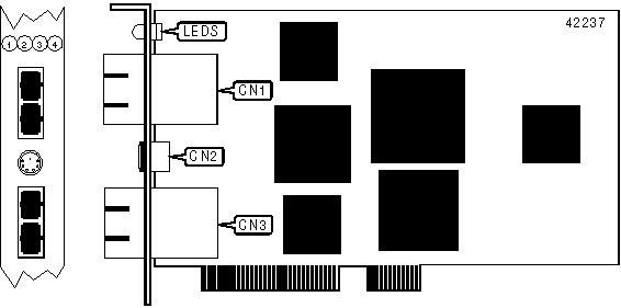
Fiber optic connector - SC (Port A) |
CN1 |
Fiber optic connector - SC (Port B) |
CN3 |
|
6-pin DIN (Optical Bypass Switch) |
CN2 | ||
|
DIAGNOSTIC LED(S) | |
|
LED1 |
Condition |
|
On |
Network connection good |
|
Off |
Network connection broken |
|
DIAGNOSTIC LED(S) CONTINUED | |||
|
LED2 |
LED3 |
LED4 |
Condition |
|
Off |
Off |
On |
Onboard SMT processor diagnostics in progress or failure (adapter not operational). |
|
On |
Blinking |
Off |
Onboard SMT processor providing Common Boot interface to host system. |
|
Blinking |
Off |
Off |
Onboard SMT processor providing Report Command interface to host system. |
|
Blinking |
On |
Off |
Network connection enabled and Report Command interface continuing. |
|
Note: When the 5511 is either powered up or reset, the SMT processor automatically performs a series of onboard diagnostics. If the diagnostics complete successfully, LED4 (Error LED) will go to Off. If the diagnostics complete unsuccessfully, LED4 will remain on indicating processor initialization failure, and the adapter will be inoperational. | |||