SVEC COMPUTER CORPORATION

FD0406C/FD0409C

NIC Type:

ARCnet

Transfer Rate:

2.5Mbps

Data Bus:

8-bit ISA

Topology:

Linear bus (FD0409C)

Star (FD0406C)

Wiring Type

RG62A/U 93ohm coaxial

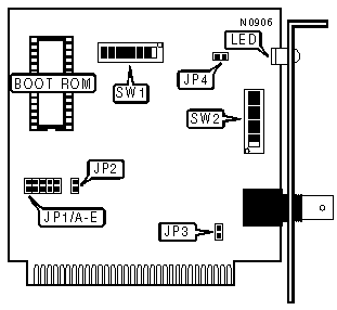
Boot ROM

Available

INTERRUPT SELECT - JP1

IRQ

Jumper A

Jumper B

Jumper C

Jumper D

Jumper E

»

IRQ2

Closed

Open

Open

Open

Open

 

IRQ3

Open

Closed

Open

Open

Open

 

IRQ4

Open

Open

Closed

Open

Open

 

IRQ5

Open

Open

Open

Closed

Open

 

IRQ7

Open

Open

Open

Open

Closed

BOOT ROM

Setting

JP2

»

Disabled

Open

 

Enabled

Closed

ON-BOARD TERMINATOR

Setting

JP3

»

Enabled

Closed

 

Disabled

Open

MEMORY ADDRESS

RAM Address

ROM Address

SW1/1

SW1/2

SW1/3

SW1/4

SW1/5

»

D0000h

D2000h

On

On

Off

Off

On

 

C0000h

C2000h

On

On

On

On

On

 

C0800h

C2000h

Off

On

On

On

On

 

C1000h

C2000h

On

Off

On

On

On

 

C1800h

C2000h

Off

Off

On

On

On

 

C4000h

C6000h

On

On

Off

On

On

 

C4800h

C6000h

Off

On

Off

On

On

 

C5000h

C6000h

On

Off

Off

On

On

 

C5800h

C6000h

Off

Off

Off

On

On

 

CC000h

CE000h

On

On

On

Off

On

 

CC800h

CE000h

Off

On

On

Off

On

 

CD000h

CE000h

On

Off

On

Off

On

 

CD800h

CE000h

Off

Off

On

Off

On

 

D0800h

D2000h

Off

On

Off

Off

On

 

D1000h

D2000h

On

Off

Off

Off

On

 

D1800h

D2000h

Off

Off

Off

Off

On

 

D4000h

D6000h

On

On

On

On

Off

 

D4800h

D6000h

Off

On

On

On

Off

 

D5000h

D6000h

On

Off

On

On

Off

 

D5800h

D6000h

Off

Off

Off

On

Off

 

D4000h

D6000h

On

On

On

On

Off

 

D4800h

D6000h

Off

On

On

On

Off

 

D5000h

D6000h

On

Off

On

On

Off

 

D5800h

D6000h

Off

Off

Off

On

Off

 

D4000h

D6000h

On

On

On

On

Off

 

D4800h

D6000h

Off

On

On

On

Off

 

D5000h

D6000h

On

Off

On

On

Off

 

D5800h

D6000h

Off

Off

Off

On

Off

 

E0000h

E2000h

On

On

Off

Off

Off

 

E0800h

E2000h

Off

On

Off

Off

Off

 

E1000h

E2000h

On

Off

Off

Off

Off

 

E1800h

E2000h

Off

Off

Off

Off

Off

I/O ADDRESS

Address

SW1/6

SW1/7

SW1/8

»

2E0h

On

Off

On

 

260h

On

On

On

 

290h

Off

On

On

 

2E0h

On

Off

On

 

2F0h

Off

Off

On

 

300h

On

On

Off

 

350h

Off

On

Off

 

380h

On

Off

Off

 

3E0h

Off

Off

Off

NODE ID NUMBER

ID #

SW2/1

SW2/2

SW2/3

SW2/4

SW2/5

SW2/6

SW2/7

SW2/8

255

Off

Off

Off

Off

Off

Off

Off

Off

35

Off

Off

On

On

On

Off

On

On

1

Off

On

On

On

On

On

On

On

Note:Nodes can be numbered from 1 to 255. The switches are a binary representation of the node numbers. When a switch is off, the corresponding bit is set to 1 and has the following decimal value: SW2/1=1, SW2/2=2, SW2/3=4, SW2/4=8, SW2/5=16, SW2/6=32, SW2/7=64, SW2/8=128.

DIAGNOSTIC LED

Status

Condition

On

Network connected successfully/data is being transmitted or received

Off

Power off/network not connected successfully

Dim

Heavy data traffic on network

CONNECTORS

Purpose

Location

External LED connector

JP4