SURECOM TECHNOLOGY CORPORATION
EP301
|
NIC Type |
Ethernet |
|
Network Transfer Rate |
10Mbps |
|
Data Bus |
16-bit ISA |
|
Topology |
Linear Bus, Star |
|
Wiring Type |
Unshielded twisted pair AUI transceiver via DB-15 port RG-58A/U 50ohm coaxial |
|
Boot ROM |
Not available |
|
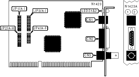
CONNECTIONS | |||
|
Function |
Label |
Function |
Label |
|
Unshielded twisted pair port |
CN1 |
RG-58A/U 50ohm coaxial |
CN3 |
|
AUI transceiver via DB-15 port |
CN2 | ||
|
BASE I/O ADDRESS SELECTION (NON-ELNKII/16BIT MODE) | |||||||||
|
Setting |
JP1/A |
JP1/B |
JP1/C |
JP1/D |
JP1/E |
JP1/F |
JP1/G |
JP1/H |
JP1/I |
|
Software |
Closed |
Open |
Open |
Open |
Open |
Open |
Open |
Open |
Open |
|
360h |
Open |
Closed |
Open |
Open |
Open |
Open |
Open |
Open |
Open |
|
340h |
Open |
Open |
Closed |
Open |
Open |
Open |
Open |
Open |
Open |
|
320h |
Open |
Open |
Open |
Closed |
Open |
Open |
Open |
Open |
Open |
|
300h |
Open |
Open |
Open |
Open |
Closed |
Open |
Open |
Open |
Open |
|
2A0h |
Open |
Open |
Open |
Open |
Open |
Closed |
Open |
Open |
Open |
|
280h |
Open |
Open |
Open |
Open |
Open |
Open |
Closed |
Open |
Open |
|
240h |
Open |
Open |
Open |
Open |
Open |
Open |
Open |
Closed |
Open |
|
220h |
Open |
Open |
Open |
Open |
Open |
Open |
Open |
Open |
Closed |
|
BASE I/O ADDRESS SELECTION (ELNKII/16BIT MODE) | |||||||||
|
Setting |
JP1/A |
JP1/B |
JP1/C |
JP1/D |
JP1/E |
JP1/F |
JP1/G |
JP1/H |
JP1/I |
|
Software |
Closed |
Open |
Open |
Open |
Open |
Open |
Open |
Open |
Open |
|
350h |
Open |
Closed |
Open |
Open |
Open |
Open |
Open |
Open |
Open |
|
330h |
Open |
Open |
Closed |
Open |
Open |
Open |
Open |
Open |
Open |
|
310h |
Open |
Open |
Open |
Closed |
Open |
Open |
Open |
Open |
Open |
|
300h |
Open |
Open |
Open |
Open |
Closed |
Open |
Open |
Open |
Open |
|
2EOh |
Open |
Open |
Open |
Open |
Open |
Closed |
Open |
Open |
Open |
|
2A0h |
Open |
Open |
Open |
Open |
Open |
Open |
Closed |
Open |
Open |
|
280h |
Open |
Open |
Open |
Open |
Open |
Open |
Open |
Closed |
Open |
|
250h |
Open |
Open |
Open |
Open |
Open |
Open |
Open |
Open |
Closed |
|
BOOT ROM ADDRESS CONFIGURATION (NON-ELNK/16BIT MODE) | ||||||||
|
Address |
JP2/A |
JP2/B |
JP2/C |
JP2/D |
JP2/E |
JP2/F |
JP2/G |
JP2/H |
|
Software |
Closed |
Open |
Open |
Open |
Open |
Open |
Open |
Open |
|
Disabled |
Open |
Closed |
Open |
Open |
Open |
Open |
Open |
Open |
|
DC000h |
Open |
Open |
Closed |
Open |
Open |
Open |
Open |
Open |
|
D8000h |
Open |
Open |
Open |
Closed |
Open |
Open |
Open |
Open |
|
D4000h |
Open |
Open |
Open |
Open |
Closed |
Open |
Open |
Open |
|
D0000h |
Open |
Open |
Open |
Open |
Open |
Closed |
Open |
Open |
|
CC000h |
Open |
Open |
Open |
Open |
Open |
Open |
Closed |
Open |
|
C8000h |
Open |
Open |
Open |
Open |
Open |
Open |
Open |
Closed |
|
BOOT ROM ADDRESS CONFIGURATION (ELNK/16BIT MODE) | ||||||||
|
Address |
JP2/A |
JP2/B |
JP2/C |
JP2/D |
JP2/E |
JP2/F |
JP2/G |
JP2/H |
|
Software |
Closed |
Open |
Open |
Open |
Open |
Open |
Open |
Open |
|
Disabled |
Open |
Closed |
Open |
Open |
Open |
Open |
Open |
Open |
|
DC000h |
Open |
Open |
Closed |
Open |
Open |
Open |
Open |
Open |
|
D8000h |
Open |
Open |
Open |
Closed |
Open |
Open |
Open |
Open |
|
CC000h |
Open |
Open |
Open |
Open |
Closed |
Open |
Open |
Open |
|
C8000h |
Open |
Open |
Open |
Open |
Open |
Closed |
Open |
Open |
|
PCI INTERRUPT SELECTION | |||||||||
|
IRQ |
JP3/A |
JP3/B |
JP3/C |
JP3/D |
JP3/E |
JP3/F |
JP3/G |
JP3/H |
JP3/I |
|
Software |
Closed |
Open |
Open |
Open |
Open |
Open |
Open |
Open |
Open |
|
2/9 |
Open |
Open |
Open |
Open |
Open |
Open |
Open |
Open |
Closed |
|
3 |
Open |
Open |
Open |
Open |
Open |
Open |
Open |
Closed |
Open |
|
4 |
Open |
Open |
Open |
Open |
Open |
Open |
Closed |
Open |
Open |
|
5 |
Open |
Open |
Open |
Open |
Open |
Closed |
Open |
Open |
Open |
|
7 |
Open |
Open |
Open |
Open |
Closed |
Open |
Open |
Open |
Open |
|
10 |
Open |
Open |
Open |
Closed |
Open |
Open |
Open |
Open |
Open |
|
11 |
Open |
Open |
Closed |
Open |
Open |
Open |
Open |
Open |
Open |
|
15 |
Open |
Closed |
Open |
Open |
Open |
Open |
Open |
Open |
Open |
|
COMBATIBILITY MODE CONFIGURATION | ||||||
|
Setting |
JP4/A |
JP4/B |
JP4/C |
JP4/D |
JP4/E |
JP4/F |
|
Software |
Closed |
Open |
Open |
Open |
Open |
Open |
|
N2000 (C&T) |
Open |
Closed |
Open |
Open |
Open |
Open |
|
N2000 (STD) |
Open |
Open |
Closed |
Open |
Open |
Open |
|
N1000 TURBO |
Open |
Open |
Open |
Closed |
Open |
Open |
|
03EBT/13EBT |
Open |
Open |
Open |
Open |
Closed |
Open |
|
ELNKII/16BIT |
Open |
Open |
Open |
Open |
Open |
Closed |
|
DIAGNOSTIC LED(S) | |||
|
LED |
Color |
Status |
Condition |
|
LED1 |
Green |
On |
10Base-T network connection is good |
|
LED1 |
Green |
Blinking |
Data is being received |
|
LED1 |
Green |
Off |
10Base-T network connection is broken |
|
LED2 |
Red |
On |
10Base-T polarity is reversed |
|
LED2 |
Red |
Blinking |
Data is being transmitted |
|
LED2 |
Red |
Off |
10Base-T polarity is normal |