ADDTRON TECHNOLOGY CO., LTD.

ARF-3314V/SP

Card Type

Modem (synchronous/asynchronous)

Chipset

Unidentified

I/O Options

Microphone in, speaker out, voice

Maximum Data Rate

33.6Kbps

Maximum Fax Rate

14.4Kbps

Data Modulation

Unidentified

Fax Modulation

Unidentified

Error Correction/Compression

MNP5, MNP10EC, V.42, V.42bis

Fax Class

Class I

Data Bus

16-bit ISA

Card Size

Full height, half length

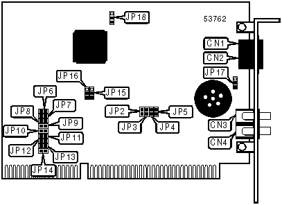
CONNECTIONS

Function

Label

Function

Label

Telephone line out

CN1

Microphone in

CN3

Telephone line in

CN2

Speaker out

CN4

USER CONFIGURABLE SETTINGS

Setting

Label

Position

í Factory configured - do not alter

JP8

Open

í Factory configured - do not alter

JP9

Open

í Factory configured - do not alter

JP10

Open

í Factory configured - do not alter

JP11

Open

í Factory configured - do not alter

JP12

Open

í Factory configured - do not alter

JP13

Open

í Factory configured - do not alter

JP14

Open

Internal audio amplifier enabled

JP17

Pins 2 & 3 closed

Internal audio amplifier disabled

JP17

Pins 1 & 2 closed

Microphone jack used for voice

JP18

Pins 1 & 2 closed

Microphone jack used for music on hold

JP18

Pins 2 & 3 closed

PLUG-N-PLAY

Setting

JP15

JP16

Disabled

Pins 1 & 2 closed

Pins 1 & 2 closed

Enabled

Pins 2 & 3 closed

Pins 2 & 3 closed

Note: If Plug-N-Play mode is enabled, all other jumper settings must also be set for Plug-N-Play.

SERIAL PORT ADDRESS SELECTION

Setting

JP2

JP3

JP4

JP5

3F8h (COM1:)

Closed

Open

Closed

Open

2F8h (COM2:)

Open

Closed

Closed

Open

3E8h (COM3:)

Closed

Open

Open

Closed

3E8h (COM4:)

Open

Closed

Open

Closed

Plug-N-Play

Open

Open

Open

Open

INTERRUPT SELECTION

Setting

JP6

JP7

3

Closed

Open

4

Open

Closed

Plug-N-Play

Open

Open

SUPPORTED STANDARD COMMANDS

Basic AT Commands

+++, ‘comma’, A/

A, B, D, E, H, L, M, N, O, P, Q, T, V, W, X, Y, Z

&C, &D, &F, &G, &J, &K, &P, &Q, &R, &S, &T, &V, &W, &Y, &Z

Extended AT Commands

\A, \B, \N, \V

%C, %E, %L, %Q, %TT

Special AT Commands

#CID, -K

S-Registers

S0, S1, S2, S3, S4, S5, S6, S7, S8, S9, S10, S11, S12, S14, S16, S18, S21, S22, S23, S25, S27

S30, S31, S32, S33, S37

Note: See MHI help file for complete information.

IS-101 COMMANDS

-S Commands

-DTP, -SAC, -SCD, -SDA, -SDS, -SER, -SFX, -SIC, -SIP, -SMT, -SQR, -SSQ, -SSR, -SVV

Note: The functions of the IS-101 commands are unidentified.

Proprietary AT Command Set

BREAK TYPE

Type:

Configuration

Format:

AT [cmds] \Kn [cmds]

Description:

Configures action of break signal.

Command

Function

\K0

Online command mode enabled, break not sent to remote modem.

\K1

Break sent to remote modem and buffers cleared.

\K2

Online command mode enabled, break not sent to remote modem.

\K3

Break sent to remote modem immediately.

\K4

Online command mode enabled, break not sent to remote modem.

\K5

Break sent with transmitted data.

DISPLAY CHIPSET MANUFACTURER

Type:

Immediate

Format:

AT [cmds] #MFR? [cmds]

Description:

Displays the voice chipset manufacturer’s name.

DISPLAY CHIPSET MODEL NAME

Type:

Immediate

Format:

AT [cmds] #MDL? [cmds]

Description:

Displays the model name of the modem's voice chipset.

DISPLAY CHIPSET REVISION

Type:

Immediate

Format:

AT [cmds] #REV? [cmds]

Description:

Displays the revision level of the modem's voice chipset.

DISPLAY INFORMATION

Type:

Immediate

Format:

AT [cmds] In [cmds]

Description:

Displays information requested about the modem.

Command

Function

I0

Displays product identification code.

I1

Displays chip firmware revision.

I2

Tests and displays ROM checksum result.

I3

Displays chipset manufacturer.

I4

Displays chipset configuration.

I5

Displays reserved chipset configuration.

I6

Displays country code.

I7

Displays board firmware revision.

I8

Displays firmware features.

MNP10EC MODE

Type:

Configuration

Format:

AT [cmds] -SEC=n [cmds]

Description:

Selects whether the modem will attempt to use MNP10EC mode during the handshaking sequence.

Command

Function

-SEC=0

MNP10EC handshaking disabled unless a V.34 connection is attempted via a cellular line.

í -SEC=1

MNP10EC handshaking enabled.

MODE SELECTION

Type:

Immediate

Format:

AT [cmds] #CLS=n [cmds]

Description:

Selects which mode the modem will operate in.

Command

Function

#CLS=0

Modem will operate in data mode.

#CLS=1

Modem will operate in fax class 1 mode.

#CLS=8

Modem will operate in voice mode.

TONE DETECTION

Format:

AT [cmds] #VTD=x,y,z [cmds]

Default:

x,y,z 63

Range:

0 - 63

Description:

Sets which tones the tone detection will report.

Note:

The value of x sets the tone detection modes in voice transmit mode, y sets them in voice receive mode, and z sets them in voice command mode.

Bit

Value

Function

0

0

í 1

DTMF tones are not detected.

DTMF tones are detected.

1

0

í 1

V.25 1300Hz calling tone is not detected.

V.25 1300Hz calling tone is detected.

2

0

í 1

T.30 1100Hz fax tone is not detected.

T.30 1100Hz fax tone is detected.

3

0

í 1

V.25/T.30 2100Hz answer tone is not detected.

V.25/T.30 2100Hz answer tone is detected.

4

0

í 1

Bell 2225Hz answer tone is not detected.

Bell 2225Hz answer tone is detected.

5

0

í 1

Call progress tones are not detected.

Call progress tones are detected.

TONE GENERATOR - DIRECT ENTRY

Type:

Immediate

Format:

AT [cmds] #VTS=[m, n, x]

Range:

m 200-3000, n 200-3000, x 0-255

Unit:

m 1 Hz, n 1 Hz, x .1 second

Description:

Generates a dual-frequency tone for duration x at frequencies m and n.

TONE GENERATOR - TIMED PHONE KEYS

Type:

Immediate

Format:

AT [cmds] #VTS={a, n}

Range:

a 0-9, A-D, #, *; x 0-255

Unit:

x .1 second

Description:

Generates the DTMF tone for duration x for the character a.

TONE GENERATOR - PHONE KEYS

Type:

Immediate

Format:

AT [cmds] #VTS=a

Range:

0-9, A-D, #, *

Description:

Generates the DTMF tones for the characters in the string for the duration set with +VBT.

TONE GENERATOR LENGTH

Format

AT [cmds] #VBT=n [cmds]

Default:

10

Range:

0 - 40

Unit:

0.1 second

Description:

Sets the length of DTMF tones that are generated.

VOICE BUFFER SPACE

Type:

Configuration

Format:

AT [cmds] #VSK=n [cmds]

Default:

255

Range:

0 - 255

Unit:

1 byte

Description:

Sets the amount of data the modem can send into the buffer after the XOFF signal is sent.

VOICE DEVICE

Type:

Configuration

Format:

AT [cmds] #VLS=n [cmds]

Description:

Selects the I/O device for the DSP chip.

Note:

This modem may not support all options listed below. The #VLS? command will display the available options.

Command

Function

í #VLS=0

Telephone line and handset used for voice I/O.

#VLS=1

Telephone handset used for voice I/O.

#VLS=2

Internal speaker only used for voice I/O.

#VLS=3

External microphone only used for voice I/O.

#VLS=4

Telephone line and handset used for voice I/O; internal speaker enabled.

#VLS=5

Headset used for voice I/O.

#VLS=6

Speakerphone used for voice I/O.

#VLS=7

Handset muted by disconnecting handset or speakerphone from telephone line.

#VLS=8

Connects caller ID relay for recording of conversation over handset.

#VLS=9

Connects handset (or speakerphone) to DSP chip for recording or playback.

VOICE - DISPLAY BUFFER SIZE

Type:

Immediate

Format:

AT [cmds] #VBQ? [cmds]

Description:

Displays the size of the voice buffer.

VOICE - DISPLAY COMPRESSION TYPE

Type:

Immediate

Format:

AT [cmds] #VCI? [cmds]

Description:

Displays the type of compression currently in use.

VOICE - LOCAL SERIAL PORT SPEED

Type:

Configuration

Format:

AT [cmds] #BDR=n [cmds]

Default:

0

Range:

0 - 48

Unit:

2400bps

Description:

Sets the speed of the local serial port when in voice mode. A value of 0 indicates that the modem should auto-detect the correct serial port speed.

VOICE RE-RING DETECT TIME

Type:

Configuration

Format:

AT [cmds] #VRA=n [cmds]

Default:

70

Range:

0 -255

Unit:

10 mS

Description:

Sets the maximum time the modem will wait for the remote station to ring again before it assumes that it has gone off-hook.

VOICE RECEIVE

Type:

Immediate

Format:

AT [cmds] #VRX

Description:

Commands the modem to begin receiving voice data.

VOICE RING DETECT TIME

Type:

Configuration

Format:

AT [cmds] #VRN=n [cmds]

Default:

70

Range:

0 - 255

Unit:

.1 second

Description:

Sets the maximum time the modem will wait for the remote station to ring before it assumes that it went off-hook before it rang.

VOICE SAMPLE QUALITY

Type:

Configuration

Format:

AT [cmds] #VBS=n [cmds]

Description:

Selects the number of bits per sample that the modem records.

Note:

This modem may not support all options listed below. The #VBS? command will display the available options.

Command

Function

#VBS=2

Modem records 2 bits per sample in ADPCM encoding.

#VBS=3

Modem records 3 bits per sample in ADPCM encoding.

í #VBS=4

Modem records 4 bits per sample in ADPCM encoding.

#VBS=8

Modem records 8 bits per sample in PCM encoding.

#VBS=16

Modem records 16 bits per sample in PCM encoding.

VOICE SAMPLING RATE

Type:

Configuration

Format:

AT [cmds] #VSR=n [cmds]

Description:

Sets the sampling rate used when recording voice signals.

Command

Function

í #VSR=7200

Selects a sampling rate of 7.2KHz.

#VSR=8000

Selects a sampling rate of 8KHz.

#VSR=11025

Selects a sampling rate of 11.025KHz in PCM encoding only.

VOICE SILENCE DETECTION TIME

Type:

Configuration

Format:

AT [cmds] #VSP=n [cmds]

Default:

55

Range:

0 - 255

Unit:

.1 second

Description:

Sets the minimum amount of silence that the modem will detect.

VOICE SILENCE DETECTION THRESHOLD

Type:

Configuration

Format:

AT [cmds] #VSS=n [cmds]

Description:

Sets the threshold of sensitivity that the modem uses to determine silence detection.

Command

Function

#VSS=0

Silence detection disabled.

#VSS=1

Minimum silence detection sensitivity.

#VSS=2

Standard silence detection sensitivity.

#VSS=3

Maximum silence detection sensitivity.

VOICE TIMING MARK

Type:

Configuration

Format:

AT [cmds] #VTM=n [cmds]

Description:

Configures timing mark placement.

Command

Function

#VTM=0

Timing marks disabled.

#VTM=1

Timing marks enabled.

VOICE TRANSMISSION LEVEL

Type:

Configuration

Format:

AT [cmds] #TL=hhhh [cmds]

Default:

3FFF

Range:

0000 - 7FFF

Unit:

Unidentified (hexadecimal)

Description:

Sets the transmission level for sending audio in voice mode.

VOICE TRANSMIT

Type:

Immediate

Format:

AT [cmds] #VTX

Description:

Commands the modem to begin transmitting voice data.

VOICE VOLUME LEVEL

Type:

Configuration

Format:

AT [cmds] #VGT=n [cmds]

Description:

Sets the volume level when playing back audio signals.

Command

Function

#VGT=128

Low volume setting.

í #VGT=129

Medium volume setting.

#VGT=130

High volume setting.

#VGT=131

Highest volume setting.