CARDINAL TECHNOLOGIES, INC.

MVP144IV2

Modem Type

Data (synchronous/asynchronous)/Fax/Voice

Maximum Data Rate

14.4Kbps

Maximum Fax Rate

14.4Kbps

Data Bus

8-bit ISA

Fax Class

Class I

Data Modulation Protocol

Bell 103A/212A

ITU-T V.21, V.22, V.22bis, V.23, V.32, V.32bis

Fax Modulation Protocol

ITU-T V.17, V.21CH2, V.27ter, V.29

Error Correction/Compression

MNP5, V.42, V.42bis

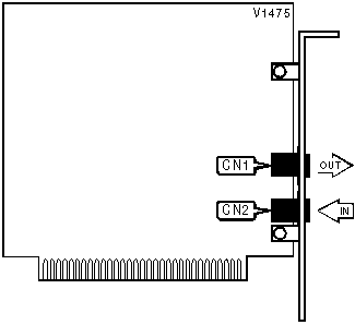
CONNECTIONS

Purpose

Location

Purpose

Location

Line out

CN1

Line in

CN2

Proprietary AT Command Set

AUTO-RETRAIN - FALLBACK/FALLFORWARD

Type:

Configuration

Format:

AT [cmds] %En [cmds]

Example:

AT %E2 <CR>

Description:

Controls auto-retrain mode and fallback/fall forward.

Command

Function

%E0

Auto-retrain disabled.

%E1

Auto-retrain enabled.

» %E2

Fallback/fall forward enabled.

BIT-MAPPED REGISTERS

Register

Default

S14

138

S16

0

S21

52

S22

117

S23

62

S27

73

S28

0

S31

194

S39

3

S40

104

S41

195

BREAK SEND

Type:

Configuration

Format:

AT [cmds] \Bn [cmds]

Example:

AT \B3 &W<CR>

Default:

3

Range:

1-9

Unit:

.1 second

Description:

Sends break to modem.

BREAK TYPE

Type:

Configuration

Format:

AT [cmds] \Kn [cmds]

Example:

AT \K5 <CR>

Description:

Configures action of break signal.

Command

Break from DTE

Reliable/Normal mode

Modem receives \B

Break from remote modem

\K0

Enter command mode, do not send break to remote modem.

Buffers cleared and break sent to remote modem.

Buffers cleared and break sent to DTE.

\K1

Buffers cleared and break sent to remote modem.

Buffers cleared and break sent to remote modem.

Buffers cleared and break sent to DTE.

\K2

Enter command mode, do not send break to remote modem.

Send break to remote modem immediately.

Send break to DTE immediately.

\K3

Send break to remote modem immediately.

Send break to remote modem immediately.

Send break to DTE immediately.

\K4

Enter command mode, do not send break to remote modem.

Send break to remote modem with transmitted data.

Break sent with received data to the DTE.

» \K5

Send break with transmitted data.

Send break to remote modem with transmitted data.

Break sent with received data to the DTE.

COMPROMISE EQUALIZER

Type:

Configuration

Format:

AT [cmds] :En [cmds]

Example:

AT :E1 &W<CR>

Description:

Controls V.32 compromise equalizer.

Command

Function

:E0

Equalizer disabled.

» :E1

Equalizer enabled.

CONNECT MODE

Type:

Configuration

Format:

AT [cmds] \Nn [cmds]

Example:

AT \N1 DT555-1212<CR>

Description:

Sets connect mode.

Command

Function

\N0

Normal mode.

\N1

Direct mode.

\N2

Reliable mode.

\N3

Auto-reliable mode.

\N4

V.42 reliable mode.

\N5

MNP error correction mode.

COMPRESSION

Type:

Configuration

Format:

AT %Cn

Example:

AT *EC0 %C1 *AP0<CR>

Description:

Selects data compression.

Command

Function

%C0

Data compression disabled.

%C1

MNP5 enabled.

%C2

V.42bis enabled.

» %C3

MNP5 and V.42bis enabled.

EXTENDED RING

Format:

AT [cmds] -SDR=n [cmds]

Example:

AT-SDR=3<CR>

Default:

0

Range:

0 - 7

Unit:

Bit-mapped

Description:

Selects the response to extended ring types.

Bit

Value

Function

0

» 0

1

Do not respond to ring type 1.

Respond to ring type 1.

1

» 0

1

Do not respond to ring type 2.

Respond to ring type 2.

2

» 0

1

Do not respond to ring type 3.

Respond to ring type 3.

FLASH DIAL MODIFIER TIME

Format

AT [cmds] S29=n [cmds]

Example:

ATS29=0<CR>

Default:

0

Range:

0-255

Unit:

.001 second

Description:

Time the modem will go on-hook upon receiving the ! dial modifier in dial string.

FLOW CONTROL CHARACTER - XOFF

Type:

Register

Format:

AT [cmds] S33=n [cmds]

Example:

ATS33=20<CR>

Default:

19

Range:

0-255

Unit:

ASCII

Description:

Sets the character used to represent XOFF.

FLOW CONTROL CHARACTER - XON

Type:

Register

Format:

AT [cmds] S32=n [cmds]

Example:

ATS32=20<CR>

Default:

17

Range:

0-255

Unit:

ASCII

Description:

Sets the character used to represent XON.

LINE SIGNAL LEVEL

Type:

Configuration

Format:

AT [cmds] %L [cmds]

Example:

AT %L &W<CR>

Description:

Returns recieved line signal level.

MAXIMUM BLOCK SIZE FOR TRANSMISSION

Type:

Configuration

Format:

AT [cmds] \An [cmds]

Example:

AT \A1 %C1<CR>

Description:

Sets the maximum transmittable block size.

Command

Function

\A0

MNP block size is 64 characters.

» \A1

MNP block size is 128 characters.

\A2

MNP block size is 192 characters.

\A3

MNP block size is 256 characters.

MNP10 TRANSMISSION LEVEL

Type:

Configuration

Format:

AT [cmds] -SECn,a [cmds]

Example:

AT-SEC1,24<CR>

Default:

Unidentified

Range:

a=0-30

Unit:

-1 dBm

Description:

Enables/disables and sets the transmission level for MNP10.

Command

Function

n=0

MNP10 disabled.

n=1

MNP10 enabled.

MODE SELECTION

Type:

Immediate

Format:

AT [cmds] +FCLASS=n [cmds]

Example:

AT +FCLASS=0 &W<CR>

Description:

Sets what mode the modem will operate in.

Command

Function

+FCLASS=0

Data mode enabled.

+FCLASS=1

Fax mode enabled.

+FCLASS=80

Voice mode enabled.

REPORT INFORMATION

Type:

Immediate

Format:

AT [cmds] In [cmds]

Example:

AT I1 O<CR>

Description:

Displays modem properties.

Command

Function

I0

Reports product code.

I1

Reports firmware checksum.

I2

Reports firmware checksum result. (report OK if correct)

I3

Reports firmware revision.

I4

Reports identifier string.

I5

Reports country code.

I6

Reports Data Pump modem and revision.

REPORT SIGNAL QUALITY

Type:

Configuration

Format:

AT [cmds] %Q [cmds]

Example:

AT %Q &W<CR>

Description:

Reports signal quality.

SLEEP TIMER

Format

AT [cmds] S24=n [cmds]

Example:

ATS24=40<CR>

Default:

1

Range:

0 - 255

Unit:

.01 second

Description:

Maximum duration of DTE and DCE inactivity allowed prior to initiating low-power sleep mode.

TRANSMISSION LEVEL

Type:

Configuration

Format:

AT [cmds] @Mn [cmds]

Example:

AT @M25 &W<CR>

Default:

0

Range:

11-30

Unit:

-1 dBm

Description:

Sets the signal level for transmission.

Command

Function

» @M0

-26dBm

@M1

-30dBm

@M2-@M10

-10dBm