MOTOROLA, INC.
RM201C
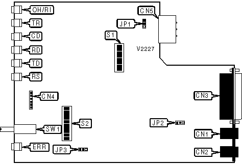
|
Card Type |
Modem (synchronous/asynchronous) |
|
Chip Set |
Unidentified |
|
Maximum Data Rate |
2400bps |
|
Data Bus |
External |
|
Data Modulation Protocol |
Unidentified |

|
CONNECTIONS | ||||||
|
Function |
Label |
Function |
Label | |||
|
Line out |
CN1 |
Eye Pattern connector |
CN4 | |||
|
Line in |
CN2 |
AC power in |
CN5 | |||
|
RS-232/422 |
CN3 |
Power/Error switch |
SW1 | |||
|
USER CONFIGURABLE SETTINGS | ||
|
Setting |
Label |
Position |
|
Chassis ground connected to signal ground |
JP1 |
Pins 2 & 3 closed |
|
Chassis ground not connected to signal ground |
JP1 |
Pins 1 & 2 closed |
|
Transmit level set to -9 (permissive) |
JP2 |
Pins 1 & 2 closed |
|
Transmit level set to programmable |
JP2 |
Pins 2 & 3 closed |
|
Long haul equalization |
JP3 |
Pins 1 & 2 closed |
|
Short haul equalization |
JP3 |
Pins 2 & 3 closed |
|
Internal clock source |
S1/3 |
Off |
|
External clock source |
S1/3 |
On |
|
Factory configured - do not alter |
S1/4 |
N/A |
|
Factory configured - do not alter |
S1/5 |
N/A |
|
CD normal |
S1/6 |
Off |
|
CD forced high |
S1/6 |
On |
|
Factory configured - do not alter |
S1/7 |
N/A |
|
Factory configured - do not alter |
S1/8 |
N/A |
|
Squelch receiver for 8ms during carrier detection |
S2/3 |
Off |
|
Squelch receiver for 110ms during carrier detection |
S2/3 |
On |
|
Auto-answer enabled |
S2/4 |
On |
|
Auto-answer disabled |
S2/4 |
Off |
|
CD signal level set to -30dBm |
S2/5 |
Off |
|
CD signal level set to -45dBm |
S2/5 |
On |
|
Factory configured - do not alter |
S2/6 |
N/A |
|
Use Type A modulation |
S2/7 |
On |
|
Use Type B modulation |
S2/7 |
Off |
|
Factory configured - do not alter |
S2/8 |
N/A |
|
CTS ECHO SUPPRESION DELAY | ||
|
Setting |
S1/1 |
S1/2 |
|
0ms |
On |
Off |
|
9ms |
Off |
On |
|
25ms |
Off |
Off |
|
150ms |
On |
On |
|
DISCONNECT DETECTION TIME | ||
|
Setting |
S2/1 |
S2/2 |
|
í Disabled |
Off |
Off |
|
50ms disconnect |
On |
Off |
|
100ms disconnect |
Off |
On |
|
200ms disconnect |
On |
On |
|
ANSWER-BACK TONE ECHO SUPPRESION | ||
|
Setting |
S2/9 |
S2/10 |
|
í Disabled |
Off |
Off |
|
1000ms |
On |
Off |
|
200ms |
Off |
On |
|
400ms |
On |
On |
|
DIAGNOSTIC LED(S) | |||
|
LED |
Color |
Status |
Condition |
|
OH/RI |
Red |
On |
Modem is off-hook |
|
OH/RI |
Red |
Off |
Modem is on-hook |
|
OH/RI |
Red |
Blinking |
Phone is ringing |
|
TR |
Red |
On |
DTR signal is high |
|
TR |
Red |
Off |
DTR signal is low |
|
CD |
Red |
On |
Carrier signal has been detected |
|
CD |
Red |
Off |
Carrier signal has not been detected |
|
RD |
Red |
On |
Modem is receiving data |
|
RD |
Red |
Off |
Modem is not receiving data |
|
TD |
Red |
On |
Modem is transmitting data |
|
TD |
Red |
Off |
Modem is not transmitting data |
|
RS |
Red |
On |
RTS signal is high |
|
RS |
Red |
Off |
RTS signal is low |