MICROCOM, INC.

OFFICEPORTE VOICE

Card Type

Modem (asynchronous)

Chipset

Rockwell

Maximum Onboard Memory

32KB RAM

I/O Options

Microphone, microphone in, speaker out, voice, speakerphone, SVD

Maximum Data Rate

33.6Kbps

Maximum Fax Rate

14.4Kbps

Data Modulation

Bell 103A, 212A

ITU-T V.21, V.22, V.22bis, V.23, V.32, V.32bis, V.34

Rockwell V.FC

Fax Modulation

ITU-T V.17, V.27ter, V.29

Error Correction/Compression

MNP5, MNP10EC, V.42, V.42bis

Fax Class

Class I & II

Data Bus

Serial

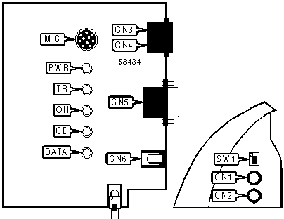
CONNECTIONS

Function

Label

Function

Label

Speaker out

CN1

Serial port

CN5

Microphone in

CN2

DC power in

CN6

Telephone line out

CN3

Microphone

MIC

Telephone line in

CN4

Power switch

SW1

DIAGNOSTIC LED(S)

LED

Color

Status

Condition

PWR

Unidentified

On

Power is on

PWR

Unidentified

Blinking

Modem failed NVRAM, RAM, ROM, or data pump power-up test

PWR

Unidentified

Off

Power is off

TR

Unidentified

On

DTR signal is high

TR

Unidentified

Off

DTR signal is low

OH

Unidentified

On

Modem is off-hook

OH

Unidentified

Off

Modem is on-hook

CD

Unidentified

On

Carrier signal detected

CD

Unidentified

Off

Carrier signal not detected

DATA

Unidentified

On

Modem is transmitting or receiving data

DATA

Unidentified

Off

Modem is not transmitting or receiving data

SUPPORTED STANDARD COMMANDS

Basic AT Commands

+++, A/

A, B, E, H, L, M, N, O, P, Q, T, V, W, X, Y, Z

&C, &D, &F, &G, &K, &Q, &S, &T, &V, &W, &Y, &Z

Extended AT Commands

\A, \B, \G, \K, \L, \N, \V

%C, %L, %Q

Special AT Commands

-K, +MS, -Q

S-Registers

S0, S1, S2, S3, S4, S5, S6, S7, S8, S9, S10, S11, S12, S14, S16, S18, S21, S22, S23, S25, S27

S29, S30, S31, S32, S33, S36, S38, S39, S46, S48, S82, S86, S95, S201

Note: See MHI help file for complete information.

Proprietary AT Command Set

AUTO-RETRAIN - AUTO-FALLBACK/FALL-FORWARD

Type:

Configuration

Format:

AT [cmds] %En [cmds]

Description:

Controls auto-retrain mode and fallback/fall-forward.

Command

Function

%E0

Auto-retrain disabled.

%E1

Auto-retrain enabled.

í %E2

Auto-fallback/fall-forward enabled.

%E3

Auto-retrain enabled; modem disconnects when EQM reaches disconnect threshold.

BIT-MAPPED REGISTER S40

Format

AT [cmds] S40=n [cmds]

Default:

105

Range:

0 - 238

Description:

Controls power level, break handling, MNP10, and MNP block size.

Bit

Value

Function

1, 0

00

í 01

10

MNP10 disabled.

MNP10 enabled.

MNP extended services enabled without indicating MNP on the answer detection phase.

2

í 0

1

Power level adjustment enabled.

Power level adjustment disabled.

5, 4, 3

000

001

010

011

100

í 101

\K0 set.

\K1 set.

\K2 set.

\K3 set.

\K4 set.

\K5 set.

7, 6

00

í 01

10

11

MNP block size is 64 characters.

MNP block size is 128 characters.

MNP block size is 192 characters.

MNP block size is 256 characters.

BIT-MAPPED REGISTER S41

Format

AT [cmds] S41=n [cmds]

Default:

155

Range:

0 - 219

Description:

Selects compression, auto-retrain and auto-fallback/fall-forward, modem-to-modem flow control, MNP mode, and low-speed MNP10.

Note:

Be aware that bit 6 is out of order.

Bit

Value

Function

1, 0

00

01

10

í 11

Data compression disabled.

MNP5 enabled.

V.42bis enabled.

MNP5 and V.42bis enabled.

6, 2

í 00

01

10

11

Auto-retrain disabled.

Auto-retrain enabled.

Auto-fallback/fall-forward enabled.

Auto-retrain enabled; modem disconnects when EQM reaches disconnect threshold.

3

í 0

1

Modem-to-modem flow control disabled.

Modem-to-modem flow control enabled.

4

í 0

1

MNP stream mode enabled.

MNP block mode enabled.

5

0

Not used.

7

0

í 1

MNP10 at 2400 and 1200bps disabled.

MNP10 at 2400 and 1200bps enabled.

MNP10 - LINK NEGOTIATION

Type:

Register

Format:

AT [cmds] S28=n [cmds]

Description:

Sets the speed at which MNP10 link negotiation will occur.

Command

Function

í S28=0

Link will be negotiated at highest possible speed.

S28=64

Link will be negotiated at 1200bps.

S28=128

Link will be negotiated at 4800bps.

DIAL

Type:

Immediate

Format:

AT [cmds] D<#>;[cmds]

Description:

Dials the telephone number indicated according to any modifiers included in the string.1

Command

Function

DL

Re-dial last number.

DP

Pulse dialing enabled.

DS=n

Dial stored telephone number n.

DT

Tone dialing enabled.

DW

Dialing resumed following dial tone detection.

D,

Dialing paused for amount of time specified in S8 register.

D"WXY"

Optional method of denoting telephone numbers. Letters enclosed in quotes are interpreted as numbers according to the system found on a telephone keypad.

D!

Flash function initiated. Modem commanded to go off-hook for specified time before returning on-hook.

D@

Wait for Quiet Answer function enabled. Modem waits until a "quiet answer," a ring-back signal followed by silence up to the time specified in S7, is received prior to executing the rest of the dial string.

D^

Disables the calling tone for this call.

D&

Wait for prompt tone detection function enabled. Waits for prompt tone for amount of time specified by the S7 command.

D;

Modem returned to idle state after dialing. The semicolon can only be placed at the end of the dial command.

DISPLAY INFORMATION

Type:

Immediate

Format:

AT [cmds] In [cmds]

Description:

Displays information requested about the modem.

Command

Function

I1

Performs a checksum on the firmware ROM and displays the result.

I2

Performs a checksum on the firmware ROM and displays the result as either OK or ERROR.

I3

Displays firmware revision and information.

I4

Displays feature bitmap.

I5

Displays country code.

I6

Displays data pump and CEP model and revision.

DISTINCTIVE RING

Format:

AT [cmds] -SDR=n [cmds]

Default:

Unidentified

Range:

0 - 7

Description:

Selects which distinctive ring signals the modem will respond to.

Bit

Value

Function

0

0

1

Do not respond to distinctive ring type 1.

Respond to distinctive ring type 1.

1

0

1

Do not respond to distinctive ring type 2.

Respond to distinctive ring type 2.

2

0

1

Do not respond to distinctive ring type 3.

Respond to distinctive ring type 3.

LINE SPEED

Type:

Register

Format:

AT [cmds] S37=n [cmds]

Description:

Sets the maximum allowable data exchange rate attempted during the handshaking process.

Command

Function

í S37=0

Attempt to connect at fastest common speed.

S37=1

Set speed to 300bps.

S37=2

Set speed to 300bps.

S37=3

Set speed to 300bps.

S37=4

Attempt to connect with V.23.

S37=5

Set speed to 1200bps.

S37=6

Set speed to 2400bps.

S37=8

Set speed to 4800bps.

S37=9

Set speed to 9600bps.

S37=10

Set speed to 12Kbps.

S37=11

Set speed to 14.4Kbps.

S37=12

Set speed to 7200bps.

MODE SELECTION

Type:

Immediate

Format:

AT [cmds] #CLS=n [cmds]

Description:

Selects which mode the modem will operate in.

Command

Function

#CLS=0

Modem will operate in data mode.

#CLS=1

Modem will operate in fax class I mode.

#CLS=2

Modem will operate in fax class II mode.

#CLS=8

Modem will operate in voice mode.

MNP10EC MODE

Type:

Configuration

Format:

AT [cmds] -SEC=n[,a] [cmds]

Description:

Selects whether the modem will attempt to use MNP10EC mode during the handshaking sequence.

Command

Function

-SEC=0

MNP10EC handshaking disabled unless a V.34 connection is attempted via a cellular line.

í -SEC=1,a

Default:

10

 

Range:

0 - 30

 

Unit:

-1 dBm

 

Description:

MNP10EC handshaking enabled and the transmit level is set to a. If the a option is not specified then the transmit level will be set to the default.

PULSE DIALING TYPE

Type:

Configuration

Format:

AT [cmds] *Zn [cmds]

Description:

Selects the type of pulse dialing the modem will use.

Command

Function

í *Z0

Pulse dialing type 0 used.

*Z1

Pulse dialing type 1 used.

SPEAKERPHONE OPTIONS

Type:

Configuration

Format:

AT [cmds] #SPK=x,y,z [cmds]

Description:

Sets various options for speakerphone functions.

Command

Function

x=0

Microphone disabled.

x=1

Microphone enabled.

x=2

Microphone enabled with maximum gain, speaker disabled.

y

Default:

5

 

Range:

0 - 16

 

Unit:

-2 dBm

 

Description:

Sets the attenuation level for speaker output in voice mode. A value of 16 will mute the speaker.

z=0

Microphone gain set to 0 dBm.

z=1

Microphone gain set to 6 dBm.

z=2

Microphone gain set to 9.5 dBm.

z=3

Microphone gain set to 12 dBm.

SVD DATA BURST

Type:

Configuration

Format:

AT [cmds] -SMC=n [cmds]

Description:

Selects whether the modem will increase data throughput when no audio signal is detected during an SVD connection.

Command

Function

-SMC=0

Data burst disabled.

í -SMC=1

Data burst enabled.

SVD BANDWIDTH

Type:

Configuration

Format:

AT [cmds] -SMS=a,b,c,d [cmds]

Description:

Selects the throughput levels allowed for SVD mode.

Command

Function

a=0

SVD mode disabled.

a=2

SVD mode enabled.

í a=3

Auto-detect correct mode.

b,c=4800

Sets the minimum or maximum combined voice or data speed to 4800bps, respectively.

b,c=7200

Sets the minimum or maximum combined voice or data speed to 7200bps, respectively.

b,c=9600

Sets the minimum or maximum combined voice or data speed to 9600bps, respectively.

b,c=12000

Sets the minimum or maximum combined voice or data speed to 12Kbps, respectively.

b,c=14400

Sets the minimum or maximum combined voice or data speed to 14.4Kbps, respectively.

d

Sets the baud rate for ML288 modulation mode. A setting of 0 will cause the modem to auto-detect the correct mode, which is the default.

SVD MODULATION

Type:

Configuration

Format:

AT [cmds] -SQS=m,n [cmds]

Description:

Selects which modulation type the modem will use for SVD mode.

Command

Function

m=0

Selects V.61 modulation.

m=1

Selects ML144 modulation.

í m=2

Selects ML288 modulation.

n=0

Modem will not auto-detect the correct modulation.

í n=1

Modem will auto-detect the correct modulation.

VOICE DEVICE

Type:

Configuration

Format:

AT [cmds] #VLS=n [cmds]

Description:

Selects the I/O device for the DSP chip.

Command

Function

í #VLS=0

Telephone line and handset used for voice I/O.

#VLS=1

Telephone handset used for voice I/O.

#VLS=2

Internal speaker only used for voice I/O.

#VLS=3

External microphone only used for voice I/O.

#VLS=4

Telephone line and handset used for voice I/O; internal speaker enabled.

#VLS=6

Speakerphone used for voice I/O.

VOICE SAMPLE QUALITY

Type:

Configuration

Format:

AT [cmds] #VBS=n [cmds]

Description:

Selects the number of bits per sample that the modem records.

Command

Function

#VBS=2

Modem records 2 bits per sample in ADPCM encoding.

í #VBS=4

Modem records 4 bits per sample in ADPCM encoding.

#VBS=8

Modem records 8 bits per sample in PCM encoding.

#VBS=16

Modem records 16 bits per sample in PCM encoding.

VOICE SAMPLING RATE

Type:

Configuration

Format:

AT [cmds] #VSR=n [cmds]

Description:

Sets the sampling rate used when recording voice signals.

Command

Function

í #VSR=7200

Selects a sampling rate of 7.2KHz.

#VSR=11025

Selects a sampling rate of 11.025KHz in PCM encoding only.

VOICE VOLUME LEVEL

Type:

Configuration

Format:

AT [cmds] #VGT=n [cmds]

Description:

Sets the volume level when playing back audio signals.

Command

Function

#VGT=128

Low volume setting.

í #VGT=129

Medium volume setting.

#VGT=130

High volume setting.

#VGT=131

Highest volume setting.