PURETEK INDUSTRIAL CO, INC.
14400BPS FAX/MODEM ADAPTER WITH VOICE
|
Card Type |
Fax, Modem (asynchronous), Voice |
|
Chip Set |
Unidentified |
|
I/O Options |
Speakerphone, Voicemail |
|
Maximum Data Rate |
14.4Kbps |
|
Maximum Fax Rate |
14.4Kbps |
|
Data Bus |
8-bit ISA |
|
Fax Class |
Class II |
|
Data Modulation Protocol |
Bell 103/212A ITU-T V.21, V.22, V.22bis, V.23, V.32, V.32bis |
|
Fax Modulation Protocol |
ITU-T V.17, V.21CH2, V.27ter, V.29 |
|
Error Correction/Compression |
MNP5, V.42, V.42bis |

|
CONNECTIONS | ||||||
|
Function |
Label |
Function |
Label | |||
|
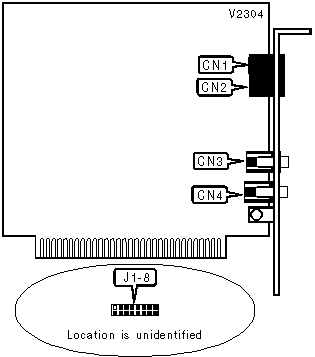
Line out |
CN1 |
Microphone connection |
CN3 | |||
|
Line in |
CN2 |
Speaker connection |
CN4 | |||
|
SERIAL PORT ADDRESS | |||
|
Setting |
J1 |
J2 |
J3 |
|
COM1 (3F8h) |
Open |
Open |
Open |
|
COM2 (2F8h) |
Closed |
Open |
Open |
|
COM3 (3E8h) |
Open |
Closed |
Open |
|
COM4 (2E8h) |
Closed |
Closed |
Open |
|
COM5 |
Open |
Open |
Closed |
|
COM6 |
Closed |
Open |
Closed |
|
COM7 |
Open |
Closed |
Closed |
|
COM8 |
Closed |
Closed |
Closed |
|
INTERRUPT SELECTION | |||||
|
Setting |
J4 |
J5 |
J6 |
J7 |
J8 |
|
2 |
Closed |
Open |
Open |
Open |
Open |
|
3 |
Open |
Closed |
Open |
Open |
Open |
|
4 |
Open |
Open |
Closed |
Open |
Open |
|
5 |
Open |
Open |
Open |
Closed |
Open |
|
9 |
Open |
Open |
Open |
Open |
Closed |
|
SUPPORTED COMMAND SET |
|
Basic AT Commands |
|
AT, ‘+++’, ‘Comma’, A/ |
|
A, B, D, E, H, L, M, O, Q, S, V, X, Y, Z |
|
&C, &D, &F, &G, &J, &K, &M, &P, &R, &S, &T, &V, &W, &X, &Y, &Z |
|
Extended AT Commands |
|
\A, \B, \E, \J, \K, \L, \O, \U, \V, \X, %A |
|
S Registers |
|
S0, S1, S2, S3, S4, S5, S6, S7, S8, S9, S10, S11, S12, S14, S16, S18, S21, S22, S25 |
|
S26, S27, S36, S46, S82, S95 |
|
Note: Please see MHI Help file for full command documentation. |
Proprietary AT Command Set
|
BIT-MAPPED REGISTER S23 | ||
|
Format |
AT [cmds] S23=n [cmds] | |
|
Default: |
28 | |
|
Range: |
0-191 | |
|
Unit: |
Bit-mapped | |
|
Description: |
Grants/denies remote digital loopback, controls DTE rate and parity, and sets guard tone. | |
|
Bit |
Value |
Function |
|
0 |
í 01 |
Remote digital loopback denied Remote digital loopback allowed |
|
3 - 1 |
000 001 010 011 100 101 í 110111 |
Sets serial port speed to 0-300bps Sets serial port speed to 600bps Sets serial port speed to 1200bps Sets serial port speed to 2400bps Sets serial port speed to 4800bps Sets serial port speed to 9600bps Sets serial port speed to 19200bps Sets serial port speed to 48400bps or upper data rate |
|
5, 4 |
00 í 0110 11 |
Parity even Space Parity Parity odd Mark or No Parity |
|
7, 6 |
í 0001 10 |
Guard tone disabled Guard tone 550Hz enabled Guard tone 1800Hz enabled |
|
BIT SAMPLING | ||
|
Type: |
Configuration | |
|
Format: |
AT [cmds] #VBS=n [cmds] | |
|
Description: |
Select bit sampling | |
|
Command |
Function | |
|
#VBS? |
Returns current setting of #VBS command | |
|
#VBS=2 |
2 bits per sample ADPCM enabled | |
|
#VBS=3 |
3 bits per sample ADPCM enabled | |
|
#VBS=4 |
4 bits per sample ADPCM enabled | |
|
BREAK TYPE | ||
|
Type: |
Configuration | |
|
Format: |
AT [cmds] \Kn [cmds] | |
|
Description: |
Configures action of break signal | |
|
Command |
Function | |
|
\K0 |
Online command mode enabled, send no break to remote modem | |
|
\K1 |
Break sent to remote modem and buffers cleared | |
|
\K2 |
Online command mode enabled, send no break to remote modem | |
|
\K3 |
Send break to remote modem immediately | |
|
\K4 |
Online command mode enabled, send no break to remote modem | |
|
í \K5 |
Send break with transmitted data | |
|
COMPRESSION | |
|
Type: |
Configuration |
|
Format: |
AT [cmds] %Cn [cmds] |
|
Description: |
Selects data compression |
|
Command |
Function |
|
%C0 |
Data compression disabled |
|
%C1 |
Data compression enabled |
|
CONNECT MODE | |
|
Type: |
Configuration |
|
Format: |
AT [cmds] \Nn [cmds] |
|
Description: |
Controls the type of connection the modem will operate in |
|
Command |
Function |
|
\N0 |
Normal mode enabled |
|
\N1 |
Direct mode enabled |
|
\N2 |
MNP Reliable mode enabled |
|
\N3 |
MNP auto-reliable mode enabled |
|
\N4 |
V.42 reliable mode with phase detection enabled |
|
í \N5 |
V.42 auto-reliable mode with phase detection enabled |
|
\N6 |
V.42 reliable mode without phase detection enabled |
|
\N7 |
V.42 auto-reliable mode without phase detection enabled |
|
DIAL - STORED NUMBER | |
|
Type: |
Immediate |
|
Format: |
AT [cmds] DS=n [cmds] |
|
Description: |
Dial stored number from memory location n, (n=0-2) |
|
DIAL/BUSY TONE DETECT RANGE | |||
|
Type: |
Register | ||
|
Format: |
AT [cmds] S96=n [cmds] | ||
|
Description: |
Selects the range the modem uses for dial/busy tone detection | ||
|
Command |
Range |
Function | |
|
í S96=0 |
350 - 620Hz |
USA, Korea, Taiwan | |
|
S96=1 |
425 - 450Hz |
Belgium | |
|
S96=2 |
440 - 700Hz |
France | |
|
S96=3 |
350 - 450Hz |
Israel, Japan | |
|
S96=4 |
375 - 475Hz |
Italy, Norway, Germany, Denmark | |
|
S96=5 |
150 - 450Hz |
Netherlands | |
|
S96=6 |
270 - 320Hz |
Singapore | |
|
S96=7 |
350 - 500Hz |
Sweden | |
|
S96=8 |
375 - 550Hz |
Switzerland | |
|
S96=9 |
350 - 440Hz |
United Kingdom | |
|
S96=10 |
110 - 700Hz |
Full range | |
|
ENERGY DETECTION THRESHOLD | |
|
Type: |
Register |
|
Format: |
AT [cmds] S97=n [cmds] |
|
Default: |
45 |
|
Range: |
Unidentified |
|
Unit: |
Unidentified |
|
Description: |
Selects dial tone detect threshold during CPM mode |
|
EXTENDED RESULT CODES | |
|
Type: |
Configuration |
|
Format: |
AT [cmds] Wn [cmds] |
|
Description: |
Controls extended result codes |
|
Command |
Function |
|
í W0 |
V.42 extended result codes disabled |
|
W1 |
V.42 extended result codes enabled |
|
FLOW CONTROL TYPE | |
|
Type: |
Configuration |
|
Format: |
AT [cmds] \Qn [cmds] |
|
Description: |
Sets type of flow control used by modem |
|
Command |
Function |
|
\Q0 |
Flow control disabled |
|
\Q1 |
XON/XOFF software flow control enabled |
|
\Q2 |
CTS hardware flow control enabled |
|
í \Q3 |
RTS/CTS hardware flow control enabled |
|
INACTIVITY TIMER | |
|
Type: |
Configuration |
|
Format: |
AT [cmds] \Tn [cmds] |
|
Default: |
0 |
|
Range: |
0-90 |
|
Unit: |
1 minute |
|
Description: |
Sets the length of time that the modem does not receive information before it disconnects. |
|
LINE TYPE | |
|
Type: |
Configuration |
|
Format: |
AT [cmds] &Ln [cmds] |
|
Description: |
Selects line type |
|
Command |
Line Type |
|
í &L0 |
Switched line |
|
&L1 |
Leased-line - 2-wire |
|
&L2 |
Leased-line - 4-wire |
|
MODE SELECTION | ||
|
Type: |
Configuration | |
|
Format: |
AT [cmds] #CLS=n [cmds] | |
|
Description: |
Controls the mode the modem will operate in | |
|
Command |
Function | |
|
#CLS? |
Returns current setting of #CLS command | |
|
#CLS=0 |
Data mode enabled | |
|
#CLS=2 |
Fax class 2 command mode enabled | |
|
#CLS=8 |
Voice mode enabled | |
|
MODEM MANUFACTURER | |
|
Type: |
Immediate |
|
Format: |
AT [cmds] #MFR? [cmds] |
|
Description: |
Reports modem manufacturer |
|
MODEM MODEL | |
|
Type: |
Immediate |
|
Format: |
AT [cmds] #MDL? [cmds] |
|
Description: |
Reports modem models |
|
MODEM REVISION | |
|
Type: |
Immediate |
|
Format: |
AT [cmds] #REV? [cmds] |
|
Description: |
Reports modem revision |
|
REPORT INFORMATION | |
|
Type: |
Immediate |
|
Format: |
AT [cmds] In [cmds] |
|
Description: |
Displays information requested |
|
Command |
Function |
|
I0 |
Reports product-identification code |
|
I1 |
Reports factory code |
|
I2 |
Reports internal memory test |
|
I3 |
Reports firmware version 1 |
|
I4 |
Reports firmware version 2 |
|
SIGNAL ROUTING | ||
|
Type: |
Configuration | |
|
Format: |
AT [cmds] #VLS=n [cmds] | |
|
Description: |
Select which signal is routed through the modem | |
|
Command |
Function | |
|
#VLS? |
Returns current setting of #VLS command | |
|
#VLS=0 |
Phone line interface routed through the modem | |
|
#VLS=1 |
Handset routed through the modem | |
|
#VLS=2 |
External speaker routed through the modem | |
|
#VLS=3 |
Auxiliary input device routed through the modem | |
|
#VLS=4 |
Internal speaker routed through the modem | |
|
SPEED - AUTOBAUD | ||
|
Type: |
Configuration | |
|
Format: |
AT [cmds] #BDR=n [cmds] | |
|
Description: |
Controls speed | |
|
Command |
Function | |
|
#BDR? |
Returns current setting of #BDR command | |
|
#BDR=0 |
Autobaud detection enabled | |
|
#BDR=n |
Returns ‘OK’ and switches to new speed specified by n*2400bps (n=1,2,4,6,8,16,24) | |
|
TONE GENERATION | |
|
Type: |
Configuration |
|
Format: |
AT [cmds] #VBT=n [cmds] |
|
Default: |
Unidentified |
|
Range: |
1-40 |
|
Unit: |
.1 second |
|
Description: |
Controls the amount of time a tone is generated |
|
Command |
Function |
|
#VBT? |
Returns current setting of #VBT command |
|
VOICE COMPRESSION METHOD | |
|
Type: |
Immediate |
|
Format: |
AT [cmds] #VCI? [cmds] |
|
Description: |
Reports voice compression method used |
|
VOICE INACTIVITY TIMER | |
|
Type: |
Register |
|
Format |
AT [cmds] S30=n [cmds] |
|
Default: |
0 |
|
Range: |
0-255 |
|
Unit: |
1 second |
|
Description: |
Maximum duration of DTE and DCE inactivity allowed prior to initiating hang-up process. |
|
Note: |
S30=0 disables the timer and allows indefinite inactivity. |
|
VOICE RECEIVE | |
|
Type: |
Immediate |
|
Format: |
AT [cmds] #VTX [cmds] |
|
Description: |
Enables voice receive during voice command mode |
|
VOICE TRANSMIT | |
|
Type: |
Immediate |
|
Format: |
AT [cmds] #VTX [cmds] |
|
Description: |
Enables voice transmission during voice command mode |
V.25bis COMMAND SET
|
CALL REQUESTED NUMBER | |
|
Type: |
Immediate |
|
Format: |
CRN<#> |
|
Description: |
Dials the number given; it will ignore spaces and hyphens in the string. |
|
CALL REQUEST WITH ADDRESS | |
|
Type: |
Immediate |
|
Format: |
CRSn |
|
Description: |
Dials the number stored in NVRAM at location n |
|
PROGRAM NUMBER | |
|
Type: |
Configuration |
|
Format: |
PRNn;<#> |
|
Description: |
Stores a phone number in NVRAM at location n |
|
REQUEST LISTED NUMBERS | |
|
Type: |
Immediate |
|
Format: |
RLN |
|
Description: |
Requests the modem to return the list of stored numbers in NVRAM |
|
DISREGARD INCOMING CALL | |
|
Type: |
Immediate |
|
Format: |
DIC |
|
Description: |
Instructs the modem to ignore the incoming call, if the modem is set to automatically answer. |
|
CONNECT INCOMING CALLS | |
|
Type: |
Immediate |
|
Format: |
CID |
|
Description: |
Instructs the modem to answer an incoming call. |
|
V.25bis/AT COMMANDS | |
|
Type: |
Immediate |
|
Format: |
AT [cmds] ATC [cmds] |
|
Description: |
Toggles between V.25bis and AT command set |