POWERCOM AMERICA, INC.
PM33V14I (ROCKWELL)
|
Card Type |
Modem (asynchronous) |
|
Chipset |
Rockwell |
|
I/O Options |
Microphone in, speaker out, voice, speakerphone, SVD |
|
Maximum Data Rate |
33.6Kbps |
|
Maximum Fax Rate |
14.4Kbps |
|
Data Modulation |
Unidentified |
|
Fax Modulation |
Unidentified |
|
Error Correction/Compression |
MNP5, MNP10, V.42, V.42bis |
|
Fax Class |
Unidentified |
|
Data Bus |
8-bit ISA |
|
Card Size |
Full height, one-third length |

|
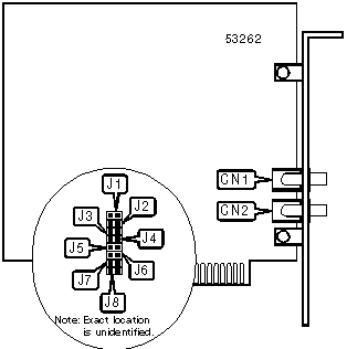
CONNECTIONS | |||
|
Function |
Label |
Function |
Label |
|
Speaker out |
CN1 |
Microphone in |
CN2 |
|
SERIAL PORT ADDRESS SELECTION | ||||
|
Setting |
J1 |
J2 |
J3 |
J4 |
|
3F8h (COM1:) |
Closed |
Closed |
Open |
Open |
|
2F8h (COM2:) |
Closed |
Open |
Open |
Closed |
|
3E8h (COM3:) |
Open |
Closed |
Closed |
Open |
|
2E8h (COM4:) |
Open |
Open |
Closed |
Closed |
|
INTERRUPT SELECTION | ||||
|
Setting |
J5 |
J6 |
J7 |
J8 |
|
2 |
Closed |
Open |
Open |
Open |
|
3 |
Open |
Closed |
Open |
Open |
|
í 4 |
Open |
Open |
Closed |
Open |
|
5 |
Open |
Open |
Open |
Closed |
|
SUPPORTED STANDARD COMMANDS |
|
Basic AT Commands |
|
+++, ‘comma’, A/ |
|
A, B, D, E, H, L, M, N, O, P, Q, T, V, W, X, Y, Z |
|
&C, &D, &F, &G, &K, &P, &Q, &R, &S, &T, &V, &W, &Y, &Z |
|
Extended AT Commands |
|
\A, \K, \N, \V |
|
%C, %E, %L, %Q |
|
Special AT Commands |
|
-K |
|
S-Registers |
|
S0, S1, S2, S3, S4, S5, S6, S7, S8, S9, S10, S11, S12, S14, S16, S18, S22, S24, S25, S26, S29 |
|
S30, S32, S33, S39, S46, S48, S82, S91, S92 |
Note: See MHI help file for complete information. |
|
UNIDENTIFIED COMMANDS | |
|
Command |
Default |
|
S21 |
4 |
|
S23 |
55 |
|
S27 |
74 |
|
S28 |
0 |
|
S31 |
194 |
|
S37 |
0 |
|
S41 |
13 |
Proprietary AT Command Set
|
DISPLAY INFORMATION | |
|
Type: |
Immediate |
|
Format: |
AT [cmds] In [cmds] |
|
Description: |
Displays information requested about the modem. |
|
Command |
Function |
|
I0 |
Displays product identification code. |
|
I1 |
Displays ROM checksum. |
|
I2 |
Tests and displays ROM checksum result. |
|
I3 |
Displays firmware model, revision and interface type. |
|
I4 |
Displays OEM string. |
|
I5 |
Displays country code. |
|
I6 |
Displays data pump model and revision. |
|
SIMULTANEOUS VOICE AND DATA | |
|
Type: |
Configuration |
|
Format: |
AT [cmds] -SMS=n [cmds] |
|
Description: |
Selects whether the modem will use SVD mode. |
|
Command |
Function |
|
í -SMS=0 |
SVD mode disabled. |
|
-SMS=2 |
SVD mode enabled. |
|
SVD DATA BURST | |
|
Type: |
Configuration |
|
Format: |
AT [cmds] -SMC=n [cmds] |
|
Description: |
Selects whether the modem will use data burst when in SVD mode. |
|
Command |
Function |
|
-SMC=0 |
Data burst disabled. |
|
í -SMC=1 |
Data burst enabled. |
|
SVD PROTOCOL | |
|
Type: |
Configuration |
|
Format: |
AT [cmds] -SQS=m,n [cmds] |
|
Description: |
Selects the modulation protocol the modem will use when in SVD mode. |
|
Command |
Function |
|
m=0 |
V.61 protocol selected. |
|
m=1 |
V.61+ protocol selected. |
|
í m=2 |
V.34Q protocol selected. |
|
í n=0 |
Auto-detection of correct protocol disabled. |
|
n=1 |
Auto-detection of correct protocol enabled. |
|
VOICE DEVICE | |
|
Type: |
Configuration |
|
Format: |
AT [cmds] #VLS=n [cmds] |
|
Description: |
Selects the I/O device for the DSP chip. |
|
Command |
Function |
|
í #VLS=0 |
Telephone line and handset used for voice I/O. |
|
#VLS=5 |
Headset used for voice I/O. |
|
#VLS=6 |
Speakerphone used for voice I/O. |