SOUTH MOUNTAIN TELECOMMUNICATIONS
SM-5743
|
Card Type |
Fax, Modem (asynchronous) |
|
Chip Set |
Unidentified |
|
Maximum Modem Rate |
14.4Kbps |
|
Maximum Fax Rate |
14.4Kbps |
|
Data Bus |
8-bit ISA |
|
Fax Class |
Class I & II |
|
Data Modulation Protocol |
Bell 103A/212A ITU-T V.21,V.22, V.22bis, V.32, V.32bis |
|
Fax Modulation Protocol |
ITU-T V.17, V.21 ch2, V.27ter, V.29 |
|
Error Correction/Compression |
MNP2-5, V.42, V.42bis |
|
Boot ROM |
Not available |

|
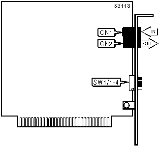
CONNECTIONS | ||||||
|
Function |
Label |
Function |
Label | |||
|
Line in |
CN1 |
Line out |
CN2 | |||
|
SERIAL PORT ADDRESS | ||
|
Setting |
SW1/1 |
SW1/2 |
|
í COM1 (3F8h) |
On |
On |
|
COM2 (2F8h) |
Off |
On |
|
COM3 (3E8h) |
On |
Off |
|
COM4 (2E8h) |
Off |
Off |
|
INTERRUPT | ||
|
Setting |
SW1/3 |
SW1/4 |
|
2 |
On |
Off |
|
3 |
Off |
On |
|
í 4 |
On |
On |
|
5 |
Off |
Off |
Proprietary AT Command Set
|
SUPPORTED STANDARD COMMANDS |
|
Basic AT Commands |
|
+++, ‘comma’, A/ |
|
A, D, H, L, M, N, O, Q, V, W, X, Z |
|
&D, &F, &G, &J, &K, &V, &W, &Y, &Z |
|
Extended AT Commands |
|
\A, \B, \G, \K, \V, \X, %A, %C, %E, %L, %Q |
|
S-Registers |
|
S0, S1, S2, S3, S4, S5, S6, S7, S8, S9, S10, S11, S12, S18, S25, S26, S46, S48 |
Note: See MHI documentation for complete information. |
|
UNIDENTIFIED COMMANDS | |
|
Command |
Default |
|
S37 |
0 |
|
S42 |
0 |
|
COMMUNICATION PROTOCOLS | |
|
Type: |
Configuration |
|
Format: |
AT [cmds] Bn [cmds] |
|
Description: |
Selects the communication protocol for data calls |
Note: The B command allows the simultaneous selection of more than one suffix, enabling multiple protocols. | |
|
Command |
Protocol |
|
B0 |
ITU-T V.22 at 1200bps |
|
í B1 |
Bell 212A at 1200bps |
|
B2 |
V.23- originate mode receive at 1200bps, send at 75bps; answer mode receive at 75bps, send at 1200bps |
|
B3 |
V.23- originate mode receive at 75bps, send at 1200bps; answer mode receive at 1200bps, send at 75bps |
|
CONNECT MODE | ||
|
Type: |
Immediate | |
|
Format: |
AT [cmds] \Nn [cmds] | |
|
Description: |
Controls the type of connection the modem will operate in | |
|
Command |
Function | |
|
\N0 |
Normal mode enabled | |
|
\N1 |
Direct mode enabled | |
|
\N2 |
MNP reliable mode enabled | |
|
í\N4 |
Auto-reliable mode enabled | |
|
DISPLAY INFORMATION | |
|
Type: |
Immediate |
|
Format: |
AT [cmds] In [cmds] |
|
Description: |
Displays information requested about the modem. |
|
Command |
Function |
|
I0 |
Displays product identification code. |
|
I1 |
Displays ROM checksum. |
|
I3 |
Displays firmware revision. |
|
I4 |
Displays product features. |
|
INACTIVITY TIMER | |
|
Type: |
Register |
|
Format |
AT [cmds] S30=n [cmds] |
|
Default: |
0 |
|
Range: |
0-90 |
|
Unit: |
1 minute |
|
Description: |
Maximum duration of DTE and DCE inactivity allowed prior to initiating hang-up process. |
|
Note: |
S30=0 disables the timer and allows indefinite inactivity. |
|
V.32 - AUTO-RETRAIN | |
|
Type: |
Configuration |
|
Format: |
AT [cmds] &Bn [cmds] |
|
Description: |
Controls auto-retrain function if poor line quality is detected |
|
Command |
Function |
|
&B0 |
Auto-retrain disabled modem hangs-up |
|
í &B1 |
Auto-retrain enabled if line quality is poor |
|
&B2 |
No hang-up, no auto-retrain |