WISECOM, INC.
DATA/FAX/VOICE MODEM 14.4 (REV.1)
|
Card Type |
Fax, Modem (asynchronous), Voice |
|
Chip Set |
Cirrus Logic |
|
I/O options |
Voice |
|
Maximum Data Rate |
14.4Kbps |
|
Maximum Fax Rate |
14.4Kbps |
|
Data Bus |
8-bit ISA |
|
Fax Class |
Class I |
|
Data Modulation Protocol |
Bell 103A/212A ITU-T V.21, V.22, V.22bis, V.32, V.32bis |
|
Fax Modulation Protocol |
ITU-T V.17, V.21CH2, V.27ter, V.29 |
|
Error Correction/Compression |
MNP5, V.42, V.42bis |

|
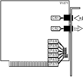
CONNECTIONS | ||||||
|
Function |
Label |
Function |
Label | |||
|
Line in |
CN1 |
Line out |
CN2 | |||
|
SERIAL PORT ADDRESS | ||
|
Setting |
JP8/1 |
JP8/2 |
|
COM1 (3F8h) |
Pins 1 & 2 closed |
Pins 1 & 2 closed |
|
COM2 (2F8h) |
Pins 2 & 3 closed |
Pins 1 & 2 closed |
|
COM3 (3E8h) |
Pins 1 & 2 closed |
Pins 2 & 3 closed |
|
í COM4 (2E8h) |
Pins 2 & 3 closed |
Pins 2 & 3 closed |
|
INTERRUPT | ||||
|
Setting |
JP8/3 |
JP8/4 |
JP8/5 |
JP8/6 |
|
2 |
Closed |
Open |
Open |
Open |
|
í 3 |
Open |
Closed |
Open |
Open |
|
4 |
Open |
Open |
Closed |
Open |
|
5 |
Open |
Open |
Open |
Closed |
Proprietary AT Command Set
|
ACCEPT RELIABLE MODE | |
|
Type: |
Immediate |
|
Format: |
AT [cmds] \U [cmds] |
|
Description: |
Accepts remote modem’s request for reliable link |
|
AUTO FALL FORWARD/FALLBACK | |
|
Type: |
Configuration |
|
Format: |
AT [cmds] %Gn [cmds] |
|
Description: |
Selects auto fallback/fall forward |
|
Command |
Function |
|
í %G0 |
Fallback/fall forward enabled |
|
%G1 |
Fallback/fall forward disabled |
|
AUTO-RELIABLE FALLBACK CHARACTER | |
|
Type: |
Configuration |
|
Format: |
AT [cmds] %An [cmds] |
|
Default: |
Unidentified |
|
Range: |
0-127 |
|
Unit: |
ASCII |
|
Description: |
Sets the character used as the auto-reliable fallback character. %A0 will disable this function. |
|
AUTO-RELIABLE TIME BUFFER CONFIGURATION | |
|
Type: |
Configuration |
|
Format: |
AT [cmds] \Cn [cmds] |
|
Description: |
Controls the handling of incoming data during auto-reliable time period |
|
Command |
Function |
|
í \C0 |
Data is discarded |
|
\C1 |
Data is buffered |
|
\C2 |
Data is discarded, modem returns to normal mode on receiving auto-reliable fallback character. |
|
AUTO-RETRAIN | |
|
Type: |
Configuration |
|
Format: |
AT [cmds] %En [cmds] |
|
Description: |
Selects auto-retrain mode |
|
Command |
Function |
|
%E0 |
Auto-retrain disabled |
|
í %E1 |
Auto-retrain enabled |
|
BIT MAPPED REGISTERS | |
|
Register |
Default |
|
S14 |
Unidentified |
|
S21 |
Unidentified |
|
S22 |
Unidentified |
|
S23 |
Unidentified |
|
S27 |
Unidentified |
|
BREAK SEND | |
|
Type: |
Configuration |
|
Format: |
AT [cmds] \Bn [cmds] |
|
Range: |
0-9 |
|
Unit: |
.1 seconds |
|
Description: |
Sends break to modem |
|
BREAK TYPE | |
|
Type |
Configuration |
|
Format |
AT [cmds] \Kn [cmds] |
|
Default |
5 |
|
Range |
0-5 |
|
Description |
Configures action of break signal |
|
CALLING TONE | |
|
Type: |
Configuration |
|
Format: |
AT [cmds] -Cn [cmds] |
|
Description: |
Controls whether the DTE will allow the modem to send a 1300Hz calling tone when originating. |
|
Command |
Function |
|
í -C0 |
Disable calling tone |
|
-C1 |
Enable calling tone |
|
COMPRESSION | |
|
Type: |
Configuration |
|
Format: |
AT [cmds] %Cn [cmds] |
|
Description: |
Selects data compression |
|
Command |
Function |
|
%C0 |
Data compression disabled |
|
í %C1 |
MNP5 enabled |
|
CONNECT MODE | |
|
Type: |
Configuration |
|
Format: |
AT [cmds] \Nn [cmds] |
|
Description: |
Sets connect mode |
|
Command |
Function |
|
\N0 |
Normal mode enabled |
|
\N1 |
Direct mode enabled |
|
\N2 |
MNP mode enabled |
|
í \N3 |
Auto-reliable mode enabled |
|
\N4 |
V.42 mode enabled |
|
CONVERT TO RELIABLE MODE | |
|
Type: |
Immediate |
|
Format: |
AT [cmds] \Y [cmds] |
|
Description: |
Initiates reliable mode link |
|
EXTENDED RESULT CODES | |
|
Type: |
Configuration |
|
Format: |
AT [cmds] \Vn [cmds] |
|
Description: |
Selects extended result codes |
|
Command |
Function |
|
\V0 |
Extended result codes disabled |
|
\V1 |
Reliable result codes enabled |
|
í \V2 |
Error control and compression result codes enabled |
|
FLOW CONTROL | |
|
Type: |
Configuration |
|
Format: |
AT [cmds] \Gn [cmds] |
|
Description: |
Selects modem port flow control |
|
Command |
Function |
|
í \G0 |
Flow control disabled |
|
\G1 |
Flow control enabled |
|
FLOW CONTROL TYPE | |
|
Type: |
Configuration |
|
Format: |
AT [cmds] \Qn [cmds] |
|
Description: |
Sets type of flow control used by modem |
|
Command |
Function |
|
\Q0 |
Flow control disabled |
|
\Q1 |
XON/XOFF flow control enabled |
|
\Q2 |
CTS flow control to DTE enabled |
|
í \Q3 |
RTS/CTS flow control enabled |
|
INACTIVITY TIMER | |
|
Type: |
Configuration |
|
Format: |
AT [cmds] \Tn [cmds] |
|
Default: |
0 |
|
Range: |
0-90 |
|
Unit: |
1 minute |
|
Description: |
Sets the length of time that the modem does not receive information before it disconnects. |
|
INACTIVITY TIMER | |
|
Type: |
Register |
|
Format: |
AT [cmds] S90=n [cmds] |
|
Default: |
0 |
|
Range: |
0-255 |
|
Unit: |
1 second |
|
Description: |
Sets the length of time that the modem does not receive information before it disconnects. S90=0 will disable. |
|
LOCK SERIAL PORT | |
|
Type: |
Configuration |
|
Format: |
AT [cmds] \Jn [cmds] |
|
Description: |
Sets operation of serial port speed |
|
Command |
Function |
|
í \J0 |
Serial speed locked |
|
\J1 |
Serial speed follows connect speed |
|
MAXIMUM BLOCK SIZE FOR TRANSMISSION | |
|
Type: |
Configuration |
|
Format: |
AT [cmds] \An [cmds] |
|
Description: |
Sets the maximum transmittable block size |
|
Command |
Function |
|
\A0 |
MNP block size is 64 characters |
|
\A1 |
MNP block size is 128 characters |
|
\A2 |
MNP block size is 192 characters |
|
í \A3 |
MNP block size is 256 characters |
|
ON-LINE IN RELIABLE MODE | |
|
Type: |
Immediate |
|
Format: |
AT [cmds] \O [cmds] |
|
Description: |
Returns to on-line and requests reliable mode connection. |
|
RETURN TO RELIABLE MODE | |
|
Type: |
Immediate |
|
Format: |
AT [cmds] \Z [cmds] |
|
Description: |
Ends reliable mode link and initiate return to normal mode |
|
TEST MODES | ||
|
Format |
AT [cmds] S16=n [cmds] | |
|
Default: |
Unidentified | |
|
Range: |
Unidentified | |
|
Unit: |
Bit-mapped | |
|
Description: |
Controls loopback tests, analog, digital, remote digital, and self tests. | |
|
Bit |
Value |
Function |
|
0 |
0 1 |
Local analog loopback not in progress Local analog loopback in progress |
|
1 |
0 |
Not used |
|
2 |
0 1 |
Local digital loopback not in progress Local digital loopback in progress |
|
3 |
0 1 |
Modem not in remote digital loopback Remote digital loopback in progress |
|
4 |
0 1 |
Remote digital loopback not requested Remote digital loopback requested |
|
5 |
0 1 |
Remote digital loopback w/ self-test not in progress Remote digital loopback w/ self-test in progress |
|
6 |
0 1 |
Local analog loopback w/ self-test not in progress Local analog loopback w/ self-test in progress |
|
V.42 DETECTION PHASE | |
|
Type: |
Configuration |
|
Format: |
AT [cmds] -Jn [cmds] |
|
Description: |
Controls V.42 detection |
|
Command |
Function |
|
-J0 |
V.42 detection disabled |
|
í -J1 |
V.42 detection enabled |
|
V.42bis COMPRESSION CONTROL | |
|
Type: |
Configuration |
|
Format: |
AT [cmds] "Hn [cmds] |
|
Description: |
Controls V.42bis data compression |
|
Command |
Function |
|
"H0 |
V.42bis disabled |
|
"H1 |
V.42bis when transmitting enabled |
|
"H2 |
V.42bis when receiving enabled |
|
í "H3 |
V.42bis when transmitting/receiving enabled |
|
V.42bis MAXIMUM STRING LENGTH | |
|
Type: |
Immediate |
|
Format: |
AT [cmds] "Closed [cmds] |
|
Default: |
16 |
|
Range: |
6-250 |
|
Unit: |
Characters |
|
Description: |
Selects string size for V.42bis compression |
|
XON/XOFF PASS-THROUGH | |
|
Type: |
Configuration |
|
Format: |
AT [cmds] \Xn [cmds] |
|
Description: |
Selects whether XON/XOFF signals are sent to remote modem |
|
Command |
Function |
|
í \X0 |
XON/XOFF signals trapped by local modem |
|
\X1 |
XON/XOFF passed through local modem |