WISECOM, INC.

DATA/FAX MODEM 14.4 V.32BIS

Card Type

Fax, Modem (asynchronous)

Chip Set

Unidentified

Maximum Data Rate

14.4Kbps

Maximum Fax Rate

14.4Kbps

Data Bus

8-bit ISA

Fax Class

Class I

Data Modulation Protocol

Bell 103A/212A

ITU-T V.21, V.22, V.22bis, V.32, V.32bis

Fax Modulation Protocol

ITU-T V.17, V.21CH2, V.27ter, V.29

Error Correction/Compression

MNP5, V.42, V.42bis

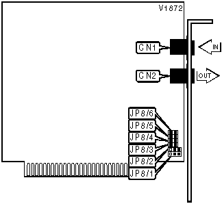
CONNECTIONS

Function

Label

Function

Label

Line in

CN1

Line out

CN2

SERIAL PORT ADDRESS

Setting

JP8/1

JP8/2

COM1 (3F8h)

Pins 1 & 2 closed

Pins 1 & 2 closed

COM2 (2F8h)

Pins 2 & 3 closed

Pins 1 & 2 closed

COM3 (3E8h)

Pins 1 & 2 closed

Pins 2 & 3 closed

í COM4 (2E8h)

Pins 2 & 3 closed

Pins 2 & 3 closed

INTERRUPT

Setting

JP8/3

JP8/4

JP8/5

JP8/6

2

Closed

Open

Open

Open

í 3

Open

Closed

Open

Open

4

Open

Open

Closed

Open

5

Open

Open

Open

Closed

Proprietary AT Command Set

AUTO-RETRAIN - FALLBACK/FALLFORWARD

Type:

Configuration

Format:

AT [cmds] %En [cmds]

Description:

Controls auto-retrain mode and fallback/fall forward

Command

Function

%E0

Auto-retrain disabled

%E1

Auto-retrain enabled

í %E2

Fallback/fall forward enabled

BIT MAPPED REGISTERS

Register

Default

S14

Unidentified

S16

0

S21

Unidentified

S22

Unidentified

S23

Unidentified

S27

Unidentified

S31

Unidentified

S41

131

BREAK TYPE

Type

Configuration

Format

AT [cmds] \Kn [cmds]

Default

5

Range

0-5

Description

Configures action of break signal

CONNECT MODE

Type:

Configuration

Format:

AT [cmds] \Nn [cmds]

Description:

Sets connect mode

Command

Function

\N0

Normal mode enabled

FAX TRANSMIT LEVEL

Type:

Register

Format:

AT [cmds] S92=n [cmds]

Default:

10

Range:

0-15

Unit:

-1dBm

Description:

Controls fax transmission level

FLASH DIAL MODIFIER TIME

Format

AT [cmds] S29=n [cmds]

Default:

0

Range:

0-255

Unit:

.01 second

Description:

Time the modem will go on-hook upon receiving the ! dial modifier in dial string.

FLOW CONTROL CHARACTER - XOFF

Type:

Register

Format:

AT [cmds] S33=n [cmds]

Default:

19

Range:

0-255

Unit:

ASCII

Description:

Sets the character used to represent XOFF

FLOW CONTROL CHARACTER - XON

Type:

Register

Format:

AT [cmds] S32=n [cmds]

Default:

17

Range:

0-255

Unit:

ASCII

Description:

Sets the character used to represent XON

LINE SIGNAL LEVEL

Type:

Immediate

Format:

AT [cmds] %L [cmds]

Description:

Returns a value which indicates the received line signal level

LINE SIGNAL QUALITY

Type:

Immediate

Format:

AT [cmds] %Q [cmds]

Description:

Returns a value which indicates line signal quality

RPI

Type:

Configuration

Format:

AT [cmds] +Hn [cmds]

Description:

Controls RPI and sets DTE speed

Command

Function

+H0

RPI disabled

+H1

RPI enabled, DTE speed 19200bps

+H2

RPI enabled, DTE speed 38400bps

+H3

RPI enabled, DTE speed 57600bps

SLEEP TIMER

Format

AT [cmds] S24=n [cmds]

Default:

0

Range:

0-255

Unit:

1 second

Description:

Maximum duration of DTE and DCE inactivity allowed prior to initiating low-power sleep mode.

TRANSMIT ATTENUATION LEVEL

Type:

Register

Format:

AT [cmds] S91=n [cmds]

Default:

10

Range:

0-15

Unit:

-1dBm

Description:

Controls transmission attenuation level