WESTERN DIGITAL CORPORATION

PARADISE AUTOSWITCH EGA 350

Card Type

Video card

Video Chip Set

Unidentified

Highest Resolution Supported

720 x 348

Maximum Video Memory

256KB RAM (Type unidentified)

Data Bus

8-bit ISA

Video Types Supported

EGA/CGA/MDA

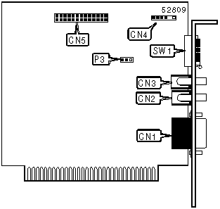
CONNECTIONS

Function

Label

Function

Label

9-pin digital video port

CN1

Light pen connector

CN4

RCA connector

CN2

Feature connector

CN5

RCA connector

CN3

   

USER CONFIGURABLE SETTINGS

Function

Label

Position

»

Factory configured - do not alter

P3

Pins 1 & 2 closed

DISPLAY SELECTION (PRIMARY AS MONOCHROME)

Setting

SW1/1

SW1/2

SW1/3

SW1/4

SW1/5

SW1/6

40 column

On

Off

Off

On

Off

Off

80 column

Off

Off

Off

On

Off

Off

200 column

On

On

On

Off

Off

Off

350 column

Off

On

On

Off

Off

Off

DISPLAY SELECTION (SECONDARY AS MONOCHROME)

Setting

SW1/1

SW1/2

SW1/3

SW1/4

SW1/5

SW1/6

40 column

On

On

On

On

Off

Off

80 column

Off

On

On

On

Off

Off

200 column

On

Off

On

On

Off

Off

350 column

Off

Off

On

On

Off

Off

DISPLAY SELECTION (PRIMARY AS COLOR)

Setting

SW1/1

SW1/2

SW1/3

SW1/4

SW1/5

SW1/6

40 column

On

Off

On

Off

Off

Off

80 column

Off

Off

On

Off

Off

Off

DISPLAY SELECTION (SECONDARY AS COLOR)

Setting

SW1/1

SW1/2

SW1/3

SW1/4

SW1/5

SW1/6

40 column

On

On

Off

On

Off

Off

80 column

Off

On

Off

On

Off

Off